В практических расчётах часто нет необходимости знать режимы работы всех элементов сложной цепи, но ставится задача исследовать режимы работы одной определённой ветви.
При расчёте сложной электрической цепи приходится выполнять значительную вычислительную работу даже в том случае, когда требуется определить ток в одной ветви. Объём этой работы в несколько раз увеличивается, если необходимо установить изменение тока, напряжения, мощности при изменении сопротивления данной ветви, так как вычисления нужно производить несколько раз, задаваясь различными значениями сопротивления.
В любой электрической схеме можно мысленно выделить какую-то одну ветвь, а всю остальную часть схемы, независимо от структуры и сложности, условно изобразить прямоугольником, который представляет собой так называемый двухполюсник.
Таким образом, двухполюсник - это обобщённое название схемы, которая двумя выходными зажимами (полюсами) присоединена к выделенной ветви. Если в двухполюснике есть источник Э.Д.С. или тока, то такой двухполюсник называют активным. Если в двухполюснике нет источника Э.Д.С. или тока, то его называют пассивным.
|
|
|
При решении задачи методом эквивалентного генератора (активного двухполюсника) необходимо:

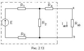
1. Мысленно заключить всю схему, содержащую Э.Д.С. и сопротивления, в прямоугольник, выделив из нее ветвь аb, в которой требуется найти ток (рис 2.13).
3. Найти напряжение на зажимах разомкнутой ветви ab (в режиме холостого хода).
![]() |
Напряжение холостого хода Uо (эквивалентное Э.Д.С. Еэ) для рассматриваемой цепи можно найти так:
.
Сопротивление R4 в расчёт не вошло, так как при разомкнутой ветви ab ток по нему не протекает.
3. Найти эквивалентное сопротивление. При этом источники Э.Д.С. закорачиваются, а ветви, содержащие источники тока, размыкаются. Двухполюсник становится пассивным.
![]() |
Для данной схемы
.
4. Вычислить значение тока. Для данной схемы имеем:
.








