Питатель

Питатель - основной рабочий орган - убирает с пути снег или засорители и подает их на конвейер снегоуборочной машины. Питатель состоит из барабана со сменными тросовыми щетками траверсы, в которой смонтирован барабан, приводного устройства и механизма подъема. На машинах установлены питатели различной конструкции - со встроенным или выносным приводным механизмом.

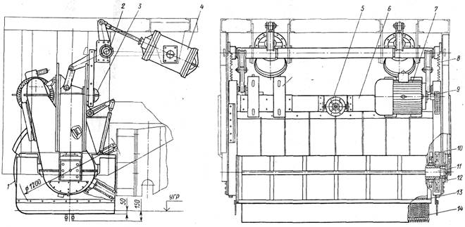
Рис. 13. Питатель с механизмом подъема:

1-поворотный козырек; 2—вал механизма подъема; 3—пневматический стопор; 4, 5-цилиндры подъема питателя, козырька: 6—траверса; 7-электродвигатель; 8-рейка стопорная; 9, 10-звездочка ведущая, ведомая; 11/-ось; 12- втулка-фланец; 13-барабан; 14-тросовая щетка.

Рассмотрим конструкцию питателя с выносным приводом (рис.13). Барабан 13 при помощи двух подшипников установлен на неподвижной оси 11, которая двумя втулками-фланцами 12 закреплена в подъемной траверсе 6. На поверхности барабана 13 имеются специальные гнезда, в которых закреплены шесть рядов съемных тросовых щеток 14. Каждый ряд тросовых щеток состоит из четырех колодок-обойм с закрепленными в них отрезками стального троса. Для увеличения долговечности щеток между отрезками троса и колодкой, а также прижимной планкой проложены прокладки из резины или конвейерной ленты. Колодки на барабане закреплены болтами. Каждый ряд щеток образует гибкую тросовую лопасть. Свободная длина тросов в неизношенном питателе - около 300 мм. При работе тросовые лопасти на вращающемся барабане питателя забирают с пути снег и подают его на конвейер машины. Гибкий рабочий орган - тросовой питатель - позволяет очищать путь, а также рельсовые пересечения и стрелочные переводы до уровня верхней постели шпал.

Барабан питателя приводится во вращение от двух электродвигателей 7, установленных по концам траверсы 6 на кронштейнах. На валу каждого электродвигателя закреплена ведущая звездочка 9 цепной передачи. Ведомые звездочки 10 насажены на втулки, прифланцованные к корпусу барабана. Посадка выполнена на шпонках. Для обеспечения натяжения цепной передачи отверстия под болты крепления электродвигателя выполнены овальными, болты крепления установлены в ползушках, перемещаемых натяжными винтами. Цепные передачи выполнены двухрядной цепью с шагом 25,4 мм или однорядной с шагом 50,8 мм. Кожух цепных передач состоит из трех частей, соединенных болтами. Нижняя часть - картер. В него заливается масло. Работа цепной передачи в масляной ванне обеспечивает увеличение срока службы цепи и звездочек.

Траверса 6 - сварная П-образная металлическая конструкция - расположена внутри рамы. Вместе с барабаном и приводом питателя траверса может перемещаться по вертикали в направляющих стойках рамы, что обеспечивает изменение заглубления тросов питателя в рабочее и транспортное положения. Над барабаном на траверсе закреплен неподвижный направляющий козырек, под который убирается в поднятом положении поворотный козырек 1, установленный с возможностью поворота относительно втулок питателя, на которых закреплены приводные звездочки. Поворотный козырек предназначен для уменьшения пыления и разбрасывания снега вперед по ходу машины. Для поворота козырька служит рычажный механизм с пневматическим цилиндром 5. Привод питателя реверсивный. Во время работы питатель вращается по часовой стрелке (если смотреть на машину с левой стороны), перебрасывая снег через себя- вращение “на себя” или “вперед”. При рабочем движении машины назад питатель включают во вращение “под себя” или “назад”.

Механизм подъема питателя состоит из двух пневматических цилиндров 4, поворачивающих вал 12, установленный в подшипниках на раме машины. Рычаги вала подвесками соединены с траверсой питателя. Цилиндры 4 установлены на раме машины на цапфах, обеспечивающих возможность поворота в вертикальной плоскости. Положение питателя по высоте фиксируется двумя пневматическими стопорами 3, управляемыми одним краном. На вертикальных направляющих стойках рамы машины закреплены зубчатые рейки 8, с которыми входят в зацепление гребенки стопоров 3, закрепленных на траверсе. К рейкам гребенки прижимаются пружинами стопора, а выводятся из зацепления под воздействием на поршень сжатого воздуха, подаваемого в цилиндр стопора. В транспортном положении питатель фиксируется задвижными стопорами, которые запираются закладными штырями.

Конструкция питателя со встроенным двигателем отличается от описанной тем, что для привода применяется один двигатель, установленный внутри барабана. В барабане смонтирован также цилиндрический редуктор специального исполнения. Электродвигатель закреплен неподвижно между корпусом редуктора и вставкой, неподвижно соединенной с крышкой-колоколом. Все эти соединенные между собой элементы образуют блок, находящийся внутри барабана. Этот блок закреплен неподвижно в траверсе питателя.

Из-за сложности ремонта, при замене электродвигателя, от этой конструкции отказались.





Подборка статей по вашей теме: