Регулирование напряжения трансформаторов осуществляется путем изменения коэффициента трансформации, то есть изменением числа витков, для чего обмотки имеют соответствующие ответвления. Переключение ответвлений осуществляется без возбуждения (ПБВ) и под напряжением (РПН). Переключение ответвлений без возбуждения осуществляется на трансформаторах малой мощности.
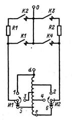
Регулирование под нагрузкой (РПН) осуществляется переключением ответвлений обмотки без разрыва цепи. В зависимости от мощности и напряжения трансформатора регулирование осуществляется от 10% до 16%. Регулировочные ступени выполняются на стороне ВН, так как ток в этой обмотке меньше, чем в обмотке НН. Наибольшее распространение получила схема с резисторами, приведенная на рисунке 5.2.


Рисунок 5.2 – Схема РПН с резисторами
В исходном положении 0, ТР работает на ответвлении 5 и ток проходит через контакт К1. При переходе на ответвление 4 сначала обесточенный избиратель И2 переводится в положение 4, затемотключается К1, при этом ток нагрузки кратковременно проходит по R1 и К2. После этого замыкается К3, при этом половина тока нагрузки проходит по R1 и К2, а половина – по R2 и К3, а витки регулировочной обмотки 5-4 оказываются замкнутыми через R1 и R2 и по ним проходит циркулирующий ток. Затем замыкается К2 и К4, при этом ток проходит по регулировочной обмотке на ответвление 4, избиратель И2, контакты К4 к выводу 0. Управление РПН осуществляется дистанционно со щита управления, вручную или автоматически.
|
|
|
В автотрансформаторах ответвления выполняют в нейтральной точке, что позволяет облегчить изоляцию переключающего устройства и рассчитать его на меньший ток. Такое регулирование называется связанным, т.е. при переключении ответвлений одновременно меняется количество витков ВН и СН. Регулирование напряжения можно осуществлять с помощью специальных регулировочных трансформаторов, состоящих из последовательного трансформатора, который вводит дополнительную э.д.с. в основную обмотку трансформатора и регулировочного трансформатора, который меняет эту э.д.с., и линейных регуляторов, в которых регулирование на стороне СН обеспечивается устройством РПН, а на стороне НН устанавливается регулировочный трансформатор, снабженный автоматическим регулированием напряжения.