Расчет коротких трубопроводов
В коротких трубопроводах местные потери соизмеримы с потерями по длине, и в расчете необходимо учитывать оба вида потерь напора. Практически можно считать трубопровод коротким, если местные потери напора составляют 5-10% потерь по длине.

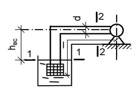
Рисунок 7.1 – Схема всасывающей линии насоса
Принимаем расчетные сечения на поверхности воды в резервуаре 1-1, перед входом в насос 2-2 (рис.7.1). Плоскость сравнения совместим с сечением 1-1. На поверхности воды в резервуаре давление равно атмосферному p1=pа, а перед входом в насос давление определяется величиной вакуума. Кроме того, z1 =0 и υ 1=0, так как размер резервуара больше сечения трубы, z2=hвс. С учетом этого уравнение Бернулли примет вид

или
.
Вакуумметрическая высота

Высота всасывания насоса

Высота всасывания всегда меньше вакуумметрической высоты, так как часть вакуума расходуется на создание скоростного напора, а также на преодоление потерь. Для надежности работы насосов вакуумметрическую высоту принимают меньше 6-7м, так как при низких давлениях вода переходит в парообразное состояние, что приводит к разрыву столба жидкости на всасывающей линии.
|
|
|






