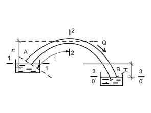
Сифонным называется трубопровод, работающий в условиях вакуума (рис.7.3). Часть такого трубопровода находится выше уровня воды в резервуарах А и В. Особенностью расчета является необходимость проверки величины вакуума в наивысшей точке сечения. Проведем плоскость сравнения по поверхности резервуара В, z 1=0; p 1= p атм.; υ 1=0; z2=h, тогда, уравнение Бернулли для сечений 1-1 и 2-2
,
h – превышение точки сифона над поверхностью водоема А;
l – расстояние этой точки от начала сифона;
– сумма коэффициентов местных сопротивлений от начала трубопровода до сечения 2-2.
Тогда вакуумметрическая высота
.

Рисунок 7.3 – Схема сифонного трубопровода
Запишем уравнение Бернулли для сечений 1-1 и 3-3
,
L – полная длина сифона;
ζ – сумма всех местных сопротивлений.
Определим из последнего уравнения значение скоростного напора и подставим в предыдущую формулу

Эта вакуумметрическая высота должна быть меньше 7м, так как в противном случае работа сифона может быть неустойчивой и возникает угроза срыва вакуума. Для того, чтобы сифон работал устойчиво, следует менять геометрические параметры сифона h и H.
|
|
|