

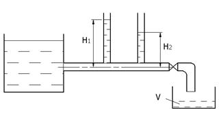
где Q – расход
– время наполнения


где
– вязкость – является функцией температуры, которую нужно измерять в течение эксперимента
d – диаметр

– турбулентный режим (вода, керосин)
– ламинарный режим (масла)
Ламинарное – такое течение, при котором не происходит перемешивания слоев жидкости и нет пульсаций скорости.
Турбулентное – течение, сопровождающееся интенсивным перемешивание слоев жидкости, наличием пульсаций скорости и давления.






