
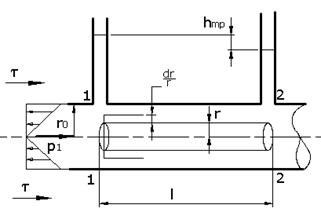
Рассмотрим ламинарное движение жидкости в горизонтально расположенном цилиндрическим трубопроводе, что исключить влияние сил тяжести.
Запишем уравнение Бернулли.

, 
– уравнение равномерного движения жидкости.
, 
Согласно гипотезе Ньютона, экспериментально подтвержденной Петровым, при движении вязкой жидкости возникают касательные напряжения.

– динамический коэффициент вязкости
– поперечный градиент скорости

Знак "–" обусловлен тем, что отсчет
происходит в обратном направлении от оси к стенке.



При 


– параболический закон Стокса
при 
Найдем величину расхода через живое сечение. Для этого выделим слой жидкости размером 


– формула Пуазейля
Из уравнения Пуазейля найдем величину средней скорости:


Найдем величину потери на трение.
Из уравнения Бернулли 
Величину
выразим через
: 
– формула Пуазейля
Потери на трение при ламинарном движении зависят от скорости в первой степени.
Величину
выразим через
:

– формула Пуазейля.

– коэффициент сопротивления трения.
– для ламинарного течения.
– формула Вейсбаха
Квадрат скорости получен искусственным путем. В действительности потери зависят от скорости в первой степени.


можно рассматривать как критерий подобия
.
Найдем величину коэффициента кинетической энергии при ламинарном движении:

– при ламинарном движении.






