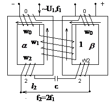
Для удвоения частоты может быть использован трансформатор с разветвленным магнитопроводом в виде двух независимых магнитопроводов
и
. (Рис. 72)
Первичная обмотка
, питающаяся от сети с частотой
, охватывает сразу оба магнитопровода и ЭДС в ней возбуждается суммой потоков
.
Вторичная обмотка 2, в которой индуктируется ЭДС двойной частоты
, образуется из двух частей с числами витков
располагающихся на разных магнитопроводах и включенных встречно.
Рис. 72
Потокосцепление вторичной обмотки оказывается пропорциональным разности потоков
.

Как видно из графика
(рис. 73), при изменении суммы потоков
. С частотой
, разность потоков
будет изменяться с двойной частотой
, если магнитопровод
и
подмагнитить в противоположных направлениях с помощью обмотки 0, питаемой постоянным током
и образующей МДС
в каждом из магнитопроводов.
Рис. 73






