
При включении обмотки статора в сеть, создается вращающееся магнитное поле, рис. 83. Это поле пересекая обмотку ротора наводит в ней ЭДС. Под действием этой ЭДС по обмотке будет протекать ток. Этот ток будет взаимодействовать с магнитным потоком. Взаимодействие вращающего магнитного поля статора с током в роторе создает вращающий момент, за счет которого ротор будет вращаться в ту же сторону, что и поле, но с небольшим отставанием.
Рис. 83
При вращении поля n1 в проводнике ротора наведется ЭДС направленная к нам (правило правой руки). Ток в проводнике также будет направлен к нам. По правилу левой руки проводник с током попал в магнитное поле на него будет действовать сила f, под действием которой ротор будет вращаться в туже сторону, что и магнитное поле статора.
На рисунке n1 – скорость магнитного поля статора; n – скорость ротора; S – скольжение.

Для двигателей обычной серии номинальное скольжение Sн = 0,02 ¸ 0,05 Скольжение зависит от нагрузки. Чем больше нагрузка (n¯), тем больше скольжение.
По конструкции ротора асинхронные машины делятся:
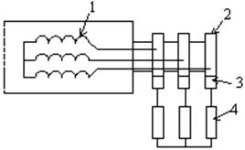
1. Асинхронная машина с фазным ротором, рис. 84
Рис. 84
1. обмотки
2. контактные кольца
3. щетки
4. сопротивления
2. Асинхронная машина с короткозамкнутым ротором, рис. 85.
Рис. 85






