Диэлектрические потери
Поверхностная электропроводность твердых диэлектриков
Поверхностная электропроводность обусловлена наличием влаги, загрязнениями и различными дефектами поверхности диэлектрика.
Твердость или полярность вещества ↓, чистота и/или ровность поверхности ↑, краевойÐ смачивания ↑ → γs ↓.
Диэлектрики
/ \
гидрофобные гидрофильные
(неполярные) (полярные и ионные)
большой краевой Ð смачивания малый Ð смачивания
Влажность сильно повышает γs гидрофильных диэлектриков, особенно пористых.
Для ↑ rs: промывка диэлектрика в кипящей дистиллированной воде или растворителях, прогревание при высокой температуре, механическая очистка и полировка поверхности, покрытие поверхности влагостойкими лаками.
Диэлектрические потери – это часть энергии электрического поля, которая рассеивается в диэлектрике в виде тепла.
Удельные диэлектрические потери – мощность, рассеиваемая в единице объема диэлектрика: р = P/V = E 2γa [Вт/м 3]
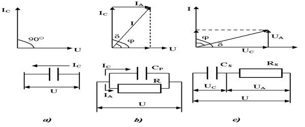
В электрическом конденсаторе с идеальным диэлектриком (диэлектриком без потерь), вектор тока Iс опережает вектор напряжения на 90° (а).
Угол диэлектрических потерь – это угол δ, дополняющий угол сдвига фаз между током и напряжением до 90°.
tgδ = Pa / Pc
tgδ и δ – характеристики способности диэлектрика рассеивать энергию в электрическом поле.
Добротность (х-ка устройства с диэлектриком) Q = 1/tgδ = ctgδ = tgφ

Параллельная схема замещения диэлектрика (b):
tgδ = Ia / Ic = 1/(ωCрR)
Pа = UIa =UIctgδ, Ic = UωCр
Pа = U 2 ω Cp tgδ
Последовательная схема замещения диэлектрика (c):
tgδ = Ua / Uc = ωCsRs
Pа = IUa = I2Rs
Pа = U 2ω×C s tgδ / [ 1 + (tgδ) 2 ]
Доброкачественный диэлектрик: tgδ «1, Cs = Cp → Pа = U 2 ω Cp tgδ
Комплексная диэлектрическая проницаемость: ε* = ε' - jε"
Коэффициент диэлектрических потерь ε" = ε’tgδ






