Основным законом, используемым при расчетах магнитных цепей, является закон полного тока.
(9.1)
Он формулируется следующим образом: линейный интеграл вектора напряженности магнитного поля по замкнутому контуру равен алгебраической сумме токов, охватываемых этим контуром. Если контур интегрирования охватывает катушку с числом витков W, через которую протекает ток I, то алгебраическая сумма токов
, где F - магнитодвижущая сила.
Обычно контур интегрирования выбирают таким образом, чтобы он совпадал с силовой линией магнитного поля, тогда векторное произведение в формуле (9.1) можно заменить произведением скалярных величин H·dl. В практических расчетах интеграл
заменяют суммой
и выбирают отдельные участки магнитной цепи таким образом, чтобы H1, H2,... вдоль этих участков можно было считать приблизительно постоянными. При этом (9.1) переходит в
(9.2)
где l1, l2, …, ln - длины участков магнитной цепи;
H1·l1, H2·l2 - магнитные напряжения участков цепи. Магнитным сопротивлением участка магнитной цепи называется отношение магнитного напряжения рассматриваемого участка к магнитному потоку в этом участке
,
где S - площадь поперечного сечения участка магнитной цепи,
l - длина участка.
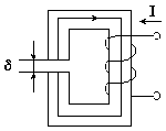
Рассмотрим расчет магнитной цепи, изображенной на рис. 9.2.
Ферромагнитный магнитопровод имеет одинаковую площадь поперечного сечения S.
lср - длина средней силовой линии магнитного поля в магнитопроводе;
δ - толщина воздушного зазора.
На магнитопроводе размещена обмотка, по которой протекает ток I.
Рис. 9.2
Прямая задача расчета магнитной цепи заключается в том, что задан магнитный поток Ф и требуется определить магнитодвижущую силу F. Определим магнитную индукцию в магнитопроводе
.
По кривой намагничивания найдем значение напряженности магнитного поля H, соответствующее величине В.
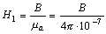
Напряженность магнитного поля в воздушном зазоре
.
Магнитодвижущая сила обмотки
.
При обратной задаче расчета магнитной цепи по заданному значению магнитодвижущей силы требуется определить магнитный поток. Расчет такой задачи выполняется с помощью магнитной характеристики цепи F = f(Ф).
Для построения такой характеристики необходимо задаться несколькими значениями Ф и найти соответствующие значения F. С помощью магнитной характеристики по заданной магнитодвижущей силе определяется магнитный поток.






