Схема с ОК
Схема с ОБ
Схема с ОЭ

;
;
.

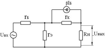
Т – образная эквивалентная схема с ОЭ
. (сотни Ом)
| KIэ >> 1; KUэ >> 1; KPэ >> 1; |
Поскольку Rн >> Rвх э,
то

;
;
.

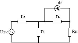
Т – образная эквивалентная схема с ОБ
;
;
.
Поскольку rЭ и rБ – малы,
– от единиц до десятков Ом
| KIб < 1; KUб >> 1; KPб >> 1; |
Rн >> Rвх Б, то

;
;
.

Т – образная эквивалентная схема с ОК
;
;
– десятки тысяч Ом
| KIк >> 1; KUк < 1; KPк >> 1; |

Ориентировочные значения основных показателей схем включения.
| Тип схемы | Значения коэфф. усиления | (Ом) | ||
| | | ||
| ОЭ | 10-100 | до 10000 | до сотен | |
| ОБ | ≈1 | до 1000 | до 1000 | от единиц до десятков |
| ОК | 10-100 | ≈1 | до 100 | десятки тысяч |
(Ом)






