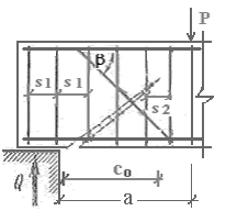
1. Расчет по наклонным сечениям при действии сосредоточенной силы

Рис. 11. 10. Расчет по наклонным сечениям при действии сосредоточенной силы
Расчет ведут по опасному наклонному сечению с0 и от действия силы, располагаемой на расстоянии a от опоры, т.е.

Окончательно расчет ведется по полученному наибольшему значению
.
2. Расчет железобетонных элементов с наклонными сжатыми гранями

Рис. 11.11. К расчету железобетонных элементов с наклонными сжатыми гранями
При этом в качестве рабочей высоты в пределах рассматриваемого наклонного сечения в расчет вводятся: для элементов с поперечной арматурой — наибольшее значение h 0, для элементов без поперечной арматуры — среднее значение h 0,таким образом, h 0 принимается в конце наклонного сечения.
Расчет железобетонных элементов с наклонными сжатыми гранями на действие поперечной силы для обеспечения прочности на наклонной трещине производится как для случая разрушения от действия поперечной силы.
3. Расчет железобетонных элементов с наклонными растянутыми гранями
|
|
|
Если сжатая грань горизонтальна, а растянутая – наклонная, то прочность наклонного сечения по поперечной силе выражается условием:
,
где проекция на нормаль к сжатой зоне усилий в растянутой арматуре:


Рис. 11.12. К расчету железобетонных элементов с наклонными растянутыми гранями
угол между продольной осью и растянутой гранью элемента;
М и z – расчетный момент и плечо внутренней пары сил в сечении, нормальном к сжатой грани, проходящем через конец рассматриваемого наклонного сечения






