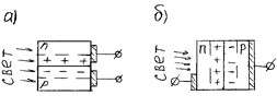
В этом случае на весь кристалл накладывается внешнее электрическое поле. Поэтому где бы ни возникала электронно-дырочная пара, под действием внешнего электрического поля она начинает разделяться, образуя фотопроводимость. Обратное смещение увеличивает ширину ОПЗ т. к. направление внешней напряженности и поля ОПЗ p-n перехода имеют одно и тоже направление, поэтому в принципе ширину ОПЗ можно раздвинуть до контактов. Фотодиодный режим используется для выбора рабочей точки и повышения эффективности механизма преобразования световой энергии в электрическую. С точки зрения конструкции все фотодиоды разделяются на два типа:

При обратном смещении в конструкции а) ОПЗ можно раздвинуть до контактов эффективно осуществляя регулировку фотопроводимости. В конструкции б) глубина залегания ОПЗ должна быть меньше диффузионной длины, т. к. в этом случае электронно-дырочные пары могут дойти до ОПЗ. В электронные схемы фотодиоды включаются в качестве элемента делителя:

Выходное напряжение импульса фотодиода так же как и фоторезистора имеет время нарастания
и время спада
.






