Для коррекции систем используют: жесткие и гибкие обратные связи.
Жесткие корректирующие обратные связи КОС обычно представлены позиционными элементами, как правило, безынерционного типа. Такие связи передают сигнал в любом режиме работы системы.
Гибкие корректирующие обратные связи обычно представлены дифференциальными звеньями КОСS (передняя функция). Такие связи передают сигнал только в переходном режиме.
Пример 1: охват безынерционного звена отрицательно жесткой обратной связью.
До охвата:

После:

– сигнал ошибки рассогласования





Сигнал на вх повышается на 10%
повышается на 10%
Пусть 
Сигнал на вх повышается на 10%
сигнал на выходе стабилизируется.
Такая коррекция используется для стабилизации работы усилителей при колебании входного сигнала.
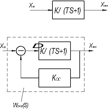
Пример 2: охват инерционного звена отрицательно жесткой обратной связи.



Звено не изменилось
(т.к. К > 1)



Данная коррекция является способом борьбы с инерционностью системы (превращает безынерционное звено в инерционное).
Пример 3: охват интегрирующего звена отрицательно жесткой обратной связью.



–постоянная времени = 1/ККОС
Пример 4: охват безынерционного звена отрицательно гибкой обратной связью.

Представили:
растет (из-за уменьшения нагрузки)
рост сигнала обратной связи: z растет; (
) понижается 
уменьшается.
уменьшается 
растет.
Такая коррекция используется для стабилизации выходного сигнала системы при колебании нагрузки.






