
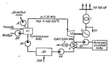
Рис.1.2
В котел Кт подается топливо (уголь, мазут, торф, сланцы), подогретый воздух и питательная вода (ее потери компенсируются химически очищенной водой ХОВ). Подача воздуха осуществляется дутьевым вентилятором ДВ , а питательной воды — питательным насосом ПН. Образующиеся при сгорании топлива газы отсасываются из котла дымососом Д и выбрасываются через дымовую трубу в атмосферу. Острый пар из котла подается в паровую турбину Т6, где, проходя через ряд ступеней, совершает механическую работу — вращает турбину и жестко связанный с ней ротор генератора. Отработанный пар поступает в конденсатор К (теплообменник); здесь он конденсируется благодаря пропуску через конденсатор значительного количества холодной (5— 25 °С) циркуляционной воды.
Охлаждающая вода с источника холодной воды подается в конденсатор циркуляционными насосами ЦН. Воздух, попадающий в конденсатор через неплотности, удаляется с помощью эжектора Э. Конденсат, образующийся в конденсаторе, с помощью конденсатного насоса КН подается в деаэратор ДР, который предназначен для удаления из питательной воды газов и, в первую очередь, кислорода, вызывающего усиленную коррозию труб котла. В деаэратор также подается химически очищенная вода. После деаэратора питательная вода, предварительно подогретая в подогревателях и экономайзере (хвостовой части) котла, питательным насосом ПН подается в котел. Пропуск основной массы пара через конденсатор приводит к тому, что 60— 70 % тепловой энергии, вырабатываемой котлом, бесполезно уносится циркуляционной водой.
|
|
|
Особенности КЭС следующие:
1) строятся по возможности ближе к месторождениям топлива;
2) подавляющую часть выработанной электроэнергии отдают в электрические сети повышенных напряжений (110—750 кВ);
3) работают по свободному (т. е. не ограниченному тепловыми потребителями) графику выработки электроэнергии; мощность может меняться от расчетного максимума до так называемого технологического минимума;
4) низкоманевренны: разворот турбин и набор нагрузки из холодного состояния требуют примерно 3—10 ч;
5) имеют относительно низкий КПД (ц=30-1-40 %).






