Радіальний відстійник з периферійною подачею води.
Напрямок руху стічних вод у зворотну сторону. Основна кількість осаду випадає на 1/3 довжини шляху. На периферії швидкості менше. Гірше затримуються спливаючі речовини. Ефект затримки зважених речовин вище. t відстоювання менше.
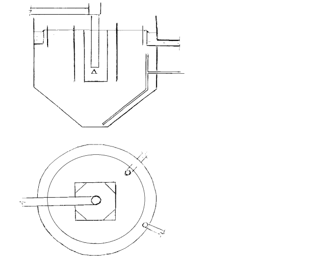
2-Х ЯРУСНІ ВІДСТІЙНИКИ (эмшеры).

|
|
|
|
|
ВЖЕЛ = 1,80...2,4 м; D = 6, 9, 12 м. Жолоби - горизонтальні відстійники.
ЭВЗВ = 40 - 50 %; t = 10 - 15 0С; розпад по беззольній речовині 40%.
У нижній частині - опади, що перегнивають (до 0, 5 року) -
60 120 доби.
Застосовуються до 10 тис. м3/доба.
Матеріал: ж/б; цегла; дерево (тимчасово).
Осад віддаляється під гідростатичним тиском.
На сьогоднішній день таке спорудження не застосовується.
Приклади реконструкції:
Забираємо жолоба - ставимо вертикальну трубу - вертикальний відстійник.
Відстійна частина - аэротенк. Жолоби - вторинний відстійник.
У жолоби ставимо биобарабан.
Забираємо жолоба, заповнюємо йоржами - аэротенк.
|
|
|
Осветлители.
|












Це вертикальний відстійник із внутрішньою камерою флокуляції. Як флокулянт може бути пухирець повітря, певної крупности й певної кількості.
У камері флокуляції відбувається часткове окислювання органічних речовин і посилене хлопьеобразование. З камери флокуляції стічна вода надходить у відстійну зону в якій проходячи через шар зваженого осаду осветляется.
Прояснена стічна вода через крайку зливу переливається в периферійний лоток і далі в що відводить. Осад віддаляється під гідростатичним напором. Ефект очищення до 70%. Втрати напору
1 м. 
ОСВЕТЛИТЕЛИ - ПЕРЕГНИВАТЕЛИ.
У камері флокуляції t = 20 хвилин - відбувається мимовільна коагуляція осаду. У відстійній камері утвориться зважений шар осаду, t ПР = 70 хвилин,
= 0,8...1,5 мм/с. Выпавший на дно осветлителя осад направляється в прийомний резервуар насосної станції, звідки перекачується у верхню зону перегнивателя, і піддається сбраживанию, tсбраж.= 1 - 2 місяці.
Щоб не утворилася кірка в иловой камері осад щодня в плині 3 - 4 годин перемішується за допомогою насосів.
Иловая камера повністю ізольована від відстійної зони - це виключає можливість влучення осаду, що бродить, у прояснену воду.
відстійна камера;
камера флокуляції;
камера для сброженного осаду.
|
|
|
Ц. ТР, = 0,5...0,7 м/с, необхідна для засмоктування повітря.
Осветлители - перегниватели в основному застосовуються на підприємствах харчової промисловості 
9 м.
При різких коливаннях складу стічних вод осветлители працюють не дуже добре.
Розрахунок: СНиП (пп. 6,75 - 6,77 і табл. 34) залежно від середньої t0 стічних вод або осаду визначається добова доза завантаження, %.
Місткість перегнивателя визначається по дозі завантаження залежно від вологості.






