Классификация и структура СТО
Назначение и функциональная схема СТО
Техническое перевооружение ПТБ
Техническое перевооружение рассматривают в соответствии с основными формами обновления средств труда и фактическим состоянием технологического оборудования.
Сущность технического перевооружения заключается в обновлении активной части производственных фондов на основе внедрения новой техники и прогрессивной технологии, в повышении уровня механизации и автоматизации производственных процессов, модернизации действующего оборудования, совершенствования форм организации производства и труда в условиях ограниченных материальных и трудовых ресурсов.
Необходимость перевооружения производства вызывается тем, что по мере эксплуатации технологического оборудования, приспособлений и оснастки утрачивается их способность удовлетворять потребности при реализации программы по ТО и ремонту автомобилей. Эксплуатация изношенного оборудования требует значительных затрат на его содержание в исправном состоянии. Это приводит к необходимости обновления оборудования.
Техническое перевооружение осуществляется за счет интенсивной формы воспроизводства капитальных вложений, заключающейся в обновлении средств труда без увеличения производственных площадей и при сокращении численности работающих.
В процессе перевооружения возникает необходимость частичного переустройства производственных, бытовых и складских площадей, подвода или ликвидации коммуникаций, улучшения энергетического снабжения. изменение пассивной части основных фондов не должно превышать 10 – 15 %.
Планы технического перевооружения предприятия должны состоять из следующих разделов: сводные технико – экономические показатели, характеризующие конечные цели и результаты перевооружения; мероприятия по техническому перевооружению; потребность в материально – технических ресурсах и оборудовании; объем строительно – монтажных работ; размер затрат капитальных вложений.
Основными параметрами для оценки интенсивных факторов являются: коэффициент централизации ТО и ТР; коэффициент специализации ТО и ТР; коэффициент кооперирования производства ТО и ТР; коэффициент движения основных производственных фондов; интегральный коэффициент использования ПТБ.
Этапы технического перевооружения включают: анализ состояния и формирование прогрессивной структуры парка технологического оборудования; разработку и реализацию организационно – технических мероприятий, обеспечивающих повышение эксплуатационной надежности действующего оборудования; определение оптимального срока службы оборудования; расчет фактической потребности средств труда.
Важнейшими составными элементами технического перевооружения производства являются разработка, изготовление и использование нестандартного технологического оборудования.
В зависимости от форм обновления средств труда могут быть выделены три вида технического перевооружения: малое, среднее и комплексное.
При малом техническом перевооружении осуществляется замена незначительной части морально устаревшего оборудования, а также модернизация и усовершенствование действующих средств труда. При этом коэффициент обновления средств труда превышает коэффициент выбытия, т. е. Ко > Кв а значение этих коэффициентов колеблется в пределах: 0,1 £ Кв £ 0,2; 0,1 £ Ко £ 0,3.
При среднем техническом перевооружении полностью осуществляется замена устаревшего оборудования тем же количеством аналогичного, но нового оборудования, повышается уровень механизации производства за счет внедрения незначительной части прогрессивного, более производительного оборудования. Коэффициент обновления также превышает коэффициент выбытия, а их значения находятся в пределах: 0,2 £ Кв £ 0,4; 0,3 £ Ко £ 0,5.
Комплексное техническое перевооружение характеризуется значительным обновлением парка оборудования, повышением уровня механизации и автоматизации производственных процессов, внедрением прогрессивной технологии. Коэффициент выбытия находится в пределах 0,3...0,5, а коэффициент обновления – 0,4...0,6.
Специфика работ в зоне ТО и ремонта требует оснащения 50 – 80 % рабочих постов подъемниками. Зона ТО и ТР связана с участками приемки – выдачи автомобилей, диагностики и со складом запасных частей, а ее площадь составляет примерно 40 % от общей производственной площади. Рядом с зоной постов ТО и ТР располагают специализированные вспомогательные производственные участки, которые составляют 6 – 8 % площади СТО и включают слесарно – механического, аккумуляторный, электрокарбюраторный, шиномонтажный участки.
На современных СТО основную часть работ по ТО и ТР выполняют в общем зале, вне которого обычно находятся участки кузовных работ и окраски, отгороженные перегородками или расположенные в отдельном здании.
Система ТО и ремонта, в соответствии с ГОСТ 18322 – 78, представляет совокупность взаимосвязанных средств, документации и исполнителей, необходимых для поддержания и восстановления качества изделий, входящих в эту систему. От производства до списания автомобиль периодически подвергается трем комплексам технических воздействий: при предпродажной подготовке, в гарантийный и послегарантийный периоды эксплуатации.
Для качественного выполнения ТО и ТР СТОА должны быть оснащены необходимыми постами, приспособлениями, инструментом и технической документацией. Организация ТО и ремонта должна базироваться на технологической типизации производственных процессов, обоснованных нормативах трудоемкости и продолжительности выполнения работ, на соответствии производственных возможностей СТОА потребностям в ее услугах. Работы выполняют в определенной последовательности (рис. 3).

Техническое состояние автомобилей и необходимый объем работ определяют с применением средств диагностирования на специализированных участках на рабочих местах. Диагностирование выполняют по заявкам владельцев либо в соответствии с технологией в процессе ТО и ремонта для выявления скрытых неисправностей, контроля качества выполненных работ, прогнозирования технического состояния агрегатов, узлов и автомобиля (рис. 5).

За рубежом техникой торгуют только предприятия, уполномоченные изготовителями машин представлять их интересы, рассматривать претензии по гарантиям, осуществлять ремонт в соответствии с технологией, рекомендованной изготовителями, обеспечивать поставку любых запасных частей, включенных в прейскуранты изготовителей.
Полномочный дилер {dealer – торговец) – монопольный торговец техникой и оригинальными запасными частями в определенном районе, уполномоченный продуцентом решать все вопросы по продаже, гарантии, ремонту и обеспечению запасными частями проданной техники [5].
Обычные структуры торгующих техникой зарубежных полномочных дилерских фирм:
- разработка торговой политики, мер по закреплению на рынке и расширению сбыта;
- приобретение и продажа новых машин;
- определение необходимых работ по предпродажной подготовке;
- организация рекламных мероприятий;
- формирование базы данных о клиентах;
- учет претензий по гарантиям и урегулирование соответствующих вопросов с покупателями и поставщиками машин;
- изучение рынка и конкурентов.
2. Служба реализации подержанных машин:
- приобретение и продажа подержанных машин;
- дефектовка машин, определение необходимых и целесообразных работ по предпродажному ремонту;
- учет претензий по гарантиям и урегулирование соответствующих вопросов с покупателями;
- принятие мер по утилизации непригодных для сбыта машин.
3. Служба технического сервиса:
- предпродажная подготовка новых машин;
- предпродажный ремонт подержанных машин;
- гарантийный ремонт проданных новых и подержанных машин;
- коммерческое профилактическое регламентное обслуживание техники;
- коммерческое предупредительное обслуживание (регулировки и т. п.);
- коммерческое реабилитационное обслуживание (ремонт);
- все виды обслуживания собственного парка техники;
- ремонт узлов и агрегатов для фонда восстановленных запасных частей;
- коммерческое предоставление (прокат) ремонтных мощностей желающим самостоятельно обслуживать свои машины;
- предоставление ремонтных мощностей своим сотрудникам, желающим самим ремонтировать личные машины.
4. Служба запасных частей:
- приобретение запасных частей, принадлежностей;
- передача запасных частей, принадлежностей и расходных материалов службе сервиса для предпродажной подготовки, гарантийных ремонтов, коммерческого обслуживания и ремонтов, ремонта собственного парка фирмы;
- складская обработка – разгрузка, приемка, размещение, учет, комплектация для выдачи потребителям, упаковка, отгрузка;
- коммерческая реализация запасных частей, принадлежностей и расходных материалов независимым сервисным фирмам и владельцам техники;
- складирование фонда восстановленных агрегатов;
- консультирование клиентов.
5. Офис:
- подготовка и обработка документации, счетов и т. п.;
- оказание дополнительных услуг клиентам по организации регистрации, страхования, перегона и т. д.
6. Бухгалтерия:
- бухгалтерский учет;
- контроль поступления платежей;
- оплата расходов фирмы;
- подготовка сводной финансовой документации.
Большинство дилеров – некрупные фирмы, обслуживающие один район площадью 1 – 2 тыс. кв. км, т. е. радиус обслуживания – около 50 км. каждый дистрибьютор имеет один региональный склад и от 20 (тяжелая техника) до 50 (легковые автомобили) и более дилеров. Чаще всего дилерами становятся мелкие предприятия, имеющие не более 5 механиков.
В зависимости от мощности (расчетного количества комплексно обслуживаемых автомобилей), размера (числа рабочих постов или автомобиле – мест в здании СТО), месторасположения, назначения и специализации СТО виды выполняемых ими работ и их сочетания могут быть различными.

По принципу размещения различают СТО городские и дорожные; по характеру основной производственной деятельности – гарантийные (заводов – изготовителей), комплексные, специализированные, самообслуживания; по производственной мощности и размеру – малые, средние, большие и крупные.
Городские СТО могут быть универсальными или специализированными в зависимости от вида работ и марок автомобилей. К ним относятся также заводские станции гарантийного обслуживания.
Городские СТО по мощности и размеру подразделяются на четыре типа: малые – до 15, средние – до 30, большие – до 50 и крупные – свыше 50 рабочих постов.
Система ТО и ремонта легковых автомобилей за рубежом представлена широкой сетью разных по мощности, размеру и назначению предприятий (рис. 35).

структурный состав сети СТОА за рубежом.
| Размер СТОА (число рабочих постов) | 3 - 9 | 10 —19 | 20 - 35 | 36 и более |
| Доля СТОА дайной группы в общей их сети, % | 40 —45 | 20 —25 | 15 —20 | 10 —15 |
Так как работы длительностью не более одного дня составляют 85 % всех заказов необходимо иметь сеть небольших предприятий во всех районах больших городов (оптимальное приближение к жилью 3 – 7 км). Остальные 15 % заказов приходятся на длительный ремонт и могут выполняться в крупных мастерских (на окраинах города).
Количество СТО, мастерских, пунктов ТО и Р при АЗС характеризуется следующими данными:
в США – 1 предприятие на 200 автомобилей;
во Франции – 1 на 300 автомобилей;
в Англии – 1 на 400 автомобилей.
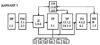
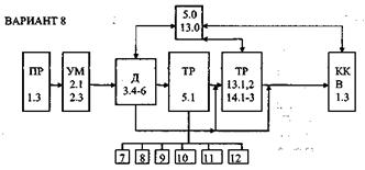
С целью обеспечения рациональной организации технологического процесса на СТО все посты (автомобиле – места) имеют определенные индексы. Например: 3.6.
3 - шифр участка, 6 - шифр вида поста
Производственные участки СТО (рис. 2.1) обозначаются следующими индексами:
– участок приемки и выдачи (единственный пост 1.3);
– участок мойки (2.2 – основной пост, 2.3 – вспомогательный пост сушки);
– участок диагностики (посты 3.4, 3.5, 3.6);
– участок ТО (посты 4.1, 4.2, 4.0);
– участок ТР (посты 5.1, 5.0);
– участок смазки (пост 6.0);
– участок ремонта и заряда аккумуляторных батарей (пост 7.0);
– участок ремонта электрооборудования и приборов (пост 8.0);

9 – участок ремонта приборов системы питания (пост 9.0);
10 – агрегатно – механический участок (пост 10.0);)
11 – шиномонтажный участок (пост 11.0);
12 – моторно – агрегатный участок (пост 12.0);
13 – кузовной участок (посты 13.1, 13.2, 13.0);
14 – окрасочный участок (посты 14.1, 14.2, 14.3).
Шифры видов постов:
0 – автомобиле – место ожидания;
1 – рабочий пост с подъемно – транспортным оборудованием;
2 – рабочий напольный пост;
3 – вспомогательный пост;
4 – рабочий пост со стендом для проверки тормозов;
5 – рабочий пост со стационарным оборудованием для проверки и регулировки углов установки колес;
6 – рабочий пост с оборудованием для проверки освещения и сигнализации, а также двигателя и его систем (возможна установка стенда для определения мощности).
Организация работ на участках ТО и ремонта определяется объемом производственной программы и суточным количеством автомобиле – заездов по однородным видам работ и предусматривает следующий порядок.
Автомобили, прибывающие на станцию для проведения ТО и ремонта, проходят мойку и поступают на участок приемки для определения технического состояния, необходимого объема работ и их стоимости. Если на станции обслуживания производится продажа автомобилей, то поступающие автомобили направляются на участок предпродажной подготовки, а оттуда в зону хранения и магазин (рис. 8.3).

Рис. 8.3. Функциональная схема станции технического обслуживания
После приемки автомобиль направляют на соответствующий производственный участок. В случае занятости рабочих постов, автомобиль поступает на автомобиле–места ожидания или хранения, а оттуда, по мере освобождения постов, направляется на тот или иной производственный участок. После завершения работ автомобиль поступает на участок выдачи.
Метод контроля предусматривает разделение работ ТО и ТР на три группы:
1. не требующие предварительного диагностирования с помощью стендов и приборов, например такие, как крепежные, смазочные и др.;
2. устанавливаемые визуально внешние неисправности и повреждения кузова;
3. требующие применения специальных стендов и приборов для выявления скрытых неисправностей в агрегатах без их разборки.
Контроль и устранение выявленных неисправностей при выполнении работ по системам и механизмам последней группы, обеспечивающим безопасность движения, согласовывают с клиентом и проводят при каждом заезде автомобиля в, а не только при ТО – 1 и ТО – 2.
После мойки, приемки и диагностики автомобиль поступает непосредственно в зону технического обслуживания и ремонта, ТО и ТР, где работы распределяются в зависимости от вида и метода организации по различным производственным участкам, затем – на участок контроля и выдачи. При необходимости качество работ определяют на постах диагностики. Когда посты диагностики и приемки заняты, а владелец автомобиля отсутствует, автомобиль поступает на автомобиле – место ожидания.
При организации работ на СТО владелец автомобиля пользуется правом проведения выборочных работ из объема ТО и ТР в любом сочетании, обязательным при этом являются предшествующие моечно – уборочные работы. Предусматривается также, что владелец автомобиля может заявить о необходимости выполнения дополнительного диагностирования. Проведению работ ТР должно предшествовать выполнение работ по ТО.
Типовые виды работ, выполняемые на СТО, условно обозначают индексами:
ПР – приемка и проведение осмотровых работ;
УМ – уборочно – моечные работы;
Д – диагностические работы;
ТО – техническое обслуживание, в том числе:
КР – крепежные работы;
РГ – регулировочные работы;
СП – работы по системе питания;
СЭ – работы по системе электрооборудования;
СМ – смазочные работы;
ТР – работы текущего ремонта, специализированные участки внепостовых работ 7... 12;
КК – контроль качества выполнения работ;
В – выдача автомобилей владельцам.
Характерные варианты возможного сочетания видов и комплексов работ по ТО и ТР автомобилей и их рациональной организации (рис.2.2):
1 – ТО в полном объеме;
2 – выборочные работы ТО по согласованию с заказчиком;
3 – ТО в полном объеме и ТР по потребности, диагностика после ТР для проверки качества;
4 – выборочные работы ТО и ТР по заказу владельца;
5 – ТО в полном объеме и ТР по результатам диагностики;
6 – аналогично варианту 5, но с ограничением объема ТО по заявке владельца;
7 – работы ТР по заявке владельца без диагностики;
8 – диагностика и необходимые по ее результатам работы ТР.
![]() | ![]() |
![]() | ![]() |
![]() | ![]() |
![]() | ![]() |
Рис. 2.2. Типовые схемы последовательности выполнения работ и прохождения постов
Под планировкой АТП понимаются компоновка и взаимное расположение производственных, складских и административно – бытовых помещений на плане здания или отдельно стоящих зданий (сооружений), предназначенных для ТО, ТР и хранения подвижного состава.
Сложность разработки планировочного решения заключается в том, что на его выбор оказывает влияние большое число факторов:
1) назначение, мощность и состав предприятия;
2) численность, тип и характеристика подвижного состава:
4) производственная программа и организация технологического процесса;
5) характеристика и размеры земельного участка;
6) применяемые строительные конструкции и материалы.
Требования, которые следует учитывать при разработке планировочных решений:
1) взаимное расположение зон и участков в соответствии с технологическим процессом;
2) отсутствие в местах интенсивного движения автомобилей пересечений их потоков;
3) возможность изменения технологических процессов и расширения производства без существенной реконструкции здания.
Технологической основой планировочного решения служат функциональная схема и график производственного процесса ТО и ТР автомобилей. Функциональная схема показывает возможные пути прохождения автомобилей различных этапов производственного процесса (рис. 5.1).

Рис. 5.1. Схема производственного процесса АТП
Количественную характеристику этого процесса, т. е. мощность суточных потоков, проходящих различные этапы производства (в единицах подвижного состава), отражает график производственного процесса (рис. 5.2). Схема и график способствуют рациональному размещению основных зон (хранения, ЕО, ТО – 1, ТО – 2 и ТР) и организации движения.

Рис. 5.2. График производственного процесса АТП
Схема технологического процесса и график определяют ряд технологических маршрутов, которые устанавливаются для автомобиля в зависимости от его технического состояния, плана ТО и режима работы.

Рис. 5.3. Технологические маршруты (варианты)







