Станции управления
Станции управления (СУ) – это объединенная общая конструкция комплектного устройства, предназначенного для дистанционного управления электроустановкой.
В схему добавлены аппараты защиты, а также, элементы для обеспечения блокировок с другими устройствами.
Самой простой станцией управления является магнитный пускатель, предназначенный для пуска АД с к.з. ротором при мощности менее 75 кВт.
![]() |
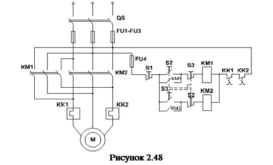
Пример реверсивного магнитного пускателя – на рисунке 2.48, где приняты обозначения: QS – не автоматический выключатель; FU1 ¸ FU2 – предохранители для силовой цепи и цепи управления; KM1, KM2 - реверсивные контактеры; KK1, KK2 – тепловые реле; S1 ¸ S3 – кнопочная станция.
Схема обеспечивает: пуск двигателя по естественной характеристике, реверс с торможением противовключением, останов (S1) под действием Мс на выбеге.
В схеме предусмотрены защиты: максимальная токовая (с помощью предохранителей), тепловая (с помощью тепловых реле), нулевая (осуществляется контактором).







