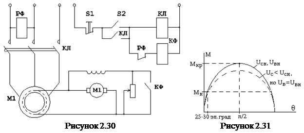
Назначение: защищает СД, работающий с резкопеременной нагрузкой от выпадания из синхронизма при снижении напряжения сети.
Осуществляется с помощью реле форсировки (реле напряжения), посредством которого повышается напряжение на обмотке возбуждения (см. рисунок 2.30).
В соответствии с рисунком 2.31 угловая характеристика показывает как меняется М в зависимости от угла q.
На рисунке 2.31 приняты обозначения:U – напряжение на статоре; Е – ЭДС в роторе; q = (25¸300) соответствует Мн.
Uc < Ucн; Uв < Uвн – допускается в течении очень короткого времени.
![]() |
При снижении напряжения на 20% отключается РФ и включается КФ, который шунтирует Rдоб в цепи обмотки возбуждения возбудителя. Это вызывает увеличение напряжения и восстановление перегрузочной способности двигателя приблизительно на прежний уровнь.







