Назначение: защищает обмотку возбуждения ДПТ и СД от перенапряжений, вызванных отключением, либо обрывом цепи.
![]() |
Осуществляется с помощью разрядных резисторов, которые включаются как можно ближе к клеммам этих обмоток (см. рисунок 2.32).
Разрядный резистор Rp выбирается из условий ограничения перенапряжений на уровне Uпер ср £ 1000В.
1) UН = 110В; Rp = 9 RВ;
2) UН = 220В; Rp = 4,5 RВ;
3) UН = 440В; Rp = 2,25 RВ.
Чтобы в нормальном состоянии при замкнутом ключе резистор не обтекался током ставят диод. На диаграммах токов и напряжений обмотки возбуждения, защищенной разрядным резистором с диодом (см. рисунок 2.33а) и только одним диодом (рисунок 2.33б):
IВН = UН / RВ, Uпер ср = IВН RВ.
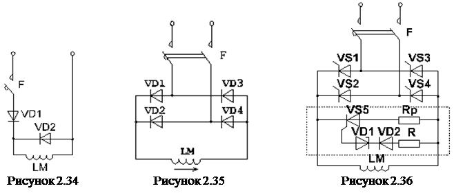
Примеры схем защиты от перенапряжения:
1) неуправляемая схема (рисунок 2.34);
Напряжение вдвое понижается, а ток не снижается (ток гасится). VD2 – ставится для защиты от перенапряжения;
2) неуправляемая схема (рисунок 2.35);
3) полууправляемая схема;
3) 
полностью управляемая схема на рисунке 2.36, где приняты обозначения: ЭЗ – элемент защиты; VD1 – стабилитрон; Rp – разрядный резистор;







