Для определения уровня сыпучих материалов в бункерах используются мембранные датчики уровня, которые крепятся в отверстии стенки бункера. В них мембрана воздействует на контакты, замыкая или размыкая цепь управления загрузочными или разгрузочными устройствами.
Насосный агрегат включается на откачивание жидкости из резервуара. Отключение агрегата произойдет при снижении уровня ниже длинного электрода.
Струйное реле предназначено для контроля наличия потока (струи) жидкости в трубопроводе.
Реле контроля заливки предназначено для контроля заливки гидравлической полости центробежных насосов.
Они могут работать на принципе поплавка, но в настоящее время наибольшее распространение получили реле мембранного типа.
Такие реле устанавливаются выше уровня насоса от 0,3 до 0,5 м. При заливке полости насоса жидкостью мембрана прогибается, перемещая прикрепленный к ней шток, что переключает контактную систему реле, разрешая пуск насоса.
После снижения давления в полости мембрана пружиной возвращается в исходное положение.
|
|
|
Достоинством мембранных реле является большая чувствительность и способность выдерживать высокие давления. Такие реле применяют при заливке насосных агрегатов с помощью вакуум-насоса.
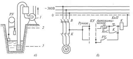
На рис., а показана схема автоматизации простейшей насосной установки — дренажного насоса 1, а на рис., б приведена электрическая схема этой установки. Автоматизация насосной установки осуществляется с помощью поплавкового реле уровня. Ключ управления КУ имеет два положения: для ручного и автоматического управления.

Рис.. Конструкция дренажной насосной установки (а) и ее электрическая схема автоматизации (б)