Рис. IX. 14
Рис. IX. 12
Двухступенчатая передача (Рис. IX. 12, а) достаточно применима в механике и может использоваться с различными особенностями компоновки. В связи с габаритным разбросом более рациональным является использование соосной компоновки передачи (Рис. IX. 12, б):
.
Некоторые особенности наблюдаются в схемах компоновки передач с внутренним зацеплением (Рис. IX. 13).

Рис.IX. 13
Для таких передач множитель (-1) k не применим, т.к. здесь есть и внешние, и внутренние зацепления.
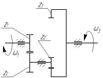
В оборудовании химического производства большое применение имеют планетарные редукторы (Рис. IX. 14), главным достоинством которых является компактность при относительно больших передаточных отношениях и равномерность распределения нагрузки на все элементы передачи.

а) б)
Неподвижное колесо 3 называется опорным, входная шестерня 1 – центральным (или солнечным) колесом, колесо 2 с подвижной осью – сателлит – имеет внешнее и внутреннее зацепление соответственно с центральным колесом 1 и неподвижным колесом 3, выходной вал вместе с корпусом подшипников промежуточного вала 2 называется водилом. Обкатываясь по центральному колесу 1, промежуточное колесо 2 увлекает за собой водило.
|
|
|
Главной проблемой при проектировании планетарных передач является общее передаточное отношение uобщ:
.
В связи с числом зубьев этой планетарной передачи:
,
передаточное отношение u1,Н рассчитывается с использованием теоремы Виллиса. Принцип метода Виллиса заключается в мысленном вращении всего механизма со скоростью водилы в обратном направлении (метод обращенного движения), при этом водило останавливается, а неподвижное колесо 3 начинает вращаться:

и

Планетарная передача превращается в механизм обыкновенного ряда:
,
где k =1, тогда:
.
Сателлит 2 не влияет на общее передаточное отношение, т.е. является паразитным колесом, тогда в процессе проектирования мы можем назначить произвольное число зубьев z 2.
Используя свойство угловой скорости ω как вектора, направленного по нормали к плоскости вращения, передаточное отношение u1,3 можно расписать как:
.
Тогда с учетом того, что колесо 3 передачи является неподвижным, т.е.:
,
получим:
.
Как правило, u1,Н задано или находится в процессе проектирования, тогда:
.
Для дальнейшего проектирования необходимо учесть условие зацепления:

и технологическое требование исходя из условий нарезания зубьев:
.
Червячные передачи (Рис. IX. 15) по сравнению с другими видами передач отличаются плавностью хода, бесшумностью работы, компактностью и большим передаточным отношением, в связи с чем имеют большое применение в промышленности.
|
|
|

Рис. IX. 15
Однако главной особенностью и недостатком передачи является наличие большого усилия трения между зубьями червяка и зубьями червяного колеса, что приводит к необходимости обильной смазки. Особым преимуществом червячных передач является эффект самоторможения, который заключается в том, что вращение возможно только от червяка к червячному колесу, обратного хода – нет.
Червячные редукторы относятся к классу гиперболических передач, в основу которого заложено пересечение гиперболоидов (Рис. IX. 16).

а) б)






