Генератор с внешним возбуждением (ГВВ) – генератор, вырабатывающий электрическое колебание с заданными параметрами под воздействием возбуждающего колебания (ГВВ, генератор с независимым возбуждением). К ним относятся усилители мощности (УМ) и умножители частоты (УЧ) на активных элементах.
Автогенератор (АГ) – генератор, вырабатывающий электромагнитные колебания без воздействия возбуждающего колебания.

КЦ – колебательная цепь,
АЭ – активный элемент,
ИП – источник питания.
Функциональная схема АГ


Питание по входу называется смещением, а по выходу просто питанием.
Функциональная схема ГВВ с питанием и смещением

ЦП – цепь питания;
ИП – источник питания;
ЦС – цепь смещения;
ИС – источник смещения.
ЦП и ЦС могут быть последовательными и параллельными.
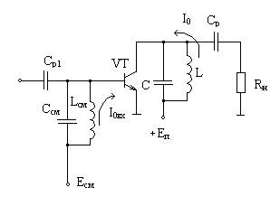
Последовательное питание – активный элемент, колебательная цепь и источник питания соединены последовательно.

Признак последовательной цепи – постоянная составляющая тока проходит через колебательную цепь.
|
|
|
Свойства последовательной цепи:
- простота
- КЦ под постоянным напряжением
- индуктивность должна быть рассчитана на постоянный ток.
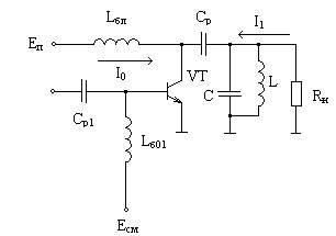
Параллельное питание - активный элемент, колебательная цепь и источник питания соединены параллельно.

Признак параллельной цепи - постоянная составляющая через КЦ не проходит.
Последовательное смещение


Параллельное смещение

Для ламп обычно используется автоматическое смещение по выходу


Автоматическое смещение по входу

Параллельное питание

Последовательное питание
