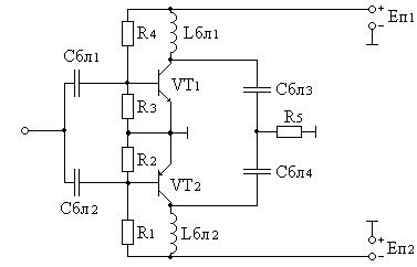
В ряде случаев требуется строить генераторы и передатчики таких больших мощностей, которые не могут быть получены от одной или небольшого числа существующих типов ламп или транзисторов. Для этих целей применяется двухтактное включение АЭ. Двухтактная схема подразумевает последовательную работу усилительных приборов в течение одного периода. Т.е. пол периода через нагрузку течет ток одного усилительного прибора, а пол - другого.

Выходные каскады, как и все каскады передатчика, работают в режиме колебаний второго рода. Ток через нагрузку протекает в течение одного полупериода от каждого усилительного прибора. Эти токи текут навстречу друг другу и представляют косинусоидальные импульсы, которые могут быть разложены в ряд Фурье на постоянную составляющую и сумму гармоник. Постоянная составляющая и все четные гармоники взаимоуничтожаются. Если выбрать режим класса В, для которого коэффициент Берга для третьей гармоники равен нулю, то на нагрузке выделится удвоенная первая гармоника.
|
|
|
В транзисторных схемах передатчиков в двухтактных схемах используются разнополярные транзисторы. Достоинство таких схем том, что не требуется симметричного возбуждения каскадов как в ламповых схемах.
Симметричное возбуждение схемы усложняет ее. В то же время несимметричное возбуждение легче осуществить технически и оно дает возможность использовать в предыдущем каскаде однотактную схему. Симметричный выход требует применения двухпроводной линии для связи с антенной. При этом антенна должна иметь симметричный вход.

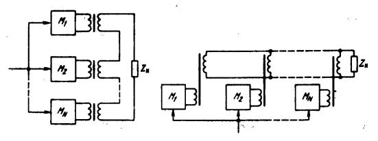
Можно осуществлять сложение мощностей нескольких ВЧ генераторов, выполненных в виде идентичных модулей и подключаемых параллельно либо последовательно с помощью широкодиапазонных трансформаторов или резонансных ЦС к обще нагрузке Zн.

Однако при таком суммировании сохраняются недостатки параллельного и двухтактного включений ламп и транзисторов: требуются идентичность и синфазность работы отдельных генераторов, симметрия схемы, сохраняется взаимное влияние и, значит, резко снижается надежность работы всего устройства. В частности, авария одном из генераторов или модулей (короткое замыкание иди разрыв иего выходных клеммах) может привести к аварийному режиму работ всех остальных, поскольку нагрузка для них может стать близкой к нулю или холостому ходу. Поэтому такой способ сложения используете сравнительно редко, например при построении сверхмощных относительно низкочастотных транзисторных генераторов, в которых при работе транзисторов в ключевом режиме с высоким КПД обеспечивается высокая надежность, а разброс параметров транзисторов сводится к минимуму.
|
|
|
Сложение мощностей можно осуществлять в пространстве при работе двух или более автономных передатчиков на одной частоте от одного возбудителя на разные антенны. В этом случае происходит сложение электромагнитных полей, создаваемых антеннами. Для ослабления связи между передатчиками, точнее между их выходными каскадами через антенны, последние располагают на расстоянии не менее Зλ/4 одна от другой. При этом антенны должны питаться синфазными токами. Если вводить некоторую разность фаз в токи, питающие антенны, то можно изменять (поворачивать) диаграмму излучения антенн. Введением специальных фазовращателей можно поворачивать диаграмму направленности излучения.

В диапазонах ДВ к СВ из-за больших геометрических размеров антенн ограничиваются сложением мощностей, как правило, не более двух передатчиков. В диапазоне KB такой способ повышения излучаемой мощности и изменения диаграммы направленности используется широко. Например, четыре передатчика мощностью по 1 кВт при расстановке штыревых антенн на 5 м и соответствующем фазировании эквивалентны одному передатчику мощностью 16 кВт. На радиопередающих центрах внедрено в эксплуатацию пространственное сложение четырех передатчиков мощностью 250 кВт каждый.
В диапазоне сантиметровых волн, где геометрическая длина отдельных элементарных полуволновых вибраторов и расстояния между ними получаются небольшими, а ВЧ генераторы на полупроводниковых приборах при уровне мощности 1... 10 Вт имеют малые габаритные размеры, удается в небольшом объеме на малой площади установить до 100... 1000 отдельных ВЧ генераторов и антенн. Тем самым колебательная мощность повышается на два-три порядка при высокой надежности, поскольку выход из строя единиц и даже десятков отдельных ВЧ генераторов незначительно сказывается на работе такого передатчика и снижении его мощности. Введением соответствующей фазировки отдельных ВЧ генераторов формируется узкая, поворачивающая в широких пределах диаграмма направленности. Такие устройства принято называть фазированными антенными решетками.
В современных генераторных устройствах различных диапазонов волн широкое применение получил метод сложения мощности с помощью мостовых схем. В этом случае при суммировании мощностей двух и более генераторов обеспечивается их взаимная электрическая развязка. Каждый из генераторов работает независимо от других на оптимальную для него нагрузку, в то время как у остальных генераторов режим по ВЧ может меняться вплоть до короткого замыкания или холостого хода. Вследствие этого достигается высокая надежность передатчика. Даже в тех случаях, когда заданную мощность можно получить от одного ЭП, передатчик часто выполняют в виде нескольких менее мощных ВЧ генераторов или модулей с последующим суммированием их мощностей в мостовых схемах. При этом выход из строя М генераторов (аварийный режим) не нарушает работу остальных N - М и только уменьшает мощность передатчика. Снижение мощности с
до

объясняется тем, что часть мощности оставшихся N - М генераторов

начинает выделяться в балластных сопротивлениях мостовой схемы.
По условиям эксплуатации обычно допускается некоторое кратковременное снижение выходной мощности передатчика. Наиболее вероятен выход из строя одного из генераторов (М = 1), поэтому уменьшение мощности передатчика будет в
раз. Исходя из этих соображений можно определить необходимое число модулей N и мощность каждого из них:
Например, если допустима работа с понижением мощности до 50 %, то достаточно, чтобы передатчик содержал четыре модуля, поскольку (4- 1)2/42 = 0,56. Часто УКВ ЧМ генератор строится в виде двух полукомплектов. При выходе одного из них мощность передатчика, должна была бы снизиться в 4 раза [(2 - 1)2/22 = 0,25]. Однако предусматривается схема обхода моста, поэтому мощность в нагрузке снижается всего в 2 раза. Одновременно обход моста позволяет устанавливать его балластное сопротивление на рассеиваемую мощноегь, существенно меньшую 0,25 Рн ном.
|
|
|
Принцип работы и свойства мостовой схемы рассмотрим на примере суммирования мощностей двух идентичных синфазных генераторов Г1, и Г 2. Классическая мостовая схема, содержит четыре резистивных нагрузочных сопротивления.

При
выполняется условие баланса моста, т. е. напряжение от одного из генераторов не поступает на выход другого, и генераторы работают независимо друг от друга. При равенстве R1 = R2 = R3 = RA = R генераторы нагружены на сопротивления ZBX1 = R и ZBХ2 = R. Токи обоих генераторов
суммируются в двух нагрузочных сопротивлениях RH = R ивычитаются в двух балластных сопротивлениях RБ = R. Bрезультате мощности, выделяющиеся в нагрузочных и балластных резисторах, соответственно равны:

Если
, то вся мощность поступает в полезную нагрузку. В общем случае, когда
КПД моста, равный отношению мощности в нагрузке к суммарной мощности, определяется отношением

где
— фазовый сдвиг между токами двух генераторов. На
основании этого соотношения, справедливого и для других рассмотренных ниже мостовых схем, построены графики зависимости КПД от к и φ соответственно.

Видно, что КПД мостовой схемы остается высоким даже в том случае, когда токи неточно равны по амплитуде и неточно синфазны. Если амплитуды различаются не более чем на 20 %, а сдвиг фаз не превышает 40%, КПД снижается до 0,87, т. е. только 13 % суммарной мощности теряется на сопротивлении RБ.
Отметим, что при φ =180° — противофазной работе двух генераторов — сопротивления RН и RБ меняются «ролями».
Наихудшим случаем является отключение одного из генераторов, что приводит к уменьшению КПД до 0,5, а мощности в нагрузке в 4раза, так как половина мощности второго работающего генератора выделится в балластном резисторе. Поэтому при выключении одного из генераторов целесообразно, особенно в мощных устройствах, переключить второй работающий генератор с моста сложения непосредственно на нагрузку, с тем чтобы избежать потери мощности в балластном резисторе. Обычно это делается автоматически с помощью системы обхода моста.
|
|
|
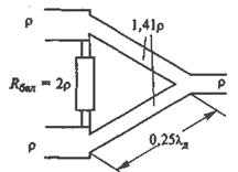
Для практического применения рассмотренная схема оказывается непригодной, поскольку, во-первых, содержит по два нагрузочных и балластных резистора и, во-вторых, даже при соединении с корпусом одной из точек схемы оказываются не соединенными с корпусом один из генераторов и по одному из нагрузочных и балластных резисторов. Включением дополнительных трансформаторов, осуществляющих переход от симметричной к несимметричной нагрузке, можно соединить с корпусом второй генератор и вторые нагрузочный и балластный резисторы. Одновременно можно объединить в один нагрузочный и один балластный резисторы. При этом возможно большое многообразие вариантов построения мостовых схем.

Для повышения мощности генераторов применяются также сумматоры.
Сумматор кольцевого вида строится на основе устройств синфазного типа, в частности шестиполюсника, топология которого приведена на рисунке. Шестиполюсник состоит из двух отрезков линий длиной по 0,25lд и балластного сопротивления величиной 2r. Значения волновых сопротивлений линий показаны на рисунке.

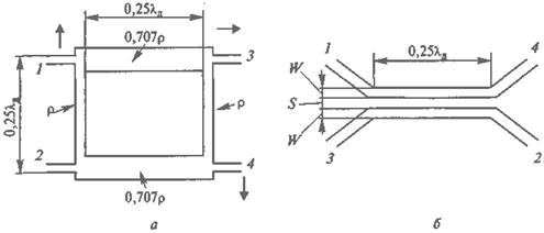
Конструкции СВЧ мостового устройства, два типа которого - со шлейфами и на связанных несимметричных МПЛ.

Каждый из четырех входов мостового устройства связан с двумя другими и развязан с третьим. При подведении сигнала к одному из входов устройство является делителем мощности, при одновременном возбуждении двух входов с соблюдением определенного фазового соотношения - сумматором мощностей сигналов. В мостовых устройствах, попарно развязаны по два входа: 1 - 2 и 3 - 4.
Сигнал, подведенный ко входу 1, поровну делится между входами 3 и 4. Причем на входе 3 он сдвинут по фазе на 90°, а на входе 4 - на 180° по отношению к сигналу на входе 1. Разница в сдвиге фаз на 90° и обусловливает название устройства как квадратурного. При подведении ко входам 1 и 2 двух одинаковых сигналов равной мощности Р1, сдвинутых по фазе на 90°, на входе 3 или 4 появится суммарный сигнал мощностью 2Р1. Мостовое устройство относится к цепям взаимного типа, что означает сохранение его свойств при изменении номера входа, к которому подводится сигнал.