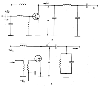
Три режима работы транзисторного генератора. Две схемы ВЧ генераторов с внешним возбуждением - одна с биполярным, другая с полевым транзистором.

Исследование транзисторного генератора проводится по плану, состоящему:
- в определении с помощью вольт-амперных характеристик прибора форм тока и напряжения на его выходе при подаче на вход синусоидального сигнала;
- расчете энергетических параметров генератора: выходной мощности 1-й гармоники
, потребляемой мощности
от источника постоянного тока и КПД генератора
;
- определении мощности входного сигнала
и коэффициента усиления генератора по мощности
;
в построении динамических, нагрузочных, амплитудных и частотных характеристик.
Несмотря на разный физический характер процессов, протекающих в электровакуумном приборе, биполярном и полевом транзисторах, ввиду формального сходства их ВАХ анализ выходной цепи во в основном совпадает. Так, в транзисторных генераторах, как и в ламповых, возможны недонапряженный, граничный и перенапряженный режимы работы. При внешнем сходстве этих режимов в трех типах генераторов следует знать разный физический механизм их протекания. При биполярном транзисторе динамическая характеристика располагается:
|
|
|
- в случае недонапряженного и граничного режимов работы в двух областях - активной (2) и отсечки (1);
- в случае перенапряженного режима работы в трех областях - отсечки (1), активной (2) и насыщения (3). При этом провал в импульсе коллекторного тока происходит по причине захода рабочей точки (координаты
) в область насыщения и перехода коллекторного р-n-перехода в открытое состояние.
В недонапряженном и граничном режимах импульсы коллекторного тока при работе с отсечкой имеют косинусоидальную форму. Примеры форм импульса коллекторного тока в перенапряженном режиме работы показаны на б-г. При наличии только активной составляющей в нагрузке провал в импульсе располагается посредине (б), при добавлении к ней емкости - сдвигается влево (в), индуктивности - вправо (г).

В транзисторных ГВВ с повышением частоты
усиливаемого сигнала и приближении к граничной частоте уменьшается КПД и снижается выходная мощность
.
Ухудшение данных параметров генератора связано как с увеличением потерь в цепи коллектора при биполярном транзисторе или цепи стока при полевом транзисторе, так и с изменением форм выходного тока и напряжения. В первом приближении это изменение параметров генератора можно учесть с помощью зависимости крутизны линии граничного режима
от частоты
. При этом вместо крутизны можно использовать обратный ей параметр - сопротивление насыщения, определяемое согласно:
.
|
|
|
В результате формула по определению коэффициента использования напряжения питания в граничном режиме для транзисторного генератора примет вид
,
где в случае биполярного транзистора:
- напряжению питания коллектора, коэффициент
; в случае полевоro транзистора:
- напряжению питания стока, коэффициент 
Имеется отличие и в определении угла отсечки
. В ламповом гeнераторе анодно-сеточная характеристика, с помощью которой определяется угол отсечки, сдвинута влево. В биполярном транзисторе характеристика коллекторного тока, служащая для определения
, сдвинута вправо.


Поэтому косинус угла отсечки 
где
; - напряжение отсечки;
- внешнее смещение;
- амплитуда входного ВЧ напряжения.
В полевом транзисторе при характеристике тока стока, выходящей из начала координат значение
=0. В остальном методика расчета выходной цепи транзисторных генераторов совпадает с методикой расчета анодной цепи лампового генератора. Расчет входной цепи в трех типах генераторов значительно отличается друг от друга. Ориентировочный расчет входной мощности генератора с биполярным транзистором при схеме с общим эмиттером. При открытом эмиттерном переходе его сопротивление весьма мало, и поэтому можно принять активную составляющую входного сопротивления транзистора на высокой частоте:
. Коэффициент передачи тока при
или
. Будем считать, что данное соотношение справедливо и для первых гармоник коллекторного и базового токов:
. В результате для мощности входного сигнала при
получим
.
Для коэффициента усиления биполярного транзистора по мощности при
с учетом
имеем
,
где
- сопротивление нагрузки по 1-й гармонике сигнала в коллекторной цепи. Таким образом, коэффициент усиления по мощности в генераторе с биполярным транзистором уменьшается с повышением частоты усиливаемого сигнала. Ориентировочный расчет входной мощности генератора с полевым транзистором при схеме с общим истоком. В высокочастотном диапазоне при
амплитуда импульса тока стока по аналогии с ламповым генератором
,
где
- амплитуда входного напряжения затвор-исток.
Из
для требуемой амплитуды входного напряжения получим
,
где
- амплитуда 1-й гармоники тока стока;
- коэффициент разложения косинусоидального импульса.
Для коэффициента усиления полевого транзистора по мощности при
с учетом имеем
,
где
- сопротивление нагрузки по 1-й гармонике сигнала в цепи стока;
- входное сопротивление транзистора на частоте сигнала.
Согласно
в полевом транзисторе, как и в биполярном, коэффициент усиления прибора по мощности уменьшается с повышением частоты усиливаемого сигнала. Рассчитав коэффициент усиления
, можно определить требуемую мощность входного сигнала
.