Классификация триггерных устройств
В настоящее время применяется широкое разнообразие триггерных устройств, которые отличаются выполняемой функцией, схемотехнической реализацией, способом записи информации.
В интегральной схемотехнике используются триггеры потенциального типа.
Триггеры классифицируются:
А) По способу синхронизации и записи информации на асинхронные и синхронные; Способ синхронизации и записи информации определяет временную диаграмму (алгоритм) записи информации.
В асинхронных триггерах запись информации идет с поступлением информационного сигнала, т.е. непосредственно при подаче сигналов на информационный вход (входы).
Асинхронные триггеры подразделяются на триггеры с внутренней задержкой и триггеры с управлением уровнем входного сигнала;
В синхронных триггерах запись информации происходит с поступлением информации на информационные входы и только после тактового сигнала, т.е. в синхронных (тактируемых) триггерах состояние изменяется при подаче на специально выделенный управляющий вход синхронизирующих (тактирующих) сигналов после изменения значений сигналов на информационных входах;
|
|
|
Синхронные триггеры подразделяются на триггеры с управлением уровнем синхросигнала (срабатывание в момент поступления синхроимпульса) и триггеры с внутренней задержкой (срабатывание после окончания действия синхроимпульса), которые в свою очередь бывают однотактными и многотактными триггерами.
Б) По способу управления информацией различают триггеры со статическим, динамическим, одноступенчатым и многоступенчатым управлением;
В) По способу организации логических связей (алгоритму функционирования) различают триггеры типа RS, D, T, TV, DV, JK, JK-JK. Функциональная классификация определяется алгоритмом переключения триггера, т.е. функцией переходов и функцией выходов, описываемые в таблице переходов, логическими уравнениями или матрицей переходов.
Приняты следующие буквенные обозначения в схемотехнике триггерных устройств:
- R (от англ. Reset - сброс) - раздельный вход установки триггера в состояние 0 (отключенное);
- S (от англ. Set - установка) - раздельный вход установки триггера в состояние 1 (включенное);
- К (от англ. Kill - внезапное отключение) - вход раздельной установки универсального триггера в состояние 0 (отключено);
- J (от англ. Jerk -внезапное включение) - раздельный вход установки универсального триггера в состояние 1;
- D (от англ. Delay - задержка) - информационный вход установки триггера в состояние, соответствующее логическому сигналу на этом входе (0 либо 1);
- Т (от англ. Toggle - релаксатор) - счетный вход триггера;
|
|
|
- С (от англ. Clock - источник сигналов синхронизации) - исполнительный управляющий (синхронизирующий) вход.
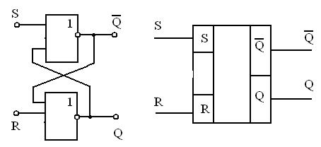
3.1 RS-триггер представляет собой устройство с двумя устойчивыми состояниями и двумя информационными входами R и S. Условно-графическое обозначение синхронного (синхронизируемого) RS-триггера на базисных элементах ИЛИ-НЕ приведена на рисунке 3.1.

Рисунок 3.1 – Условно-графическое обозначение RS-триггера
3.2 Таблица переходов RS-триггера на элементах или-не
| Q(t) | Q(t+1) | |||
| RS | RS | RS | RS | |
| * | ||||
| * |
Функция переходов описывается переключательной функцией для асинхронного триггера:
Q(t+1) = S(t+1) + Q(t)
(t+1) при условии, что R∙S ≠1
Переход триггера на элементах или-не из одного состояния в другое происходит при изменении уровня информационного сигнала из лог.0 в лог.1, т.е. триггер активен на положительный перепад сигнала.

Рисунок 3.2 – Активное состояние входных сигналов для триггера на элементах или-не
3.3 Алгоритм работы триггера (на элементах или-не)
| Qt | Rt | St | Qt+1 | Комментарий |
| 0 (Qt) | Состояние «Хранение 0», не изменяется состояние | |||
| Установка, т.е переход в «1» | ||||
| 0 (Qt) | Состояние не изменяется, подтверждение состояния «0» | |||
| * | Неопределенное состояние | |||
| 1 (Qt) | Состояние «Хранение 1» не изменяется состояние | |||
| 1 (Qt) | Состояние не изменяется, подтверждение состояния «1» | |||
| Сброс, т.е. установка «0» | ||||
| * | Неопределенное состояние |

Рисунок 3.3 - Диаграмма состояний RS-триггера построенного на элементах или-не
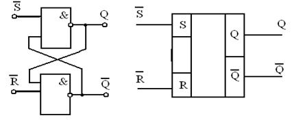
3.3 Схема RS-триггера на элементах и-не

Таблица переходов RS-триггер (на элементах и-не)
| Q(t) | Q(t+1) | |||
| RS | RS | RS | RS | |
| * | ||||
| * |
Переход триггера на элементах и-не из одного состояния в другое происходит при изменении уровня информационного сигнала из лог.1 в лог.0, т.е. триггер активен на отрицательный перепад сигнала.

Рисунок 3.3 – Активное состояние входных сигналов для триггера на элементах
и-не
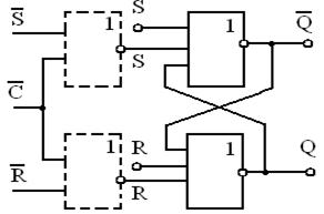
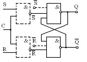
3.4 Схемы синхронных RS-триггеров на элементах или-не, и-не


Рисунок 3.5 – RS-триггер на элементах или-не (асинхронный с прямыми входами, синхронный с инверсными входами)


Рисунок 3.4 – RS-триггер на элементах и-не (синхронный с прямыми входами, асинхронный с инверсными входами):
Функциональное назначение RS-триггера: реализация задержки на один такт или запоминание двоичной переменной за время не менее двойной задержки одного логического элемента tmin = 2t3ср.