РЕЛЕ
Реле – это аппараты, которые производят автоматическое переключение контактов в цепи управления другого аппарата. Сами реле не производят переключения в главной цепи коммутирующего аппарата, который включает и отключает электроустановку, они только передают команду другому аппарату.
Реле различаются по конструкции, выполняемым функциям и принципу действия. По параметру, на изменение которого реагирует реле, различают реле токовые, напряжения, мощности, частоты, тепловые, газовые. По принципу действия воспринимающих органов реле бывают электромагнитные, поляризованные, индукционные, электродинамические, ионные и др.
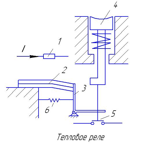
Тепловое реле служит для защиты двигателей от длительных перегрузок на 10 – 20%. Наибольшее распространение получили тепловые реле с биметаллической пластинкой.
Тепловое реле состоит из нагревательного элемента 1, биметаллической пластины 2 (спай двух металлов с различными коэффициентами теплового расширения). При прохождении тока по нагревательному элементу биметаллическая пластина нагревается и, если нагрузка двигателя больше номинальной, настолько деформируется, что рычаг 3, освободившись от опоры, поворачивается под действием пружины 6вокруг оси и размыкает контакты 5. Двигатель отключается от электрической сети.
Через некоторое время пластина 2 остынет, примет свою первоначальную форму и тогда с помощью кнопки возврата 4 вручную можно возвратить рычаг 3 в рабочее положение и замкнуть контакты 5. Реле снова готово к работе.

Максимальное токовое реле применяют для защиты двигателей от токов короткого замыкания.
Катушку 1 реле включают последовательно с защищаемой цепью, поэтому в ней протекает рабочий ток электроустановки. Катушку реле выполняют из небольшого числа витков толстого провода, чтобы ее сопротивление было малым. Создаваемый током магнитный поток замыкается по сердечнику 7, скобе 6 и якорю 4. при протекании по катушке тока, равному номинальному или несколько превышающего его, якорь 4 удерживается в положении, указанном на рисунке, пружиной 5.
Если ток в цепи превысит номинальное значение в несколько раз, что имеет место при коротком замыкании, то возникающая магнитная сила станет столь велика, что якорь 4 притянется к сердечнику 7, преодолевая силу пружины 5. При этом контакт 3 разомкнется, а контакт 2 замкнется. Контакты 3 реле включают в цепь управления контактора или другого аппарата, поэтому при их размыкании контактор отключает двигатель.
Ток срабатывания максимального токового реле регулируется натяжением пружины 5. Обычно выбирают ток срабатывания I сраб = (2…3) I ном

Устройство максимального токового реле
Время срабатывания реле (время от момента возникновения сверхтока в катушке до момента размыкания контактов 3) составляет 0,02…0,15 сеунд. Чем больше ток, тем меньше время срабатывания. Максимальное токовое реле может быть настроено на защиту от чрезмерных перегрузок.
После срабатывания реле и отключения контактором электродвигателя магнитный поток в реле исчезает и якорь отпадает от сердечника. Такое реле называют реле с самовозвратом. Другие конструкции реле имеют ручной или электромагнитный возврат якоря в исходное положение.
Реле напряжения по принципу действия и устройству подобно максимальному токовому реле. В отличие от него катушку реле напряжения наматывают из тонкого провода, она имеет большое число витков и сопротивление, Катушку включают на напряжение сети, и реле реагирует на изменение напряжения. Различают реле максимального и минимального напряжения.
Реле максимального напряжения работает так, что при повышении напряжения на определенное значение по сравнению с номинальным и связанным с ним увеличением тока и магнитного потока якорь притягивается к сердечнику, контакты размыкаются и подается команда коммутирующему аппарату.
Реле минимального напряжения имеет один контакт, разомкнутый при номинальном напряжении. При понижении напряжения уменьшается ток в катушке реле и магнитный поток. Якорь не может удержаться у сердечника, он отпадает, контакт замыкается, и реле срабатывает.
Реле времени применяют в схемах автоматического управления, если надо обеспечить необходимые выдержки времени, чтобы получить определенную последовательность срабатывания аппаратов и через определенные промежутки времени.

Плавкие предохранители предназначены для защиты электроустановок от токов короткого замыкания и длительных перегрузок. Они получили свое название от плавкой вставки – их основной детали. Плавкая вставка изготавливается из легкоплавких металлов и их сплавов (свинца, олова, цинка, иногда меди и серебра) и включают последовательно с защищаемой электроустановкой.
По всей электрической цепи, состоящей их последовательно соединенных предохранителя, проводов и электроустановки, по которым протекает один и тот же ток, самым слабым местом в тепловом отношении является плавкая вставка предохранителя. При протекании номинального тока она не расплавляется. Если же по каким то причинам (короткое замыкание огромная перегрузка) ток в цепи увеличивается, то температура плавкой вставки повышается и через некоторое время она расплавляется. Это равносильно отключению электроустановки.
Конструктивно предохранители делятся на предохранители пробочного типа и трубчатые.
Предохранители пробочного типа имеют фарфоровый корпус и плавкую вставку на 6, 10, 15 или 20 а. Номинальным током предохранителя является ток 20 А.
Трубчатые предохранители применяют в сетях напряжением до 1000 В, выпускают на токи 1000 А. Он состоит из фибровой трубки 1, плавкой вставки 2 и латунных колпаков 3, которые являются контактными частями.
Для защиты сетей с малыми токами (радиоприемники, телевизоры и т. п.) применяют предохранители со стеклянным патроном и плавкой вставкой в виде тонкой проволоки.
В силовых сетях широкое распространение получили предохранители с закрытыми разборными патронами без наполнителя серии ПР-2 на токи патронов 15…1000 А и плавких вставок 6…1000 А.






