Электроприемники по требуемой надежности и бесперебойности электроснабжения делятся на три категории:
1) потребители I категории, перерыв в подаче электроэнергии к которым влечет за собой опасность для людей или значительный материальный ущерб от повреждения оборудования, массового брака продукции или длительного расстройства сложного технологического процесса производства.
Электроприемники I категории снабжаются энергией от двух независимых источников, каждый из которых должен в полной мере обеспечить электрической энергией потребителя. В качестве второго источника электропроприемников I категории малой мощности допускается использовать передвижные электростанции, мощность которых находится в пределах 9–60 кВ∙А и более, и аккумуляторные батареи;
2) электроприемники II категории, перерыв в электроснабжении которых приводит к существенным потерям продукции, простоям людей, механизмов и транспорта.
Для потребителей II категории число фидеров (кабельных входов), их сечение, число и мощность трансформаторов выбираются таким образом, чтобы было обеспечено резервирование по возможности без дополнительных затрат;
3) электропроприемники III категории, которые особых требований к надежности и бесперебойности электроснабжения не предъявляют. К ним относятся жилые поселки, вспомогательные цехи, отдельные электромеханические объекты.
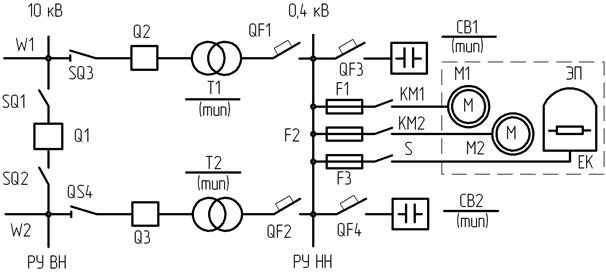
Принципиальная схема СЭС такого участка (цеха, предприятия, площадки) с ПТП, в которую входят РУ ВН,два понижающих трансформатора Т1и Т2, РУ НН,две конденсаторные батареи СВ1и СВ2и распределительные сети электроприемников ЭП,представлена на рис. и показывает ее состав, преобразование и передачу электрической энергии. От ЛЭП W 1и W 2энергия через РУ ВН,разъединители QS 1– QS 4, высоковольтные автоматические выключатели нагрузки Q 1 и Q 3, трансформаторы Т1 и Т2, низковольтные выключатели нагрузки QF 1и QF 2,РУ НН 0,4кВ и систему выключателей QF З, QF 4и S,предохранителей F 1– F Зи магнитных пускателей КМ1 и КМ2поступает к отдельным приемникам участка. Батареи СВ1 и СВ2служат для компенсации реактивной энергии индуктивного характера, которая создается, в основном, асинхронными электродвигателями М 1 и M 2. Иной, электротермический, приемник EK,который выполнен на резистивных элементах, потребляет практически только активную энергию и на характер потребляемой реактивной энергии никак не влияет.

Принципиальная схема СЭС производственного объекта
Схемы электроснабжения отдельных объектов отличаются составом приемников энергии и способами управления и защиты. На рис. показана одна из возможных схем подобного электроснабжения. От магистрали счетчика активной энергии РI отходят две линии: осветительная через автоматический выключатель SF 1 и розеточная через выключатель SF 2. К осветительной линии через выключатель S 1подключается лампа ЕL 1,через переключатель S 2 – трехрожковый светильник, например люстра, с лампами ЕL 2 –ЕL 4,через выключатель S 3 – лампы ЕL 5и ЕL 6,через переключатели S 4, S 5, S 6 – лампа ЕL 7,которая управляется с трех мест: М 1, M 2, М З,а через переключатели S 7 и S 8 – лампа ЕL 8,управление которой осуществляется из двух мест: М 4и М 5.
Переключателем S 2 можно включить и выключить на выбор только лампу ЕL 2,или две лампы ЕL Зи ЕL 4,или три лампы одновременно ЕL 2, ЕL 3и ЕL 4, асложными пространственно распределенными переключателями S 4– S 6и S 7– S 8– лампы ЕL 7и ЕL 8из разных мест. К примеру, требуется из места M 1 включить лампу ЕL 7,из места М З – выключить ее, а из места M 2 – опять включить. В этом случае из места М 1переключатель S 4переводится в нижнее положение, цепь лампы ЕL 7замкнется через замкнутые контакты переключателей S 4, S 5 и S 6 на фазное напряжение и лампа начнет излучать тепло и свет. Теперь из места МЗ переключатель S 6 переводится тоже в нижнюю позицию, цепь А–N размыкается контактом S 6 и лампа EL 7 выключается. И, наконец, из места M 2 переключатель S 5 переводится в нижнее положение, цепь А–N через переключатели S 4, S 5 и S 6 и лампу ЕL 7замыкается и лампа включается. Аналогично управляется и лампа ЕL 8.
Защита от коротких замыканий и длительных перегрузок здесь осуществляется автоматическими выключателями нагрузки SF 1 и SF 2, в которые встроены максимально-токовые электромагнитные реле прямого действия и тепловые реле.