Системой электроснабжения (СЭС) называют электрическую систему, состоящую из устройств производства, передачи и распределения электрической энергии и предназначенную для надежного, бесперебойного и качественного снабжения ею потребителей и отдельных приемников промышленных производств, к которым относятся электродвигатели различных машин и механизмов, электрические аппараты и машины для сварки, установки гальванических цехов, нагревательные печи, электроустановки освещения, сигнализации, связи и т. п.
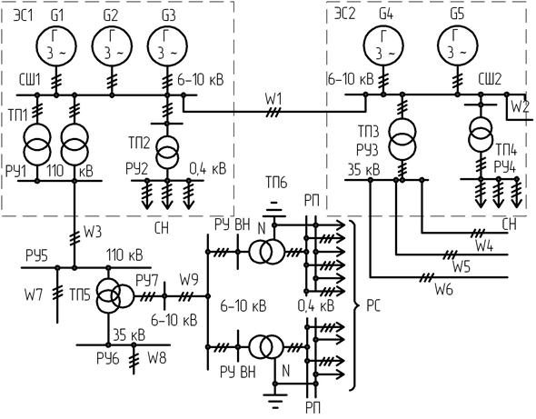
К основным элементам СЭС (рис.) относятся источники электрической энергии G 1– G 5(как правило, синхронные электромеханические генераторы), которые устанавливаются на электростанциях, например ЭС1и ЭС2,предназначенных для производства энергии; повысительные трансформаторные подстанции ТП1 и ТП2, повышающие электрическое напряжение генераторов с целью уменьшения потерь энергии в проводах; линии электропередачи W 1– W 9, служащие средствами передачи энергии на расстояния и представляющие собой воздушные проводные и кабельные линии; понизительные трансформаторные подстанции ТП2, ТП4, ТП5, ТП6и ТП7, которые призваны понижать напряжение линии электропередач (ЛЭП) до уровня, удобного для использования энергии потребителем; распределительные сети (РС) напряжением 380/220 В, с помощью которых электроэнергия низкого напряжения распределяется по отдельным токоприемникам – электроустановкам потребителя, а также средства защиты в виде электрических релейных защит, защит от атмосферных перенапряжений, коротких замыканий, длительной перегрузки и т. п. На рис. обозначено: СН – снабжение энергией собственных нужд подстанции: установок освещения, отопления, вентиляции и т. п.; РП – распределительные пункты, которые устанавливаются рядом с приемниками энергии и служат для их питания; РУ – распределительные устройства высокого ВНи низкого ННнапряжения и СШ – сборные шины, к которым подключаются источники электроэнергии.

Основные элементы СЭС
Особенностью СЭС в ряде производств является изменчивость их электрических нагрузок, которые возникают существенно в новых технологиях, а также временный характер устройства в условиях мобильных площадок. Несмотря на временный характер СЭС этих площадок, они являются действующими электроустановками, и требования к ним, как и к любым установкам промышленных предприятий, должны соответствовать «Правилам устройства электроустановок», действующим на всей территории страны.
СЭС промышленных объектов должны разрабатываться с учетом изменчивости нагрузок и распределения их по территории и устраиваться так, чтобы не требовалось коренного их переустройства в процессе монтажа. Они должны быть экономичными в технической эксплуатации, иметь минимальный расход цветных металлов при максимальной простоте и надежности, включать комплектные ТП и РУ с автоматическими установками компенсации реактивной мощности. Наиболее рациональной и экономичной СЭС считается та, которая использует постоянные энергетические объекты строящегося предприятия (района): ТЭЦ, ТЭС, АЭС и др., возводимые в первую очередь.






