Структурная схема измерительного прибора (или измерительной установки) состоит из отдельных, соединенных между собой, измерительных преобразователей (функциональных звеньев). Несмотря на большое разнообразие, эти структурные схемы по принципу соединения их составных звеньев можно разделить на два основных вида: схемы прямого и уравновешивающего преобразования.
![]() |
1. В схеме прямого преобразования отдельные преобразователи соединяются последовательно друг за другом в направлении от входа прибора к его выходу. Все преобразование сигнала измерительной информации идет в одном прямом направлении (рис. 4).
Не трудно показать, что в этом случае чувствительность S всего прибора будет определяться произведением чувствительностей отдельных преобразователей, т. е.
(6)
2. Уравновешивающее преобразование может быть представлено схемой 3, в которой
и
— чувствительности прямого и обратного преобразования.
Особенностью схемы уравновешивающего преобразования является то, что в ней кроме цепи прямого преобразования (как в случае 1) имеется цепь обратного преобразования (отрицательной обратной связи), которая осуществляет преобразование выходной величины Y в величину
, однородную входной величине Х. Кроме того, на входе схемы имеется устройство сравнения (вычитания), в котором величина
компенсирует (уравновешивает) измеряемую величину
, в результате чего на вход цепи прямого преобразования поступает сигнал, соответствующий разности
. Если функции прямого и обратного преобразования линейны, т. е.
, а
, то нетрудно показать (сделать самостоятельно!), что общая чувствительность
определяется известной вам зависимостью:
|
|
|
![]() |
, (7)
а
(8)
и
(9)
Уравновешивающее преобразование, реализуемое в схеме 3, может быть статическим или астатическим.
1. Статическое уравновешивание. Если цепи прямого и обратного преобразования схемы 3 имеют постоянные и практически частотонезависимые, т. е. действительные коэффициенты передачи
и
, то все процессы, очевидно, будут происходить практически мгновенно. Если при этом (как обычно и делают)
, то
,
и
(10)
Из (10) следует, что:
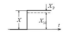
Во-первых, при подаче (в произвольный момент времени
, рис. 3) постоянной измеряемой величины
на вход такой схемы, практически мгновенно происходит ее уравновешивание (
), но не полностью, т. е. с определенной статической погрешностью, определяемой величиной 

. При этом чем больше произведение
, тем точнее уравновешивание. (Следует, однако, отметить, что в реальных схемах чрезмерное увеличение
приводит к потере устойчивости работы реальных схем).
Во-вторых, при
чувствительность схемы
практически не зависит от коэффициента передачи (и его нестабильности) в цепи прямого преобразования. Это существенно повышает стабильность, а значит и точность схемы в сравнении со схемой, содержащей лишь прямое преобразование. Впрочем, этого и следовало ожидать при использовании отрицательной обратной связи.
|
|
|








