.
При волочении зерна приобретают не эллипсоидную, как при прокатке, а волнообразную форму, которая получается вследствие удлинения зерна в направлении волочения и одновременного изгиба по типу вращения вокруг оси проволоки (рис. 44, б)

Рисунок 44 – Форма зерен стали при прокатке (а) и волочении (б).
Рассмотрим развитие упрочнения различных сталей в зависимости от их состава и исходной структуры.
Доэвтектоидные стали. Доэвтектоидные низкоуглеродистые стали 05, 08 в исходном состоянии имеют структуру феррита с небольшим количеством включений цементита. При прокатке на многоклетьевом стане ферритные зерна изменяют форму, а сталь постепенно упрочняется. Влияние степени деформации на механические свойства показано на рис.- 45.

Рисунок 45 – изменение пределов прочности σТ и твёрдости Нμ стали 08 при увеличении степени холодной прокатки.
Развитие упрочнения стали прослеживается по характеру изменения твердости с увеличением степени деформации, которое происходит в три стадии: деформация до 20 % — интенсивное упрочнение; 20—50 % — незначительное упрочнение; выше 50 % — вновь интенсивное упрочнение. При деформации стали до 20 % в ферритных зернах наблюдаются генерирование дислокаций и их скольжение. Благодаря взаимодействию дислокаций в пересекающихся плоскостях скольжения и блокировке скольжения препятствиями (границами зерен, включениями, пересекающимися плоскостями скольжения) на этой стадии сталь значительно упрочняется.
|
|
|
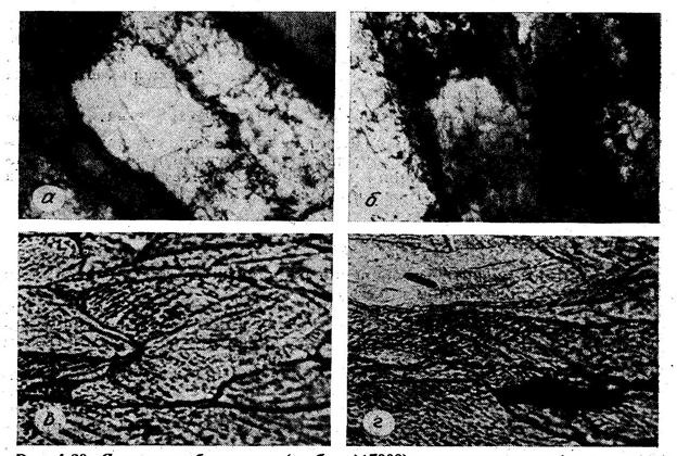
В процессе холодной прокатки структура стали постоянно изменяется (рис. 46). Тенденция к образованию ячеистой субструктуры проявляется уже при деформации 4—6 %, при 20 % формирование ячеистой субструктуры заканчивается (рис. 46, а). Границы ячеек тонкие! Форма ячеек субструктуры соответствует форме зерен, зависящей от вида деформации. При прокатке они имеют эллипсоидную форму, а при волочении — волнообразную. Увеличение степени деформации до 40—50 % приводит к утолщению границ ячеек. Упрочнение стали при этом незначительно, так как дислокации обходят препятствия путем поперечного скольжения, а размеры ячеек почти.rie изменяются. При холодной деформации единственным механизмом динамического возврата является поперечное скольжение дислокаций, которое позволяет последним обходить препятствия и тем самым снижает коэффициент деформационного упрочнения.

Рисунок 46 – Ячеистая структура (а, б – х7000) и микроструктура (в, г – х 800) стали 08кп при деформации, %
Дальнейшее увеличение степени деформации (50 % и. выше) приводит к значительному накоплению дислокаций йа границах ячеек, в результате чего ширина субграниц резко увеличивается, а размеры ячеек уменьшаются (рис. 4.20, б). Это вызывает интенсивное упрочнение стали, так как напряжение деформации зависит от размера ячеек субструктуры (субзерен) dс:
|
|
|
.
Степень упрочнения стали при холодной деформации определяется общим количеством и характером распределения дислокаций. Изменение плотности дислокаций и размера ячеек субструктуры с увеличением степени деформации стали 08кп показано ниже. Интенсивность субструктурного упрочнения определяется углом разориентировки Θс соседних ячеек субструктуры. С увеличением Θ с возрастает блокирующая способность субграницы, что приводит к повышению коэффициента k1 входящего в уравнение Холла-Петча.

Микроструктура ферритной стали после различных обжатий показана на рис. 46, в, г. Деформация имеет неоднородный характер. Например, при общей деформации стали 18—22 % можно обнаружить зерна, претерпевшие деформацию на 10, 20, 40, 60 и даже 80 %. Частицы цементита мало пластичны, хрупко разрушаются и перераспределяются с образованием строчек в направлении прокатки. При снижении температуры деформации до —196 °С преобладающим механизмом деформации становится двойникование.
Из доэвтектоидных сталей 05, 08, 10, имеющих ферритную структуру, холодной прокаткой получают полосы и листы, применяемые в автомобилестроении, сельскохозяйственном машиностроении для изготовления изделий методом холодной штамповки; из электротехнических текстурованных и малотекстурованных ферритных сталей» например стали ЭЗ, с высокими электромагнитными свойствами производят трансформаторные листы.

Рис 47. Структура углеродистых сталей после холодной прокатки: а — X 500: б — X 15 000; в — X 30 000; г — X 600, Ковзель
На рис. 47 показана структура холоднодеформированных сталей с различным содержанием углерода. Среднеуглеродиетые стали до деформации имеют ферритно-перлитную структуру равноосных зерен. В процессе холодной прокатки ферритные и перлитные зерна изменяют свою форму, вытягиваясь в направлении деформации (рис 47, а). Упрочнение стали развивается в результате увеличения плотности дислокаций, формирования ячеистой субструктуры в ферритной составляющей структуры, образования субструктуры в перлите. Особенности субструктурного упрочнения перлита рассмотрены «иже при описании эвтектоидной стали.
Пластическая деформация стали с ферритно-перлитной структурой начинается с появления полос скольжения, а при отрицательных температурах — и двойников в избыточном феррите, причем в начале деформации перлитные зерна ведут себя в основном как «жесткие» включения и выполняют роль препятствий на пути движения дислокаций и двойников. Полосы скольжения могут заканчиваться у перлитных зерен или огибать их. В избыточном феррите полосы скольжения и двойники взаимодействуют друг с другом, с границами ферритных зерен и границами феррита с перлитом. Возникающие при этом напряжения вызывают деформацию в феррите перлита и деформацию или срез цементитных пластин в зависимости от их ориентировки.
В процессе развития деформации до 25 % плотность дислокаций возрастает и в избыточном, и в перлитном феррите, что приводит к формированию ячеистой структуры. В связи с тем, что объем пластин феррита перлита меньше по сравнению с объемом зерен избыточного феррита, размеры ячеек в феррите перлита будут соответственно меньше. Степень упрочнения избыточного феррита и перлита при степенях деформации менее 25 % примерно одинакова. Увеличение степени деформации способствует более интенсивному упрочнению перлита. Предел текучести доэвтектоидной стали зависит от свойств ферритной и перлитной составляющих структуры:

Где f — объемная доля феррита в структуре; σФ σП— соответственно предел текучести феррита и перлита.
|
|
|
Холодной деформации подвергаются доэвтектоидные легированные и углеродистые стали марок 65, 70, 75, 85, 55ГС, 60Г, 65Г, предназначенные для изготовления деталей высокой прочности и упругости (пружин, рессор, лопаток вентиляторов, тормозных дисков и т. д.), а также автоматные стали марок А12; А20, АЗО.
Эвтектоидная сталь до деформации имеет структуру равноосных зерен пластинчатого перлита. В механизмах упрочнения феррита и перлита есть много общего, однако присутствие частиц цементита вносит существенные отличия в рассматриваемые явление. Перлитные колонии в поликристаллической стали распределены хаотически. В процессе прокатки они ориентируются преимущественно вдоль направления деформации. Такая ориентация усиливается с увеличением степени деформации стали. В ферритных участках, как и в структурно свободном феррите, дислокации генерируются и движутся, возникают дислокационные скопления. При деформации перлита наблюдаются следы скольжения, двойникования, деформационные сбросы и изгиб полос скольжения.
Скольжение в феррите, перлита происходит вдоль или поперек цементитных пластин, а также по межфазным границам. Между ферритом и цементитом в перлите возможны следующие ориентационные соотношения: (001)ц || (521)Ф; (001)ц || (211)Ф; [100]ц || [011]Ф; [010]ц || [111]ф. Скольжение в феррите вдоль цементитных пластин реализуется в трех зернах перлита, в которых плоскости скольжения {211} расположены благоприятно к внешним напряжениям. Если не соблюдается соотношение {211}Ф || {001 }ц, то цементит не принимает участия в деформации, при его соблюдении скольжение возможно в цементите, в котором система плоскостей {001} является плоскостями скольжения. В случае близкой ориентировки цементитных пластин в соседних перлитных зернах идет эстафетная передача скольжения от одного зерна к другому, при больших разориентировках зерен скольжение вдоль цементитных пластин в одном зерне вызывает сбросообразование в другом.
|
|
|
Цементитные пластины в благоприятно ориентированных колониях несколько удлиняются в результате их деформации скольжением. В этих участках пластинчатое строение перлита сохраняется, однако пластины становятся более тонкими и в них увеличивается плотность дислокаций.
Ориентационное соотношение {211}Ф || {001 }ц встречается редко, поэтому далеко не всегда в феррите наблюдается скольжение вдоль цементитных пластин. В других системах плоскостей феррита оно тормозится труднодеформируемыми пластинами цементита. Ограниченное развитие деформации в феррите способствует накоплению дислокаций. Плотность дислокаций увеличивается вначале у поверхности раздела феррита и цементита, что свидетельствует о барьерном эффекте межфазных границ и зарождении дислокаций поверхностями раздела. В феррите перлита с увеличением степени деформации возникает дисперсная ячеистая субструктура.
С развитием деформации субзерна разворачиваются, увеличивается угол их разориентировки. Блокировка скольжения в феррите, происходящего под углом к плоскости (001)ц, приводит к деформации цементита путем сбросообразования. В неблагоприятно ориентированных по отношению к направлению деформации колониях цементитные пластины изгибаются и разрушаются срезом, и у их обломков появляются дислокационные клубки, которые с увеличением степени деформации превращаются в стенки ячеек, содержащие, наряду с дислокациями, измельченные частицы цементита. В этих участках не сохраняется пластинчатое строение перлита.
Упрочнение эвтектоидной стали происходит благодаря увеличению плотности дислокаций в феррите, цементите и на границах раздела феррит — цементит и в результате формирования в феррите ячеистой, субструктуры, содержащей в стенках ячеек мелкие частицы цементита. Микроструктура деформированного перлита показана на рис. 47, б.
Степень упрочнения стали со структурой пластинчатого перлита зависит от дисперсности перлитных колоний, что, в свою очередь, определяет длину линий скольжения в ферритных участках. Чем короче эта дистанция, тем быстрее упрочняется перлитная сталь:

Здесь kp — константа, характеризующая степень блокировки дислокаций структурными барьерами; ∆с —дистанция скольжения дислокаций, примерно равная отрезку в ферритном участке, ориентированному в направлении [ 111 ]ф и ограниченному двумя параллельными пластинами цементита.
Предел текучести эвтектоидной стали определяется следующим выражением:

где σц — предел текучести цементита.
Сталь со структурой дисперсного перлита можно существенно упрочнить с помощью холодной деформации. При патентировании проволоки из сталей 65, 70, У8, У9 волочение приводит к увеличению предела прочности стали до 4000 МПа.
Заэвтектоидная сталь в исходном состоянии имеет структуру перлита и вторичного цементита. При холодной деформации такой стали перлит деформируется аналогично перлиту эвтектоидной стали, а вторичный цементит, находящийся на границах зерен, даже при малых обжатиях (0,5—2%) разрушается, дробится и выстраивается в цепочки в направлении течения. Такую сталь очень трудно деформировать. Главная причина низкой пластичности стали заключается в наличии цементита пластинчатой формы.
Повышение сопротивления заэвтектоидной стали разрушению й увеличение ее пластичности достигается сфероидизирующим отжигом или теплой деформацией в ходе перлитного превращения.
Субструктурное упрочнение стали со структурой зернистого перлита развивается следующим образом. В ходе деформации начинается скольжение дислокаций в феррите. Частицы цементита препятствуют движению дислокаций. Это приводит к повышению напряжения, необходимого для их движения. Важным показателем развития упрочнения сфероидизированной стали является дистанция свободного скольжения дислокаций в феррите, которая определяется средним расстоянием между частицами цементита. Предел текучести стали при этом равен

где а и Ь — коэффициенты, зависящие от состава стали; λ — среднее расстояние между частицами цементита. При уменьшении среднего расстояния между частицами от 20 до 0,6 мкм предел текучести стали возрастает на порядок. Предел текучести стали согласно выражению зависит от среднего размера частиц цементита.
На начальных этапах деформации (при обжатиях менее 10 %), когда еще нет ячеистой субструктуры, степень упрочнения феррита с дисперсными частицами цементита значительно больше, чем, феррита низкоуглеродистой стали, не содержащего частиц цементита. Интенсивность упрочнения заэвтектоидной стали определяется плотностью и характером распределения дислокаций в феррите вдали от цементитных частиц и количеством дислокаций, заторможенных цементитными частицами. В результате торможения скольжения у цементитных частиц возникают дислокационные скопления — клубки (рис. 47, в), которые преобразуются в ячеистую субструктуру. В отличие от пластинчатого глобулярный цементит при холодной деформации пластически не деформируется. Крупные цементитные частицы разрушаются, а их обломки перемещаются в направлении течения стали.
Прочность стали со структурой сфероидизированного цементита обратно пропорциональна расстоянию между карбидными частицами и диаметру ячеек дислокационной субструктуры. Таким образом, механизм упрочнения стали со структурой зернистого перлита состоит в субструктурном и дисперсионном упрочнении металла частицами цементита.
В механизмах упрочнения стали с пластинчатым и зернистым перлитом есть много общего. В обоих случаях частицы цементита препятствуют движению дислокаций в феррите. Следует отметить, что в. отличие от стали с пластинчатым перлитом сталь со структурой зернистого перлита (цементита) не разрушается при степенях деформации 80—90 %. Микроструктура стали с зернистым перлитом после холодной прокатки на 70 % показана на рис. 47, г.
Деформация легированных сталей
Механизм холодной деформации легированных сталей зависит от их принадлежности к структурному классу. Ферритные и перлитные стали деформируются аналогично рассмотренным выше доэвтектоидным и эвтектоидной сталям. У легированного цементита и специальных карбидов, входящих в структуру перлита, пластичность ниже, чем у цементита. Их разрушение начинается при меньших степенях деформации по сравнению с таковыми цементита, поэтому упрочнение легированных сталей развивается интенсивнее, чем углеродистых.
Стали карбидного (ледебуритного) класса мало пластичны при холодной деформации, так как специальные карбиды обладают повышенной хрупкостью, а наличие карбидных эвтектик способствует резкому снижению пластичности стали в любом температурном интервале. Для увеличения их пластичности следует проводить сфероидизирующий отжиг. При получении дисперсных, равномерно распределенных глобулярных карбидов становится возможной холодная деформация стали. Механизм её упрочнения аналогичен рассмотренному выше для углеродистой стали со структурой зернистого цементита. Такой обработке подвергаются некоторые виды инструментальных сталей.
Стали мартенситного класса не поддаются большим обжатиям из-за высокой хрупкости мартенсита, пределы текучести которого составляет 800—1000 МПа. Увеличить их пластичность можно, измельчив структуру с помощью ВТМО или НТМО. Сопротивление деформации стали со структурой отпущенного мартенсита или бейнита определяется размерами зерен α-фазы и дислокационных ячеек субструктуры, а также расстоянием между: карбидными частицами:-

где σ0— предел текучести α-фазы без карбидов; α и β — коэффициенты; т — 1/2...1.
Легированные.стали подвергают холодной деформации (рис. 48). Деформация мартенсита, представляющего собой пересыщенный твердый раствор, приводит к его частичному распаду, нагрев интенсифицирует последний, изменяет характер распределения и дисперсность частиц цементита или карбидов. Основными причинами повышения прочности мартенситных сталей являются увеличение плотности дислокаций и. распад остаточного аустенита. Дислокационная структура деформированного мартенсита показана на рис. 48, а. Дислокации блокируются атомами углерода. Холодная деформация стали со структурой отпущенного мартенсита способствует значительному ее упрочнению.
Стали аустенитного класса при холодной деформации ведут себя аналогично однофазным ферритным сталям. Деформация аустенита. развивается путем множественного скольжения дислокаций и двойникования (рис. 48, б). Линии скольжения в аустените при разных схемах деформации распределены по-разному: при прокатке стали на начальных этапах деформации они располагаются в одном направлении в пределах каждого зерна, при волочении — пересекаются с образованием сетки.

Рисунок 48 – Микроструктура легированных сталей после холодной прокатки
а – х 30000, Н. Э. Погребная; б – х 500, И. Е. Казимирова
В интервале степеней деформации до 5 % плотность дислокаций резко возрастает, появляются дислокационные скопления и дефекты упаковки. При деформации 10—15 % работают три-четыре системы скольжения, взаимодействие дислокаций в пересекающихся системах приводит к образованию порогов на дислокациях. Возникает ячеистая дислокационная субструктура. Размер ячеек последней составляет примерно 0,1— 0,5.мкм. С увеличением степени деформации до 50 % возрастают плотность дислокаций в стенках ячеек, количество и протяженность дефектов упаковки. В аустените меньше активных плоскостей скольжения, чем в феррите, дислокации мало склонны к поперечному cскольжению и переползанию из-за меньшей диффузионной подвижности атомов. Поэтому в аустените раньше тормозится движение дислокаций, возникают дислокационные скопления и клубки, преобразующиеся в стенки ячеек. Упрочнение аустенитных сталей развивается интенсивнее, чем ферритных, и при одинаковой степени деформации достигает большего значения.
Если в процессе деформации происходит мартенситный распад, деформационный наклеп усиливается фазовым наклепом. Малые обжатия активизируют и ускоряют мартенситное превращение, большие — стабилизируют аустенит, что связано с измельчением субструктуры и образованием разрывов по когерентным границам растущих кристаллов мартенсита и аустенита. При температуре 20 °С мартенситное превращение происходит частично, с понижением температуры, оно значительно интенсифицируется. Сочетание холодного наклеп» при отрицательных температурах с мартенситным превращением» позволяет существенно повысить прочность стали.
Влияние холодной деформации на текстуру и физические свойства стали
В процессе холодной прокатки стали образуется текстура деформации. Например, в трансформаторной стали марок Э310, Э320 возникает ребровая текстура, при которой ребро куба элементарной ячейки (100) параллельно направлению прокатки, а плоскость {110} - поверхности листа. Создание такой текстуры обеспечивает стали благоприятные магнитные свойства. Применение холоднокатаной трансформаторной стали с ребровой текстурой взамен изотропной горячекатаной позволяет уменьшить массу и габаритные размеры мощных трансформаторов на 20—25 % и снизить потери электроэнергии. При прокатке листов появляются несколько кристаллографических составляющих текстуры: (110) [001], (112) [110], (111) [112]. В случае волочения труб из углеродистой стали 10 образуются текстуры (102) [110], (110) [112], (110) [110], а из аустенитной нержавеющей стали—аксиальная текстура. При глубокой вытяжке характер текстуры для разных участков деталей не одинаков. Например, в центре дна чашки появляется текстура сжатия (направления [111] и [100] параллельны оси сжатия), на верхнем ободе чашки — также текстура сжатия, но ось ее тангенциальна.
При холодной деформации стали изменяются не только механические, но и физические свойства. Электросопротивление в общем случае повышается в результате наклепа, что связывают с ростом плотности дефектов кристаллического строения, рассеивающих электроны проводимости. При холодной деформации уменьшается сопротивление стали коррозии, причем преимущественно развивается интеркристаллитная коррозия. Холодная деформация приводит также к снижению теплопроводности и магнитной проницаемости стали, затрудняет процессы намагничивания и размагничивания ферромагнитных сталей.
Холодная пластическая деформация стали — один из эффективных способов понижения температуры хладноломкости, которое происходит в результате создания ячеистой субструктуры. При малых степенях деформации, когда дислокации в зернах распределены хаотичёски, низкотемпературная пластичность стали снижается, а температура хладноломкости повышается. При больших степенях деформации температура хладноломкости уменьшается.
ОСОБЕННОСТИ ХОЛОДНОЙ ДЕФОРМАЦИИ
Холодной деформации подвергаются горячедеформированная сталь. Проводится для получения стальных изделий нужной формы с заданной чистотой поверхности.
Упрочнение стали при холодной деформации.
Большой эффект упрочнения в процессе деформации. Возможно повышение прочности до 3000 МПа.
Показатели, характеризующие способность стали к деформационному упрочнению:
- показатель деформационного упрочнения

где
и
- диаметр образца до и в момент максимальной нагрузки при испытаниях на растяжение.
– величина пластической деформации, приводящая к генерированию дислокаций.

- текущее напряжение;
- предел текучести;
Е - модуль упругости (сдвига).
Упрочнение возрастает постепенно с увеличением степени деформации
%. Это приводит к возрастанию деформирующих усилий при последующих проходах. Наибольшее упрочнение при деформации до 20 %.





Изменение формы зерен
Форма определяется способом деформации. В исходном состоянии – равноосная.
При холодной прокатке


























































































Объем зерен не изменяется (
).
Зерно имеет форму эллипсоида, у которого постоянно изменяется размер осей.

x,y,z – текущие координаты
a,b,c – полуоси эллипсоида
Форма зерен зависит от степени деформации.
;
;
.
,
,
- оси эллипсоида
A, B, C, m, n, l - параметры зависящие от состава стали (
- степень деформации).
Пример: доэвтектоидная сталь: А =7,47; В =5,8; С = (5-17); m = 0,0123; n = 0,0182; l = 0,0059.
Тогда в любой момент деформации можно определить размер зерна, а изменение его формы описывается уравнением:

При волочении образуется волнообразная форма зерен, которая образуется при одновременном вытягивании и повороте зерна вдоль оси прокатки.
Деформация углеродистых сталей
Доэвтектоидные стали
Низкоуглеродистые 05, 08кп – Ф+Пmin (Ф+Ц).
Влияние степени деформации на механические свойства.





МПа




















Наиболее четко развитие упрочнения прослеживается на Нµ.
Три стадии:
1. до 20% - интенсивное упрочнение
2. 20-60% - незначительное упрочнение
3. более 60 % интенсивное упрочнение
1. стадия – в Ф генерирование дислокаций и скольжение. При пересечении, образовании порогов скольжение затрудняется, происходит упрочнение.
При 4-6% степени деформации начинается формирование ячеистой структуры. При 20% заканчивается. Границы ячеек тонкие.
2. стадия – при 20-60% степени деформации происходит упрочнение границ ячеек.
3. стадия – более 60% степени деформации, ширина субзерна значительно увеличивается. Размеры ячеек уменьшаются – (Упрочнение).
Вывод: Степень упрочнения стали при холодной деформации определяется общим количеством и характером распределения дислокаций. Как было указано ранее, деформация неравномерная.
ВЛИЯНИЕ СОДЕРЖАНИЯ УГЛЕРОДА И ЛЕГИРУЮЩИХ ЭЛЕМЕНТОВ НА ПРОЦЕСС ХОЛОДНОЙ ДЕФОРМАЦИИ
Среднеуглеродистые стали
Цементит малопластичен. При деформации разрушается и распределяется вдоль направления прокатки.
При деформации при отрицательных температурах (-196 0С) – основной механизм – двойникование.
05, 08, 10 (стали для глубокой вытяжки) – автомобиле и с/х машиностроение.
Электротехнические стали – трансформаторные листы с ребровой структурой.
Среднеуглеродистые стали Ф+П.
При прокатке и Ф и П зерна вытягиваются вдоль направления деформации.
Упрочнение развивается:
- увеличение плотности дислокаций;
- образование ячеистой структуры в Ф.
Упрочнение в П наступает следующим образом:
- в Ф генерирование и движение дислокаций;
- Ц пластины при благоприятной ориентировке удлиняются за счет деформации скольжением. Здесь пластинчатое строение сохраняется. Но пластины становятся более тонкими и в них повышается плотность дислокаций.
При неблагоприятной ориентировке Ц происходит торможение скольжения. При дальнейшем повышении ε происходит быстрое упрочнение ферритных пластинок и изгиб, и разрушение цементитных пластинок. В этом случае пластинчатое строение перлита не сохраняется.
Деформация среднеуглеродистых сталей начинается с появления полос скольжения - возможны двойники. П в начале препятствует движению, затем деформируется.
При ε < 25% увеличивается плотность дислокаций и образуется ячеистая структура.
Чем больше ε, % - тем больше упрочнение П.
Углеродистые эвтектоидные
65, 70, 80, А12, А20, А30 – рессоры, пружины.
Эвтектоидная сталь – П.
Механизм упрочнения П описан выше.
В исходном состоянии перлитные колонии распределены хаотично. При прокатке ориентируются вдоль направления прокатки. Чем больше ε, % тем ориентация больше.
Т.о. упрочнение эвтектоидной стали происходит:
1) – при увеличении плотности дислокаций в Ф, Ц и на границах раздела;
2) – в результате формирования в Ф ячеистой структуры, содержащей в стенках ячеек мелкие частицы цементита.
Степень упрочнения зависит от дисперсности перлитных колоний.
У7, У8, У9,65,70 – проволока (патентирование) σв до 4000 МПа.
Заэвтектоидная сталь П +Ц 11.
П деформируется так как и П эвтектоидной и доэвтектоидной стали.
Ц 11 – разрушается, дробится и располагается вдоль направления прокатки даже при незначительных ε, % - (0,5-2%).
Повышение пластичности достигается сфероидизирующим отжигом или теплой деформацией.
Упрочнение зернистого перлита:
1) Скольжение дислокаций в Ф;
2) Частицы Ц препятствуют движению дислокаций.
Показатель упрочнения – длина свободного скольжения дислокаций в Ф, которая определяется средним расстоянием между частицами цементита.

где a, b – коэффициенты, зависящие от состава стали;
- среднее расстояние между частицами цементита.
При ε < 10 % степень упрочнения феррита в З. П. больше, чем Ф низкоуглеродистой стали.
Интенсивность упрочнения определяется плотностью и характером распределения дислокаций в феррите.
У цементитных включений образуются клубки, которые преобразуются в ячеистую субструктуру.
Глобулы не деформируются, а дробятся и перемещаются в направлении течения.
Т.о. механизм упрочнения З. П. – субструктурное и дисперсное упрочнение частицами цементита.
Сталь З. П. не разрушается при ε = 80- 90%.
ДЕФОРМАЦИЯ ЛЕГИРОВАНЫХ СТАЛЕЙ
Механизм деформации зависит от структурного класса: (Ф, П, М, А, К).
Ф и П упрочняется аналогично доэвтектоидной и эвтектоидной сталям.
У Ц легированного пластичность ниже, поэтому упрочнение развивается интенсивнее.
Карбидный класс – малопластичны. Для увеличения пластичности – сфероидизирующий отжиг. Упрочнение аналогично зернистому перлиту. Инструментальные стали подвергаются.
Стали мартенситного класса – не поддаются большим обжатиям из-за высокой хрупкости М. Увеличивают пластичность ВТМО, НТМО. Деформация приводит к частичному распаду М.
Основная причина повышения пластичности – увеличение плотности дислокаций в М и распад остаточного аустенита.
Стали аустенитного класса – аналогично ферритным.
Деформация развивается путем мгновенного скольжения и двойникования.
До 5 % плотность дислокаций возрастает.
10-15% - три, четыре плоскости скольжения – возникают ячейки.
В аустените меньше активных плоскостей скольжения, поэтому упрочнение происходит интенсивнее.