Принцип действия диода основан на свойствах p-n-переходов, образуемых в результате полупроводников с различным типом проводимости или контакта полупроводника с металлом (диод Шотки).
Классификация диодов:
1. Выпрямительные
2. Стабилитроны
3. Туннельные
4. Обращённые
5. Варикапы
6. Фотодиоды
7. Светодиоды
8. Диоды Шотки
Делятся на:
- точечные
- плоскостные
Плоскостные диоды обладают большей ёмкостью перехода в схеме замещения.

Так как сопротивление емкости обратно пропорционально частоте напряжения согласно формуле
,
то на высоких частотах сопротивление падает практически до нуля, т.е. переход закорачивается, а следовательно, p-n-переход не работает на этих частотах.
Для снижения паразитной ёмкости p-n-перехода используют точечные переходы, т.е. снижают площадь контакта, которая достигает в СВЧ-диодах порядка 1 мкм2, а граничная частота детектирования – сотен ГГц.
При подаче прямого напряжения («+» на анод, «-» на катод) на диод до практически 0,3 В ток через диод не протекает. Это напряжение было необходимо для преодоления потенциального барьера контактного перехода. При дальнейшем повышении напряжения ток имеет квадратичную зависимость.
Дальнейшее повышение напряжения может привести к такому росту тока, который превысит максимально допустимое значение, а температура области катода, где происходит рекомбинация электронов и дырок, может превысить максимально допустимое значение. В этом случае происходит необратимый процесс теплового пробоя p-n-перехода.
При подаче обратного напряжения ширина p-n-перехода увеличивается, тем самым ограничивается число инжектируемых электронов из n- в p-область. При достижении UПР происходит электрический пробой (процесс обратимый). При дальнейшем повышении напряжения электрический пробой переходит в тепловой (необратимый процесс).
![]() |
Стабилитроны Принцип действия основан на обратимом электрическом пробое.
При достижении обратного напряжения UОБР=UСТ происходит электрический пробой p-n-перехода, в результате ток через стабилитрон IC резко возрастает. В результате падение напряжения на RБ увеличивается, а на нагрузке RH остается без изменения.
Стабилитроны серии Д814 имеют напряжение стабилизации от 3 до 20 В.

ЛЕКЦИЯ 3
Туннельный диод
Принцип действия основан на применении так называемого туннельного эффекта.
Используется в быстропереключающих схемах и генераторах. Он обладает отрицательным дифференциальным сопротивлением на определенном участке ВАХ.
Согласно закону Ома
. Если повышается напряжение, то ток должен увеличиваться для любого материала. Но при возникновении туннельного эффекта при повышении напряжения от Umin до Umax ток уменьшается.

Дифференциальное сопротивление на участке, где проявляется туннельный эффект, имеет отрицательное значение, а соотношение между максимальным и минимальным токами

Для получения генерации синусоидальных колебаний в контур включают туннельный диод. В результате алгебраическая сумма активных сопротивлений в контуре равна 0. Поэтому в контуре возникают незатухающие колебания. Отрицательное дифференциальное сопротивление получается за счёт эффекта туннелирования электронов из n-области в р-область противоположно направлению основного электрического поля, приложенного к туннельному диоду. В результате общее число электронов, прошедших через сечение p-n-перехода за единицу времени с ростом внешнего напряжения уменьшается.
![]() |
Обращённые диоды
Обращенные диоды используются для выпрямления малых напряжений, т.е. обратная ВАХ является как бы прямой для выпрямительного диода. Обращенный диод при малых напряжениях (до 0,3 В) не пропускает ток в прямом направлении, в то же время в обратном направлении электрический пробой наступает уже при нулевом обратном напряжении.
![]() |
Варикап
Варикап представляет собой электрически управляемую ёмкость.
Ёмкость, как известно из курса физики, представляет собой зависимость


Т.к. ширина p-n-перехода d зависит от приложенного обратного напряжения Uобр, то при постоянстве абсолютной, относительной диэлектрических проницаемостей материала и площади p-n-перехода, ёмкость варикапа зависит только от d.
Под воздействием Uобр регулируется расстояние между p и n областями. Получаем зависимость: при повышении обратного напряжения ёмкость вырикапа падает.
В качестве варикапов необходимо применять плоскостные диоды, чтобы увеличить ёмкость. Варикапы используются как подстроечные, электрически управляемые конденсаторы в колебательных контурах. Ёмкость их порядка десятков пикофарад (пФ). Варикапы применяют для автоматической подстройки частоты колебаний для удержания её в заданных пределах.
![]() |
Фотодиод Фотодиод – это полупроводниковый прибор, у которого обратный ток зависит от освещенности катода. ВАХ – на рисунке. Зависимость тока от величины освещенности аналогично зависимости тока от приложенного напряжения для обычного диода (выпрямительного), т.е. воздействие электрического и магнитного полей оказывает аналогичное действие.
![]() |
Светодиод
Светодиод – полупроводниковый прибор, при протекании прямого тока через который область катода начинает светиться.
При протекании примого тока I через p-n-переход число электронов, находящихся на внешней орбите атома уменьшается за счёт их перехода на внутренние орбиты. Это сопровождается выделением квантов электромагнитного излучения. При подборе соответствующего полупроводникового материала мы можем выделить излучение с определенной длиной волны. На практике есть светодиоды, излучающие в областях, начиная с ультрафиолетовой (l<0,4 мкм) и кончая ближней инфракрасной (ИК) – с l до 2 мкм.
При получении излучения в полупроводниковых лазерах используют также данный эффект, но излучение лазера когерентно и монохроматично.
![]() |
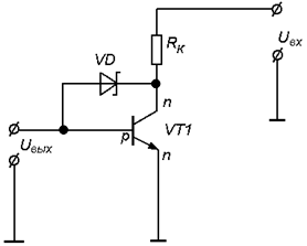
Диод Шотки
Использует контактные явления между полупроводником и металлом. Эффект Шотки возникает лишь в том случае, когда работа выхода электронов в вакуум из металла больше, чем работа выхода электрона из полупроводника.
При контакте полупроводника с металлом за счёт разности энергии выхода электронов из полупроводника диффундируют в область металла, тем самым создают p-n-переход. За счёт отсутствия неосновных носителей заряда (дырок) в металле переход из открытого в закрытое состояние практически безинерционен (время перехода 1¸2 нс).
![]() |
Схема включения диода Шотки при ключевом режиме работы транзистора:






