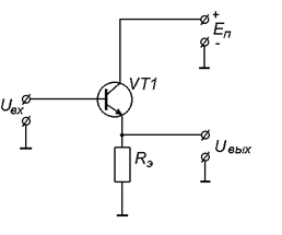
Схема с общим коллектором (эмиттерный повторитель).
Схема с общим коллектором (ОК) обладает высоким входным сопротивлением при малом выходном сопротивлении. Коэффициент усиления по напряжению КU равен 1. Фаза выходного сигнала совпадает с фазой входного сигнала, следовательно, выходной сигнал полностью повторяет форму входного сигнала (отсюда название – эмиттерный повторитель). Служит для согласования низкого выходного сопротивления источника сигнала с малым входным сопротивлением предварительного усилителя. Т.е., разместив эмиттерный повторитель между источником сигнала и предварительным усилителем, мы тем самым повышаем входное сопротивление общего усилителя, что повышает эффективность его работы.
h – параметры транзистора
Транзистор можно представить в виде некого четырёхполюсника, имеющего пару входов и пару выходов. Примем за входные параметры 4-полюсника входной ток I1 и входное напряжение U1. Выходными параметрами будут служить выходной ток I2 и напряжение U2.
|
|
|
Считаем независимыми параметрами I1 и U2, зависимыми – U1 и I2. Зависимые параметры можно представить как функции независимых:

Продифференцировав данные функции, получим

Принимая во внимание малость приращения U1 и I1, и обозначив:

получим следующие выражения:

Параметры hij мы можем найти по специальным справочникам или вычислить по входным и выходным характеристикам. Физический смысл параметров h:
h11 – входное сопротивление транзистора при U2=0 (в режиме короткого замыкания (КЗ) на выходе);
h12 – коэффициент обратной связи по напряжению при I1=0, т.е. в режиме холостого хода (ХХ) на входе;
h21 – коэффициент усиления по току в режиме КЗ на выходе;
h22 – выходная проводимость транзистора в режиме холостого хода на входе.






