По правилам Регистра в судовой сети применяется обычно напряжение трехфазного мостового выпрямителя, которое может достигать 500В. При больших мощностях ГЭД желательно повысить напряжение на якоре до 1000-1100В. При этом напряжение переменного тока должно составлять 800-870В.
Повышение напряжения уменьшает токи генераторов, включателей, вентилей, уменьшает расход меди, снижает массу токоведущих частей.
Один из вариантов повышения напряжения предусматривает применение нескольких электрически не связанных генераторов и последовательное соединение выпрямителей. Необходимость в большом количестве блокировок и разделения потребителе по разным шинам создают большие неудобства.
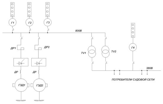
Наиболее простой способ увеличить напряжение судовой сети до 800-850В. Схема вентильной ГЭУ с повышенным напряжением имеет вид, показанный на рисунке 9.7.

Рис.9.7. Схема вентильной ГЭУ с повышенным напряжением
Дизель-генератор Г1-Г2 вырабатывают напряжение 800В. Судовые потребители получают питание 380В через понижающие трансформаторы TV1 и TV2. Кроме того к шинам судовой сети 380В подключен резервный дизель-генератор Г4.






