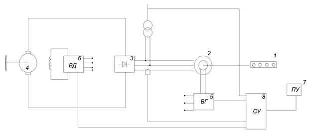
Наиболее целесообразно применение синхронных генераторов, а ГЭД получают постоянный ток через полупроводниковые неуправляемые выпрямители. Это система СГ – В – Д, а ее принципиальная схема имеет вид, показанный на рисунке 8.9.

Рис.8.9. Схема системы СГ – В - Д
Схема состоит из теплового двигателя 1, от которого работает синхронный генератор (СГ) – 2. Он вырабатывает переменное напряжение, которое выпрямляется выпрямителем В – 3 и подается на ГЭД - 4. Для работы электрических машин используются возбудитель генератора (ВГ) -5 и двигателя (ВД) – 6. управление работой схемы проводится с пульта управления (ПУ) – 7 через схему управления – 8.
КПД синхронного генератора с выпрямителем на 3 – 4 % выше, чем генератора постоянного тока. Данная схема позволяет иметь постоянную частоту вращения тепловых двигателей и проводить реверс гребного винта переключением направления тока возбуждения двигателя.
На значительной части судов еще применяется система генератор-двигатель (Г-Д), а принципиальная схема имеет вид, показанный на рисунке 8.10.

Рис.8.10. Схема ГЭУ с системой Г-Д
Частота вращения ГЭД изменяется при изменении тока обмотки независимого возбуждения ОНВВГ возбудителя генератора ВГ. Этот ток управляется через потенциометрически соединенные резисторы на посту управления.
Кроме показанных схем применяются и другие системы, различающиеся схемами управления частотой ГЭД.






