Рис.11
v На чертежах жгутов, кабелей, проводников отдельные проводники следует изображать упрощенно, т.е., внешними очертаниями (рис.12а) или условно, т.е., одной линией (рис.12б). При упрощенном изображении проводников допускается выделять их графически по примеру (рис.13). Экранированные проводники следует изображать упрощенно (рис.14).
v Ленты, нитки и другой подобный материал, которым должен быть обмотан кабель изображать не следует; указания о материале должно быть в технических условиях.
v На чертеже должны быть все размеры для его изготовления (рис.15).
v При масштабе 1:1 размеры можно наносить только в месте разрыва, радиусы изгиба можно не показывать (рис.16).
v При условном изображении размеры отдельных участков можно показывать без выносных линий (рис.17)
v
![]() |
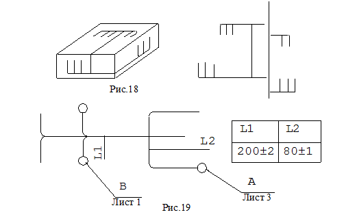
Жгут, который в собранном изделии располагается в разных плоскостях (рис.18), как правило, следует изображать развернутым и смещать (рис.18), но можно изображать и в аксонометрической проекции.
v При выполнении жгута на 2 и более листах, на первом листе изображают ствол со всеми ответвлениями, разветвление изображают на последующих листах в виде выносных элементов в предпочтительно в масштабе 1:1 (рис.19).
|
|
|
v Обозначения следует наносить около обоих концов, при необходимости в месте разветвления. Группу проводников обозначают прописными буквами русского алфавита сверху вниз, справа налево.
![]() |
v Взамен изображения мест присоединения проводников. Указания о присоединении могут быть выполнены одним из следующих способов:
v В таблице присоединений на поле чертежа








