Обозначения условные проводов и контактных соединений электрических элементов оборудования и участков цепей в электрических схемах ГОСТ 2.709-89.
В системе оюозначений соблюдены следующие принципы
v Нумерацию начинают с концевой точки (рис.39)
v Когда несколько одинаковых элементов соединяют в группу, концы этих элементов обозначают следующим образом (рис.40).
v Одинаковые группы элементов различают, помещая перед этими обозначениями порядковые номера (рис.41)
v Буквенные обозначения зажимов ля элементов постоянного тока предпочтительно выбирать из первой половины латинского алфавита. Для переменного из второй половины.
v
![]() |
Обозначения зажимов электрических устройств, присоединенных к специальным проводам, приведены в таблице 1.
Таблица 1.
Для перменного тока
1-я фаза U
2-я фаза V
3-я фаза W
нейтральный провод N
Защитный провод PE
Заземляющий провод Е
Провод бесшумного заземления ТЕ
Провод соединения с корпусом ММ
Провод эквипотенциальный СС
Обозначение проводов специального вида приведено в таблице 2.
|
|
|
Таблица 2.
Система питания переменного тока
Фазовый провод L
1-я фаза L1
2-я фаза L2
3-я фаза L3
нейтральный провод N
Система питания постоянного тока
Положит. Полюс L+
Отриц. полюс L-
Средний провод М
Защитный провод с заземлением PE (без зазем. PU) Соединенный защит и заземл провод PEN
Заземляющий провод Е
Провод бесшумного заземления ТЕ
Провод соединения с корпусом ММ
Провод эквипотенциальный СС
v Обозначения участков цепи
v
![]() |
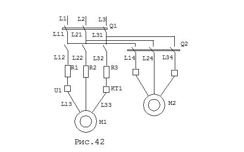
Например, участки цепи 1-ой фазы L1,L11,L12,L132, 2-ой фазы L2,L21,L22,L23 (рис.42)
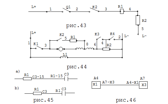
v Цепи постоянного тока обозначают нечетными числами на участках положительной полярности и четными числами на участках отрицательной полярности рис.43. В обозначение цепи допускается включать обозначение, функционального назначения цепи. В качестве обозначений могут быть использованы адреса присоединений участков цепи (рис.45b, 46) или смешанное обозначение, состоящее из указания цепи и адресов присоединения (рис.45a).
![]() |









