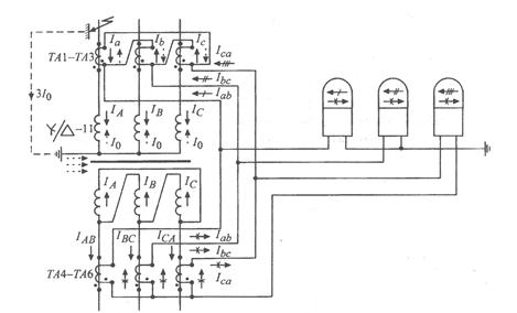
Рис. 99 Схема соединения трансформаторов тока и обмоток реле продольной дифференциальной защиты трансформатора
Рис. 97 Дифференциальная защита трансформатора
Дифзащита действует на отключение трансформатора со всех сторон без выдержки времени. Дифзащита трансформаторов имеет ряд особенностей, которые рассматри-ваются ниже.
Первичные токи силового трансформатора не равны по величине и не совпадают по фазе. Например, для понижающего трансформатора с соединением обмоток
токи
и
различаются по величине и между ними существует сдвиг по фазе (рис. 97).
Для того, чтобы снизить
(см. рис. 97), протекающий по реле в нормальном режиме и при внешнем к.з. в точке К1,необходимо выровнять I ' и I " по величине. Это осуществляется с помощью выбора коэффициентов трансформации ТА
.
Компенсация фазного сдвига выполняется соединением вторичных обмоток трансформаторов тока в
со стороны
силового трансформатора и в
- со стороны
силового трансформатора. Тогда один из вторичных токов, подаваемых в реле, разворачивается на 30° и I ' и I " протекают по реле в нормальном режиме и в режиме внешнего к.з. под углом 180°. Поясняющие векторные диаграммы приведены на рис. 98. Распределение токов по трансформаторам тока и реле приведено для нормального режима на рис. 99.
|
|
|
Добиться уменьшения
до 0 практически невозможно. Величина
сказывается на чувствительности защиты, т.к.
, где
;
- ток небаланса, протекающий по реле КА(см. рис. 97) при внешнем к.з.
Ток небаланса силовых трансформаторов состоит из нескольких составляющих:

Рис. 98 Векторные диаграммы токов в дифзащите трансформатора:
а) первичные токи трансформатора Т; б) вторичные токи трансформаторов тока; в) токи, подаваемые в реле

где
- ток небаланса, обусловленный погрешностями ТА, он получается большой величины, поскольку ТА, используемые в дифзащите, различны по исполнению (различной марки, имеют различные n т);
появляется при изменении коэффициента трансформации силового трансформатора под нагрузкой;
появляется из-за невозможности точно компенсировать неравенство токов I ' и I " (округление числа витков на обмотках реле РНТ, ДЗТ-11 и коэффициентов трансформации регулировочных автотрансформаторов ДЗТ-21).
При расчете дифзащит трансформаторов на реле серии РНТ и ДЗТ-11 снижается величина
, поскольку апериодическая слагающая тока
отфильтровывается и в реле не попадает.
Ток
выбирается из условия отстройки от
при внешнем к.з.:
,а также по условию отстройки от броска тока намагничивания при включении трансформатора:
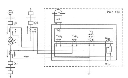
, k н = 1,3. За окончательное значение
выбирается большее. Схема подключения реле РНТ-565 к трансформаторам тока в защите трансформатора приведен на рис. 100.
|
|
|
По выбранному
определяют
, а затем рассчитывают число витков, необходимых для установки на обмотках реле РНТ-565, исходя из того, что реле срабатывает при 100 А-витках
.
Обмотки реле подключаются к обмоткам ТА таким образом, чтобы в нормальном режиме магнитные потоки, а следовательно, и намагничивающие силы, создаваемые токами высокой, средней и низкой сторон, были уравновешены. Поскольку вторичные токи сторон защищаемого трансформатора сбалансировать абсолютно точно невозможно, выравнивают намагничивающие силы
. Для трехобмоточного трансформатора (рис. 100) баланс намагничивающих сил в нормальном режиме записывается следующим образом
.

Рис. 100 Схема включения реле РНТ в дифференциальной защите трехобмоточного трансформатора с односторонним питанием
У трехобмоточного трансформатора для выравнивания намагничивающих сил используют все три обмотки реле. Для двухобмоточного трансформатора можно использовать две обмотки, например,
и
или
и
.
Схема выполнения защиты на реле ДЗТ-11 приведена на рис. 101. Тормозная обмотка подключена на сторону СН. Ток
определяется по условию отстройки от броска тока намагничивания
, затем рассчитывают необходимое для установки число витков. Выбор
производится исходя из требования недействия защиты при внешних к.з.
Следует отметить, что k ч для защит с реле ДЗТ-11 получается выше, чем у защит с реле РНТ-565.
Для трансформаторов малой мощности (S <6300 кВА) может быть использована токовая отсечка. Она работает при междуфазных к.з., и в зону ее действия попадает не весь трансформатор. От витковых к.з. в таком случае используется газовая защита.
Газовая защита установлена на всех трансформаторах, она действует при к.з. внутри бака и отключает трансформатор без выдержки времени при сильном выделении газа. При слабом выделении газа газовая защита действует на сигнал.
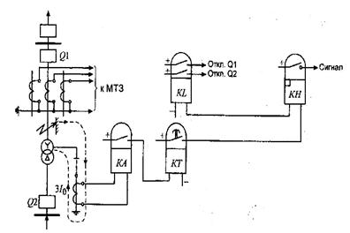
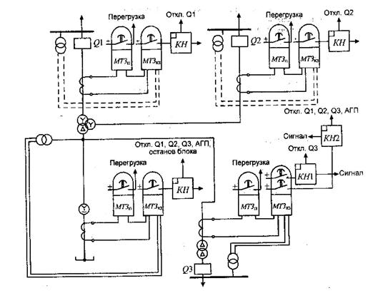
В качестве резервной защиты от к.з. во внешней сети применяются МТЗ, МТЗ с блокировкой по минимальному напряжению, фильтровая токовая защита обратной последовательности, реагирующая на несимметричные к.з. На трансформаторах большой мощности и на автотрансформаторах применяется дистанционная защита. Все защиты выполняются таким образом, чтобы в зону их действия попадал трансформатор или автотрансформатор. Схема подключения резервных защит для двухобмоточного трансформатора приведена на рис. 102
В качестве резервной защиты используется МТЗ с пуском по напряжению (реле КА1, КА2, КА3 и реле времени KT)

.
Рис. 101 Схема включения реле ДЗТ в дифференциальной защите трехобмоточного трансформатора с двухсторонним питанием

Рис. 102 Токовые защиты понижающего трансформатора
Напряжение срабатывания защиты рассчитывается также как для аналогичных защит генератора. Время согласуется с временем отходящих от шин низкого напряжения присоединений.

Рис.103 Размещение токовых защит от межфазных к.з. и перегрузок
на трехобмоточном трансформаторе с двухсторонним питанием
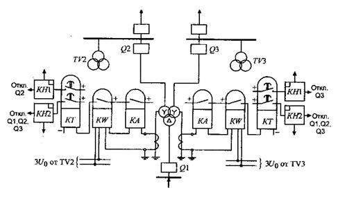
Размещение резервных защит для трехобмоточного трансформатора приведено на рис. 103.
На трехобмоточных трансформаторах и автотрансформаторах, имеющих двухстороннее питание, резервная защита одной из питающих сторон должна быть выполнена направленной.
На рисунке 103 у защиты на СН установлены две выдержки времени. Направленная ступень (КА1, KW, KT2')имеет выдержку времени больше, чем у реле KТЗ, но меньше, чем у МТЗ на ВН. Данная ступень резервирует к.з. внешней сети СН. Ненаправленная ступень МТЗ на СН (КТ2")имеет выдержку времени больше, чем время МТЗ на НН и МТЗ на ВН. Предназначена эта ступень для отключения к.з. в трансформаторе.
Защиты от замыканий на землю установлены со стороны обмотки, имеющей заземленные нейтрали (рис. 104, а).
|
|
|
Трансформатор тока установлен в нейтрали трансформатора. Защита согласуется по току и по времени с защитами от замыканий на землю сети ВН.
Для трехобмоточных трансформаторов защиты установлены со стороны двух обмоток, имеющих заземленные нейтрали (рис. 104, б).Реле времени KTимеет две выдержки времени. С меньшей выдержкой
отключается выключатель своей стороны, с большей
- трансформаторные выключатели всех трех сторон. Таким образом, вторая ступень резервирует дифференциальную защиту трансформатора при однофазных к.з. в трансформаторе.
Обе МТЗ нулевой последовательности (рис. 104, б) выполнены направленными, что позволяет селективно отключать повреждения во внешних сетях.
а)

б)

Рис. 104 Токовые защиты нулевой последовательности трансформаторов:
а - с трансформатором тока в проводе заземления нейтрали; б - направленная токовая защита нулевой последовательности
Защита от перегрузки током устанавливается на всех трансформаторах со стороны источника питания или, в случае необходимости, со всех сторон трансформатора. По типу - это МТЗ в однофазном исполнении. Защита действует на сигнал. На подстанциях без обслуживающего персонала защита от перегрузки действует с выдержкой времени
на сигнал, c
- на отключение части потребителей и с t 3> t 2 - на отключение силового трансформатора. На рисунке 102 МТЗ от перегрузки выполнена на реле
и КTЗ.
Условие срабатывания
,
где
=1,05;
=0,85.
15. ОСНОВНЫЕ ЗАЩИТЫ БЛОКОВ «ГЕНЕРАТОР-ТРАНСФОРМАТОР»
Современные крупные ГРЭС, АЭС, ГЭС выполняются по блочному принципу. Релейная защита генераторов, трансформаторов и трансформаторов собственных нужд
выполняется таким же образом, как для оборудования, не объединенного в блок, но существует ряд особенностей при выполнении защит блоков.
1. Соединение в один блок нескольких элементов позволяет объединить однотипные защиты в одну. Например, дифзащита блока, МТЗ от внешних к.з., МТЗ от перегрузки и т.п.
|
|
|
2. Различные режимы работы нейтрали генератора и сети, т.е. отсутствие электрической связи, позволяет не согласовывать между собой защиты от замыканий на землю в ста-горной обмотке генератора и защит)' от однофазных к.з. во внешней сети.
3. На блоках релейные защиты действуют не только на выключатель блока и АГП, но и на технологические защиты и на останов блока в целом
4. Малые запасы по нагреву мощных генераторов обусловливают необходимость применения защит от нагрева ротора при несимметричном режиме
5. Высокая стоимость мощных блоков повышает требования к надежности, чувствительности и быстродействию защит блоков.
К основным защитам блока относятся: продольная дифференциальная защита генератора, поперечная дифференциальная защита генератора (если она может быть установлена на генераторе, т.е. статорная обмотка генератора содержит параллельные ветви), дифференциальная защита силового трансформатора, газовая защита трансформатора, дифференциальная защита ошиновки высокого напряжения (по принципу действия аналогична дифференциальной защите шин). Все перечисленные защиты действуют без выдержки времени на отключение и останов блока при всех видах к.з. в генераторе, трансформаторе и на выводах блока к шинам высокого напряжения. В блоке обязательно присутствие трансформатора собственных нужд (ТСН). Он имеет свою дифференциальную и газовую защиту, которая отключает выключатель на высоком напряжении ТСН, если он установлен, или выключатель блока с его остановом, если этого выключателя нет. Тип реле, используемых в дифзащитах, зависит от мощности блока. На генераторах это чаще всего реле ДЗТ-11, а на силовых трансформаторах - реле ДЗТ-21. Принцип действия данного реле заключается в отличии вида тока включения и тока к.з. Применение реле ДЗТ-21 позволяет увеличить
зашиты, т.к.
для реле ДЗТ-21, а для реле ДЗТ-11 -
.

Рис. 105 Дифференциальные защиты блока
Дифференциальные защиты выполняются отдельно для трансформатора и генератора, но зоны защит должны перекрывать друг друга (рис. 105).
Расчет защит приведен в соответствующих разделах.
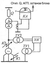
От однофазных к.з. в цепи статора генератора предусмотрена специальная защита, причем на блоках большой мощности это защита типа ЗЗГ (рис. 106).
Данная защита реагирует на напряжение нулевой последовательности. В устройстве ЗЗГ содержится 2 блока: один (ZF1)реагирует на напряжение
первой гармоники (f =50 Гц), а второй блок (ZF3) - на напряжение
третьей гармоники.
При к.з. в точке К1«вблизи нейтрали»
близко к нулю и блок первой гармоники на него не реагирует, но при к.з. в точке К1напряжение
,следовательно, к.з. «вблизи нейтрали» попадает в зону действия блока третьей гармоники. При к.з. в точке К2 на выводах статарной обмотки, наоборот,
, а
, поэтому работаег блок первой гармоники. Таким образом, в зоне защиты оказывается вся статарная обмотка генератора. Серийно выпускаются защиты типа ЗЗГ-1, ЗЗГ-2. Эти защиты не имеют «мертвой зоны».
От к.з. на землю на стороне ВН защита установлена в глухозаземленной нейтрали силового трансформатора (рис. 107). Защита реагирует на ток
, возникающий при к.з. на землю и согласуется по току и по времени с защитой от замыканий на землю во внешней сети.
Для блоков с генераторами мощностью больше 1000 МВт устанавливается дополнительно резервная дифференциальная защита блока. Она охватывает весь блок и действует на отключение и останов блока с выдержкой времени.
Для защиты блоков от внешних к.з. устанавливаются МТЗ и дистанционные защиты. Они подключаются к трансформаторам тока, установленным в нейтрали генератора и к трансформаторам напряжения, установленным на выводах статорной обмотки генератора. Этим самым увеличивается зона действия защиты, т.к. в нее попадает блок. Защиты согласуются по токам, сопротивлениям и временам с защитами внешних присоединений и действуют на отключение и останов блока с выдержкой времени (рис. 108).
На рисунке 108, апоказано размещение защит блока с двухобмоточным трансформатором. На рисунке 108, б - с трехобмоточным блочным трансформатором.

Рис. 107 Защита от замыканий на землю генератора и трансформатора
В качестве защиты от несимметричных к.з. на генераторах устанавливается токовая защита обратной последовательности на базе реле РТФ-6М, имеющем интегрально зависимую выдержку времени (рис. 109). В данном реле большее значении
отключается с меньшим временем. Может быть реализована многоступенчатая защита (см. рис. 109, кр. 2), которая реализуется на реле РТФ-7. Сигнализация от симметричной перегрузки устанавливается общей для блока и выполняется в виде МТЗ с выдержкой времени большей, чем время действия самой медленной ступени токовых чащит блока. Реле подключается к трансформаторам, установленным в нейтрали генератора.
а)

б)

Рис. 108 Токовые защиты от междуфазных к.з. и перегрузок блока генератор-трансформатор:
а - размещение защит на блоке генератор-двухобмоточный трансформатор; б - размещение защит на блоке генератор-трехобмоточный трансформатор.
|

Рис. 109 Интегрально зависимая выдержка времени
На генераторах устанавливается защита от повышения напряжения, отключающая блок при
.
На роторе генератора установлены зашиты от замыканий на землю в цепи обмотки ротора, а также защиты от перегрузки ротора током возбуждения. Они описаны в разделе «Защиты генераторов».
Блочные генераторы, как правило, имеют защиту от потери возбуждения. При потере возбуждения генератор начинает работать в асинхронном режиме, он выдает в сеть активную мощность и потребляет из сети реактивную. Защита от потери возбуждения выполняется с помощью реле сопротивления, подключенного к трансформаторам тока, установленным в нулевых выводах генератора.
Принцип выполнения защиты основан на том, что в нормальном режиме
может быть представлена вектором
, расположенным в первом квадранте комплексной плоскости (рис. 110).
При потере возбуждения генератор работает с потреблением реактивной мощности Qиз сети, т.е.
смещается из первого квадранта, т.к.
. Следовательно, если использовать реле сопротивления, имеющее характеристику, расположенную в нижней части полуплоскости Z cp (см. рис. 110), то можно получить защиту, отличающую нормальные режимы от режимов, вызванных потерей возбуждения. Часть плоскости, расположенная внутри окружности Z cp, соответствует рабочей зоне реле сопротивления. Защита действует на разгрузку блока и турбины или на отключение генератора при недопустимости работы его в асинхронном режиме.
16. ЗАЩИТА ШИН СТАНЦИЙ И ПОДСТАНЦИЙ. УРОВ
Короткие замыкания на сборных шинах станций и подстанций возникают:
1) из-за перекрытия шинных изоляторов и вводов выключателя;
2) повреждения трансформаторов тока и напряжения;
3) поломка изоляторов разъединителей и воздушных выключателей;
4) ошибок оперативного персонала при переключениях.
Отключение повреждений на шинах может производиться защитами элементов, питающих эти шины. Это, как правило, резервные защиты трансформаторов, генераторов, линий, двигателей. Они имеют большие выдержки времени и иногда не могут обеспечить селективного отключения повреждения на шинах. Для защиты шин используют специальные защиты с высокими показателями по надежности и чувствительности.
Для шин 110 кВ и выше используется дифзащита, принцип действия которой основан на первом законе Кирхгофа. Сумма токов, притекающих к шинам равна сумме токов, уходящих из шин. В нормальном режиме и в режиме внешнего к.з. это условие всегда выполняется. Если же к.з. происходит на шинах, то весь ток течет в точку к.з., а ток протекающий по реле отличен от нуля (рис. 111). Таким образом, записанное ниже условие выполняется в нормальном режиме и в режиме внешнего к з.
.

Рис. 111 Принцип действия дифзащиты шин
При к.з. К1 ток
и
, т.е. при к.з. на отходящих присоединениях защита не работает.
При к.з. К2 на системе шин все токи текут в точку к.з. и
, защита работает и действует на отключение всех присоединений данной системы шин без выдержки времени. Дифзащита шин выполняется с помощью реле типа РНТ (реле с быстронасыщающимся трансформатором). Все трансформаторы тока принимаются одинаковыми с одинаковым коэффициентом трансформации. Ток срабатьтания защиты выбирается, исходя из двух условий:
1.
,
;
-наибольшее значение тока небаланса, протекающего по реле при внешнем к.з.
2.
;
-нагрузочный ток наиболее мощного присоединения.
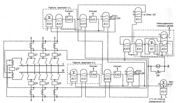
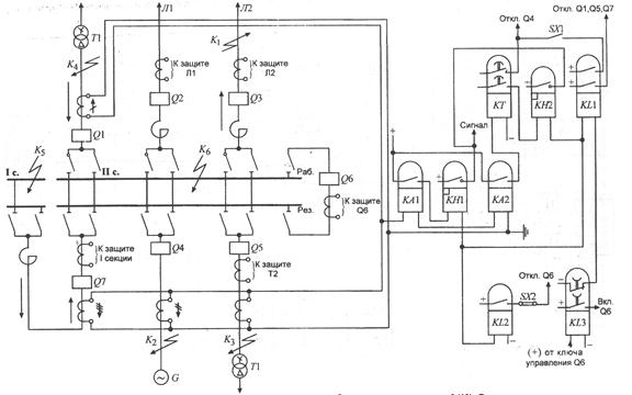
Выполнение схемы защиты шин определяется схемой выполнения сборных шин станции или подстанции. Рассмотрим в качестве примера релейную защиту шин для подстанции с двумя системами шин и фиксированным распределением элементов.
Структурная схема защиты приведена на рис. 112. В данной схеме обязательно наличие трех комплектов токовых реле (реле типа РНТ). Комплекты 1 и 2 называются избирательными, а комплект 3 - пусковым. Избирательные комплекты определяют на какой системе шин возникло к.з. Пусковой комплект работает при к.з. на любой из систем шин. Наличие комплекта 3 необходимо для того, чтобы при нарушениях фиксации (например, элемент 2 присоединен ко II системе шин (--)) и внешних к.з. (К1)защита ложно не отключала все присоединения на подстанции. Отключение присоединений системы шин произойдет только при условии работы пускового комплекта и одного из избирательных. При нарушениях фиксации (---) и к.з. К1работают оба избирательных комплекта, но не работает пусковой, вследствие чего не происходит ложного отключения подстанции.

Рис. 112 Защита шин для подстанции с двумя системами шин и фиксированным
распределением элементов
В схеме присутствуют 2 чувствительных комплекта (4 и 5), которые работают после неуспешного АПВ шин. АПВ шин включает элементы, отключенные дифзащитой шин поочередно, начиная с наиболее мощного питающего элемента. Если к.з. было устойчивое, то включенный элементы вновь отключается защитой с помощью чувствительного комплекта (
) " подается сигнал «запрет АПВ» на остальные элементы данной системы шин.
Дифзащита называется полной, когда трансформаторы тока установлены на всех присоединениях. Такая защита применяется для шин 110 кВ и выше. Принципиальная схема полной дифзащиты приведена на рис. 113. Избирательные комплекты выполнены на реле КАТ1 и КАТ2, пусковой комплект - на реле КАТ3. В схеме предусмотрен вывод защиты из действия при обрывах вторичных цепей ТА – реле КА1, КТ, КL4.
При обрывах вторичных цепей ТА в реле КА1 появляется ток, оно сработает и с выдержкой времени записывает реле КL4, которое снимает «+» оперативного тока с контактов реле КАТ3, чем и выводит дифзащиту из действия. Выдержка времени нужна для отстройки от бросков
при к.з. на шинах, когда защита должна подействовать на отключение.
При к.з. на первой системе шин работают реле КАТ1 и КАТ3. При срабатывании реле КАТ3 записывается реле КL3, отключающее секционный выключатель Q7 и подающее «+» оперативного тока на контакт реле КАТ1, которое отключает выключатели Q1-Q3 через реле КL1.
При наличии устойчивого к.з. на первой системе шин приходит в действие ее чувствительный комплект. После работы защиты шин АПВ включает самый мощный питающий элемент. Если к.з. не установилось, то величина тока
будет меньше, чем в первый момент возникновения аварии, когда были включены все присоединения. Следовательно, реле КАТ1 и КАТ3 не сработают, а сработает реле КА2. Реле КL6 работает после срабатывания реле КL1, отключающего присоединения первой системы шин. Реле КL6 имеет размыкающийся с выдержкой времени контакт, который остается замкнутым после отключения выключателей Q1-Q3. Если к.з. устойчиво и работает реле КА2, то сигнал на отключение подается через контакт реле КL6. АПВ всех остальных элементов запрещается.
Неполная дифзащита – если трансформаторы тока установлены только на питающих элементах. Данная защита применяется для защиты шин 6-35 кВ. Схема защиты приведена на рис. 114.
Защита имеет две ступени: 1-я ступень – основная, действует при к.з. на шинах, а 2-я ступень – резервная – действует при к.з. на отходящих линиях. В 1-ю ступень входит реле КА1, включенное на сумму токов всех источников питания. Все ТА имеют одинаковые
. При внешних к.з. (точка К1 на Л1) в реле КА1 токи не сбалансированы, по реле протекает
от источников питания и суммарный ток нагрузки линий (линии Л2 для рассматриваемой схемы). Для исключения срабатывания защиты в этом режиме необходимо, чтобы
;
.
При к.з. на соседней секции (точка К5), а также при к.з. в точках К2 и К3 токи в реле уравновешены и защита не работает.
В нормальном режиме по реле КА1 протекает ток
, но т.к. к защите не подключен ток по линиям Л1 и Л2, то ток
по реле КА1 в нормальном режиме будет меньше, чем при внешних к.з., и защита работать не будет.

Рис. 113 Дифференциальная защита сборных шин подстанций с двойной системой и фиксированным распределением элементов

Рис. 114 Неполная дифференциальная защита сборных шин напряжением 6(10) кВ
При к.з. на шинах (точка К6) защита сработает, если
. В этом случае сигнал на отключение подается с выдержкой времени, установленной на реле КТ.
Основная ступень защиты выполнена на реле КА1- это токовая отсечка, которая действует на отключение выключателей источников питания без выдержки времени через реле KL2 и KL1.
Таким образом, реле КА2 резервирует действие реле КА1, а также токовых защит линий Л1 и Л2.
Ток срабатывания реле КА1 выбирается по следующим условиям:
1.
;
.
2. Условие отстройки от увеличения тока при действии АВР на Q7
,
где
- нагрузка на своей секции;
- нагрузка, подключаемая к секции при действии АВР на Q7;
,
.
Ток
для реле КА2 выбирается по следующим условиям:
1. Условие возврата реле после отключения поврежденной ЛЭП своей защитой
,
где
- коэффициент, учитывающий увеличение тока при самозапуске двигателей.
2. Условие недействия защиты при работе АВР на Q7
,
где
- коэффициент, учитывающий самозапуск двигателей на соседней линии;
.
Рассмотренная схема неполной дифференциальной защиты шин может быть применена для защиты шин генераторного напряжения электростанций.
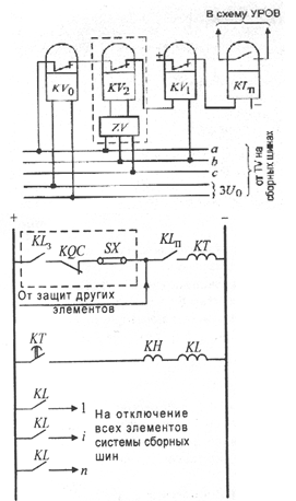
Резервирование действия защиты и отказа выключателя (УРОВ). При автоматической ликвидации повреждений встречаются случаи отказа в действии релейной защиты или выключателей. Подобные случаи могут привести к тяжелым авариям, поэтому необходимо резервировать действие релейной защиты и выключателей. Применяется 2 способа резервирования:
1) дальнее резервирование;
2) ближнее резервирование.
Дальнее резервирование выполняется резервными ступенями основных защит (III ступень дистанционной защиты) или резервными защитами (МТЗ трансформаторов, генераторов). Ближнее резервирование осуществляется защитами с выключателями той же подстанции, где произошел отказ.
Достоинство дальнего резервирования в том, что основная и резервная защиты находятся на разных подстанциях и не зависят друг от друга. Но в сложных сетях резервные защиты часто обладают низкой или недостаточной чувствительностью. Устройство ближнего резервирования (УРОВ) (рис. 115) при к.з. К1 и поломке выключателя
действует на отключение всех присоединений, т.е.
,
,
. То же самое происходит при наличии к.з. и поломке любого из выключателей данной системы шин.

Рис. 115 Принцип действия УРОВ
Для запуска схемы УРОВ выполняются специальные токовые реле, установленные на каждом присоединении. Поскольку в результате действия УРОВ могут произойти многочисленные отключения, то время действия УРОВ выбирается больше, чем время самой большой ступени резервной защиты всех присоединений. Запуск УРОВ осуществляется при выполнении следующих условий:
- сработала защита присоединения (самая грубая по времени ступень);
- выключатель присоединения остался во включенном положении;
- находятся в сработанном состоянии пусковые реле УРОВ.
Схема УРОВ имеет большое количество блокировок, запрещающих ее работу, при неисправностях цепей защиты, исчезновении напряжения, неисправностях источников питания оперативных цепей. Пример выполнения схемы УРОВ приведен на рис. 116. Реле
устанавливается на каждое присоединение, сигнал на отключение неповрежденных присоединений подается через реле КТ, KL.
![]() | |||
![]() | |||
Рис. 116 Устройство резервирования при отказе выключателей:
а- с дополнительным пусковым органом напряжения; б- с дополнительными пусковыми токовыми органами
На рисунке 116, а пусковой орган УРОВ выполнен с помощью реле напряжения. В нормальном режиме реле
держит свои контакты разомкнутыми. При возникновении трехфазных к.з. работает реле
(реле минимального напряжения), которое замыкает сиой контакт и подает питание на реле
. При двухфазных к.з. работает реле
, подключенное на фильтр напряжений обратной последовательности ZF. Контакт
размыкается и снимается питание с реле
, которое замыкает свой контакт и подает питание на реле
. При однофазных к.з. работает реле
. При появлении
размыкается контакт
и снимается питание с катушки реле
.
Реле KQC - реле положения «ВКЛЮЧЕНО». Оно контролирует включенное положение выключателя. При срабатывании реле
, работе защиты и включенном выключателе одного из элементов, подключенных к системе шин, получает питание реле КТ (рис. 116, а) и с выдержкой времени подается сигнал на отключение всех элементов системы шин.
На рисунке 116, б представлена схема УРОВ с токовыми пусковыми органами. Реле КАП установлено на каждом присоединении. При к.з. на любом из элементов работает реле КАП данного элемента, работает защита этого элемента KL3. Включенное положение выключателя присоединения контролируется замкнутым положением реле KQC. Затем получает питание реле КГ и с выдержкой времени подается сигнал на отключение.
Реле КАПподключено к ТА через трансформатор TL,имеющий три первичных обмотки, которые подключены на токи фаз А, В, С. Данное реле позволяет увеличить чувствительность УРОВ и снизить вероятность ложной работы реле КАП.
17. РЕЛЕ ЗАЩИТЫ, ВЫПОЛНЕННЫЕ НА ИНТЕГРАЛЬНЫХ МИКРОСХЕМАХ
Современное состояние находящихся в эксплуатации устройств РЗА характеризуется наличием трех групп устройств РЗА, связанных с элементной базой, на которой выполняются данные устройства.
Первая группа, самая многочисленная и давно известная, - традиционные электромеханические реле.
Вторая группа- устройства РЗА с реле, выполненными на интегральных микросхемах.
Третья группа- цифровые устройства РЗА.
Устройства первой группы выполнены на электромеханических реле и существуют с начала XX-го века. Реле, которые входят в состав этих устройств, реализованы на ряде принципов, а именно: электромагнитном, индукционном, магнитоэлектрическом и т.д. Наладка и настройка таких реле трудоемка и требует времени, поскольку в реле имеются вращающиеся диски, барабанчики, пружины, подвижные контакты, которые бывает сложно отрегулировать. К очевидным достоинствам устройств данной группы следует отнести их дешевизну и наглядность схем РЗА.
Вторая группа - устройства РЗА на реле, выполненных на интегральных микросхемах. Они находятся в эксплуатации с 70-х годов. В основу действия таких реле положен один принцип, получивший название «время-импульсный». В данных реле нет подвижных вращающихся элементов. Срабатывание реле фиксируется величиной напряжения на его выходе
. Например: у несработавшего реле
=-13 В, а при срабатывании реле
изменяется до +13 В.
Одним из основных достоинств устройств РЗА данной группы является наличие встроенного диагностического контроля, что значительно облегчает и сокращает время плановых проверок РЗА. Для проверки исправности работы логической части РЗА достаточно подать напряжения определенной величины, так называемые тесты, в контрольные точки схемы. Подача тестов производится кнопками или ключами, установленными на лицевой панели устройства. Сигнальные лампы «ИСПРАВНОСТЬ» и «НЕИСПРАВНОСТЬ» сигнализируют о состоянии логической части схемы. Наличие ряда тестов позволяет поочередно проверять логические части всех защит в данном устройства РЗА. Например, I, II, III зоны дистанционной защиты и I, II, III, IV зоны токовой защиты нулевой последовательности в панели ШДЭ-2801 (2801). Тестирование также позволяет выявить неисправные блоки.
Применение время-импульсного принципа в защитах позволяет улучшить показатели устройств РЗА. Так, например, коэффициент возврата
у реле серий РСТ и РСН равен
, в то время как аналогичные электромеханические реле имеют
. Реле ДЗТ-21 (23), используемое в дифференциальных защитах трансформаторов, позволяет устанавливать ток срабатывания защиты
, а для реле ДЗТ-11
.
Ремонт устройств, выполненных на интегральных микросхемах, осуществляется проще. При выходе из строя одного из блоков достаточно снять его с панели и заменить новым. Данная операция не требует никаких монтажных работ.
К основным недостаткам устройств данной группы следует отнести сложность схем и их довольно высокую стоимость по сравнению с устройствами РЗА первой группы.
Третья группа - цифровые устройства РЗА. В настоящее время в системах установлено сравнительно небольшое число таких комплектов, что обусловлено их высокой стоимостью.
Достоинства цифровых защит очевидны. Это возможность расчета практически любых электрических величин, необходимых для действия устройств, что позволяет сделать их более чувствительными и быстродействующими. Ограничений по сложности работы алгоритмов и их количеству тоже практически нет. Реализация времязависимых защит (
) на цифровых устройствах проста, в то время как для электромеханических реле это сложная задача: существующее реле РТ-80 требует больших трудозатрат по настройке и наладке, а в цифровых защитах предлагается регулировать кривые, такие как
, по признакам «более инверсная», «менее инверсная» и т.д. В цифровых РЗА также просто решаются вопросы нахождения активных, реактивных и полных сопротивлений. Реле сопротивления используются в дистанционных защитах, защитах генераторов от асинхронных режимов, в устройствах автоматики, ликвидирующих асинхронный режим (АЛАР).

Рис. 117 Структурная схема статического реле защиты
У реле, составляющих вторую группу, имеется ряд специфических узлов, которыми не располагают электромеханические реле. Обобщенная структурная схема реле, в котором применены операционные усилители (ОУ), показана на рис. 117. Схема состоит из пяти основных узлов:
- узел измерения (УИ), содержащий измерительные преобразователи или датчики токанапряжения, которые подаются на реле от измерительных трансформаторов тока и напряжения защищаемого объекта;
- узел формирования (УФ), в котором из поступающих входных сигналов получают специально сформированные напряжения переменного или выпрямленного тока, требующиеся для реализации характеристики реле после их сопоставления в узле сравнения;
- узел сравнения (УС), служащий для дальнейшего преобразования сравниваемых напряжений в удобную для этого форму, собственно сравнения и получения на выходе узла управляющего сигнала, если результат сравнения свидетельствует о соответствии поданных на реле токов и напряжений условиям его срабатывания;
- узел выхода (УВ), обеспечивающий срабатывание содержащегося в нем электромеханического или герконового реле при поступлении управляющего сигнала из УС;
- узел питания (УП), предназначенный для получения от источника оперативного тока защищаемого объекта стабилизированных напряжений постоянного тока, требующихся для работы интегральных микросхем (ИМС) и исполнительного выходного реле.
Содержащиеся в УИ измерительные преобразователи (датчики) представляют собой промежуточные трансформаторы, предназначенные для отделения ИМС реле от вторичных цепей защищаемого объекта и трансформации токов и напряжений. В реле
сопротивления и направления мощности устанавливаются как датчики тока, так и датчики напряжения.
В УФ производится обработка сигналов, поступающих от датчиков тока и напряжения. Способ обработки сигналов сильно зависит от типа реле. В одних реле - это только выпрямление, в других - усиление и сдвиг по фазе, в третьих - дифференцирование, выделение (подавление) отдельных гармоник, суммирование и т.д.
Узел сравнения может быть представлен как состоящий из трех частей. В преобразующей части (ПЧ) УС осуществляет превращение поступающих из УФ синусоидальных или выпрямленных сигналов в импульсы определенной формы, наиболее удобной для выполнения операции сравнения. Чаще всего используются импульсы прямоугольной формы заданной длительности. В ряде типов реле в этой части УС производится сопоставление полученных импульсов между собой или с заранее подготовленным сигналом установленного уровня или продолжительности. В качестве сигнала заданного уровня берется напряжение постоянного тока стабильного значения, называемое опорным (
).
Другой составной частью УС является собственно схема сравнения (СС), в которой сравниваемые импульсы сопоставляются между собой не только по значению, но и по длительности их существования. Применяется несколько вариантов СС сигналов по продолжительности, в том числе такие, где сравниваемый сигнал предварительно проходит операцию интегрирования. Различие в вариантах схем сравнения сигналов по длительности обусловливается задачей получения требуемой характеристики реле.
Схемы сравнения, в которых происходит сравнение входных сигналов с опорным напряжением, применяются в основном в реле тока и напряжения общего назначения (РСТ и РСН).
Последняя часть УС - исполнительная (ИЧ). В ней создается командный сигнал, если результат сравнения показывает, что параметры токов и напряжений, поступающих в реле, соответствуют условиям его срабатывания. Обычно ИЧ представляет собой усилитель с положительной обратной связью, обеспечивающей «релейный» эффект при действии реле.
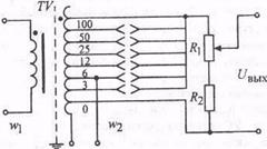
Измерительные преобразователи тока и напряжения (датчики) являются основной частью узла измерения. Наряду с основными функциями они защищают полупроводниковую часть реле от высокочастотных наводок, которые могут проникать в цепи вторичной коммутации. Для защиты служит специальный экран, помещаемый между первичной и вторичной обмотками входного трансформатора датчика. Экран представляет собой однослойную обмотку, соединенную с нулевой шинкой реле (рис. 118).

а) б)
Рис. 118 Датчики тока и напряжения:
а - датчик тока с выпрямителем; 6 -датчик напряжения со ступенчатой и плавной регулировкой выходного напряжения
Нагрузкой измерительных преобразователей служат подобранные соответствующим образом резисторы. Падение напряжения, снимаемое с резистора, используется в качестве входного для УФ. В простейшем случае в качестве нагрузки
датчика тока используют резистор, включенный через двухполупериодный выпрямитель (рис. 118, а).Применяются датчики тока с несколькими ступенями регулировки с помощью резисторов, подсоединяемых через переключатели ко вторичной обмотке датчика.
Выходное напряжение датчика напряжения снимается с делителя напряжения на резисторах, имеющего плавную и ступенчатую регулировки (рис. 118, б).
Узел формирования предназначен для преобразования входного напряжения в требуемую реле характеристику. Способ и объем такого преобразования определяется типом репе. Одним из наиболее распространенных способов формирования сигналов в серийных реле тока и напряжения является выпрямление. В большинстве случаев применяется схема двухполупериодного выпрямления, собранная на диодах. В случаях, когда нельзя ограничиться простым выпрямлением, используют масштабные усилители.
Если сравниваемое напряжение образуется из суммы напряжений, создаваемых разными датчиками, то в УФ используется сумматор на операционных усилителях. Если при этом нужно обеспечить дополнительный сдвиг слагаемых напряжений или токов между собой, то каждый из сигналов подается на вход сумматора через некоторое комплексное сопротивление.
Когда из подаваемых в УС напряжений требуется исключить апериодические слагающие и составляющие высших гармоник, в УФ применяются активные полосовые фильтры.
Для выполнения реле защиты, реагирующих на симметричные составляющие токов и напряжений, применяют фильтры симметричных составляющих. На рисунке 119 изображена схема фильтра тока обратной последовательности, выполненная на ОУ и применяемая в УФ реле, реагирующих на токи обратной последовательности. Эта схема используется в реле тока обратной последовательности типов РТФ8 и РТФ9.
Число витков обмотки, обтекаемой током нулевого провода, в 3 раза меньше числа витков обмотки, обтекаемой фазным током. Благодаря этому соотношению витков обеспечивается компенсация токов нулевой последовательности на входе фильтра.
Параметры схемы подбирают таким образом, чтобы
;
;
. Если подвести к фильтру симметричную систему токов прямой последовательности, то векторная диаграмма токов в плечах фильтра будет иметь вид, приведенный на рис. 119, б. Ток выхода фильтра в этом случае равен
.
Если к фильтру подвести симметричную систему токов обратной последовательности (рис. 119, в), то модуль выходного тока фильтра будет превышать фазный ток в 1,5 раза.
Фильтр имеет тот недостаток, что при отклонении частоты сети от
происходит увеличение погрешности, т.е. растет несбалансированный ток фильтра.
Узлы сравнения, используемые в серийных реле защиты, имеют несколько вариантов исполнения. Для реле тока и напряжения, реагирующих на полные значения измеряемых электрических величин, УС работает на времяимпульсном принципе (рис. 120). Для срабатывания реле требуется, чтобы, во-первых, входной сигнал превысил некоторое заданное значение и, во-вторых, обеспечивалось определенное соотношение между временем превышения заданного уровня и временем, когда входной сигнал ниже уровня срабатывания. Эти условия обеспечивают хорошую отстройку реле от помех, возникающих в цепи питания реле оперативным током и наведенных от смежных цепей напряжений.
УС содержит два индикатора уровня. Один из них входит в состав преобразующей части узла и представляет собой компаратор, собранный на ОУ А 1. На Н-вход А 1 через делитель на резисторах R2 и Л8-Л13 от источника питания подается положительное опорное напряжение
, значение которого определяется заданной уставкой реле. На
И-вход А1 подается выпрямленное напряжение, пропорциональное току, поступающему от соответствующего датчика через диодный мост (рис. 118, а). Если значение поступающего выпрямленного напряжения меньше опорного напряжения, на выходе А 1 будет положительное максимальное напряжение (+13 В). На временной диаграмме (рис. 120, б) это соответствует первому полупериоду изменения
.
Имеющееся на выходе А1 положительное напряжение заряжает конденсатор С1 через резистор
,так как диод VD2 закрыт. Максимум напряжения на конденсаторе ограничивается напряжением стабилизации VD3 (9 В). Полученное напряжение подается на другой индикатор уровня, собранный на ОУ А2 и представляющий собой инвертирующий триггер Шмитта.
Положительное напряжение, поступающее с конденсатора С1 на И-вход А2,создает на выходе ОУ напряжение отрицательного знака (-13 В). Через цепь положительной обратной связи на Н-вход А2 проходит та часть этого напряжения, которая зависит от соотношения между сопротивлениями резисторов R 6и R 7. Она служит опорным напряжением срабатывания
, определяющим второе условие срабатывания реле.
При возрастании входного напряжения до значения, превышающего опорное, происходит изменение режима компаратора, и знак выходного напряжения A1 становится отрицательным, оставаясь равным максимальному значению по модулю (-13 В).
а)

б)

Рис. 119 Схем» активного фильтра тока обратной последовательности (а) и его
векторная диаграмм» яви подаче токов прямой (б) и обратной (в) последовательностей
а)

б)

Рис. 120 Узел сравнения (УС) реле тока и напряжения:
а - принципиальная схема; б - временная диаграмма работы УС
Изменение знака напряжения на выходе А1 вызывает перезаряд конденсатора C l, так как открывается диод VD2. Если уровень UBX становится выше
на непродолжительное время (второй и третий полупериоды изменения UBX, рис. 120, б), то емкость С 1 не успевает полностью перезарядиться. Происходит лишь снижение
напряжения на емкости С 1 до значения, близкого к нулю, а после спадания UBX ниже
начинается повторный заряд емкости до максимального положительного уровня.
Исполнительная часть УС действует только тогда, когда за счет увеличения входного сигнала время, в течение которого UBX превышает
(промежуток а на рис. 120, б),станет достаточным, чтобы емкость С 1 перезарядилась настолько, что отрицательное напряжение на ней стало ниже
. Потенциал И-входа А2 достигнет в этом случае такого значения, что произойдет немедленное изменение знака выходного напряжения триггера на положительный. Это является признаком срабатывания реле. После изменения знака напряжения на выходе А2 напряжение на его Н-входе становится тоже положительным. Его называют опорным напряжением возврата
, т.к. им определяется значение входного сигнала, которое требуется для возврата триггера Шмитта.
По окончании промежутка времени, соответствующего
, емкость С 1 снова начнет заряжаться. Постоянные времени заряда и разряда емкости С 1 благодаря наличию диода VD2получаются неодинаковыми (сопротивление цепи заряда в 3 раза больше сопротивления цепи разряда). Поэтому, когда емкость С 1 снова начнет заряжаться, она не успеет достичь уровня
до того, как снова наступит разряд. Этим достигается релейное действие реагирующего органа.
Для возврата требуется, чтобы UBX снизилось до такого значения, когда напряжение на конденсаторе С 1 превысит
. Последний полупериод изменения UBX на рис. 120, бсоответствует этому моменту. Опыт показывает, что
должно составлять примерно 1,6 с. За это время входное напряжение изменяется не более чем на 3%. Благодаря такому свойству работа реле мало зависит от формы кривой поступающего входного сигнала. Поэтому такие токовые реле надежно работают при значительных погрешностях трансформаторов тока.
Узел выхода реле защиты выполняется либо с помощью герконов - электромагнитных реле с магнитоуправляемыми контактами, либо с помощью электромеханических реле, которые связываются с УС через усилитель на транзисторах (рис. 121). УВ управляется сигналом, поступающим из УС на транзистор VТ1.Подключение обмотки реле К1 показано на рис. 121.
При поступлении на схему УС входного напряжения, не достигающего уставки срабатывания реле, на выходе УС удерживается отрицательный сигнал. Транзистор VT\ заперт и через выходное реле К1 протекает малый ток закрытого транзистора. При превышении поступающим на вход УС напряжением величины срабатывания сигнал на выходе УС становится положительным (рис. 120). Транзистор VT1 открывается и через выходное реле К1 начинает проходить ток, обеспечивающий его срабатывание. Реле К1 замыкает свои контакты в цепях логической части РЗ.
При возврате реле транзистор VT1 запирается и реле К1 приходит в исходное состояние. Диод VD1 служит для защиты схемы узла от коммутационных перенапряжений, возникающий при обесточивании реле К1.Диод VD2 на входе VT1 ограничивает уровень сигнала, приходящего на переход база-эмиттер транзистора.
Резистор R2 обеспечивает требуемое ограничение уровня входного сигнала. Диод VD2нужен для надежного запирания транзистора VT1в исходном несработанном состоянии выходного реле К1.
Для получения напряжения +15 В для питания ОУ применяют делители напряжения на резисторах. Необходимые уровни напряжений +15 В и –15 В при допустимых отклонениях напряжения 220 В поддерживаются с помощью стабилитронов типа КС515. Параллельно стабилитронам подключаются конденсаторы, служащие для защиты
ОУ от влияния помех, поступающих из сети оперативного тока. Схема узла питания приведена на рис. 122.

Рис. 121 Схема узлов выхода Рис. 122 Схема узла питания при переменном
статических реле защиты оперативном токе
Варисторы RV1и RV2 типа СН1 защищают реле от перенапряжений со стороны питания (сети). Нелинейные сопротивления (варисторы) ограничивают верхние уровни приходящих волн перенапряжений.
Типы серийных реле защиты
Реле защиты, основные узлы которых выполнены на ОУ или логических ИМС, называются статическими. В число реле, созданных на базе ОУ, входит большая серия реле тока типа РСТ (реле статическое тока), реле напряжения типа РСН (реле статическое напряжения), реле тока обратной последовательности типа РТФ (реле тока фильтровое) и реле мощности серии РМ (реле мощности). Одним из наиболее сложных статических реле является комплектное реле сопротивления типа БРЭ-2801, содержащее три однофазных дистанционных органа и предназначенное для использования в качестве измерительного органа дистанционных защит линий и трансформаторов 110-500 кВ.
Статические реле максимального тока серий РСТ-11 - РСТ-14. Эти реле предназначены для использования в качестве измерительных органов токовых защит, работающих как мгновенно, так и с выдержкой времени, если не требуются специальные меры по отстройке защиты от апериодических составляющих и высших гармоник, которые могут содержаться в первичных токах защищаемого объекта.
Схема реле выполнена на времяимпульсном принципе, гарантирующем хорошую помехоустойчивость реле и четкую работу при больших кратностях тока повреждения, когда погрешность трансформаторов тока может достигать больших значений (80%).
Реле РСТ-11 и РСТ-12 рассчитаны на питание переменным оперативным током 220 В частотой соответственной 50 Гц и 60Гц; реле РСТ-13 и РСТ-14 рассчитаны на питание постоянным током 220 В, а их рабочие частоты равны соответственно 50 и 60 Гц.
В условном обозначении реле первым указывается номер серии реле. Рядом с ним располагается двухзначное число, обозначающее максимальную уставку по току реле данного типоисполнения (семь вариантов типовых исполнений): 04 - на ток 0,2 А; 09 - 0,6 А; 14-2 А; 19 – 6 А; 24 – 20 А; 29 – 60 А; 32 –120 А. Третий знак условного обозначения - цифры 1 или 5. Цифра «1» показывает, что реле собрано для переднего подключения соединительных проводов, а цифра «5» - для заднего подключения проводов. В конце условного обозначения дается вид климатического исполнения реле: УХЛ4 - для умеренного климата и 04 - для тропических условий. Пример условного обозначения: РСТ-13-19-1-УХЛ4. Это реле относится к реле максимального тока, предназначенных для использования в сетях 50 Гц на объектах с
постоянным оперативным током 220 В, наибольшая уставка по току 6 А, с передним подключением проводов, реле должно работать в условиях умеренного климата. Структурная схема реле РСТ-13 приведена на рис. 123.

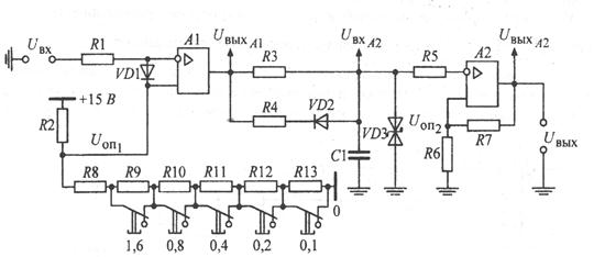
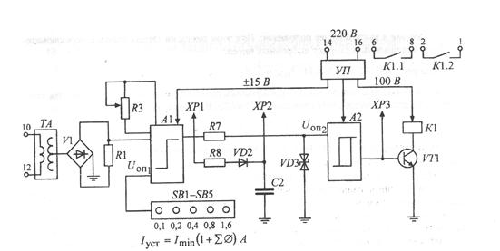
Рис. 123 Структурная схема реле тока серии РСТ-13
Измерительным узлом реле является промежуточный трансформатор тока ТА, а узлом формирования служит выпрямительный мост V1. Преобразующей частью УС является одно-пороговый компаратор А1, который используется одновременно как первая ступень сравнения, определяющая ток срабатывания реле - поступающий сигнал сравнивается с заданным опорным напряжением. Для установки опорного сигнала, с помощью которого задается уставка реле, предусмотрены пять переключателей уставок SB1-SB5.Ими шунтируется часть резисторов, образующих делитель напряжения, питающийся от БП ±15 В. При размыкании переключателей изменяется доля напряжения, подаваемая на вход компаратора.
Выходной сигнал компаратора А1 поступает на следующую ступень сравнения - вре-мясравнивающую цепочку, состоящую из резисторов R 7, R 8, диода VD2,конденсатора С 2 и стабилитрона VD3. Пороговым элементом этой цепочки и одновременно исполнительной частью УС служит триггер Шмитта А2.
Узел выхода реле состоит из транзистора VT1 и выходного электромагнитного реле РП-13 на рабочее напряжение 110 В. В компараторе А1 и триггере Шмитта используются ОУ типа К140УД7.
Коэффициент возврата реле РСТ превышает значение 0,9, а время действия при
составляет не более 60 мс, а при 3
- 35 мс. Предельный ток, размыкаемый контактами реле, не должен превышать 1 А на постоянном токе и 2 А на переменном. Мощность, потребляемая реле из сети оперативного тока, составляет 7 Вт.
Чтобы выставить заданный ток срабатывания реле, нужно с помощью отвертки поставить соответствующие переключатели SB1-SB5в выступающее положение. Ток уставки равен
Ø),A, где

