Схема для умножения на многочлен
Рис 6.3
Схема для умножения на многочлен
Рис 6.2
h(x) = h0 + h1x + … + hr-1xr-1 + hrxr
В исходном состоянии ячейки памяти регистра содержат нули. На вход поступают коэффициенты многочлена а(х), начиная с коэффициентов высших порядков, после чего следует r нулей. Произведение равно:

Когда по первому тактовому импульсу на входе появляется первый коэффициент
многочлена а(х), то на выходе появляется первый коэффициент произведения
, равный
и
записывается в первый разряд регистра. В этот момент все остальные разряды регистра сдвига содержат нули. Спустя единицу времени по второму тактовому импульсу на входе появляется
. Как видно из рис. 6.2 выход по второму тактовому импульсу равен
, т.е. величине второго коэффициента в произведении
. К моменту появления третьего коэффициента на входе (
) разряды регистра содержат элементы
Выход по третьему такту равен
т.е. третьему коэффициенту произведения
. Дальнейшие операции производятся аналогичным образом.
По (r+k)-му такту регистр сдвига содержит элементы 0, 0, …, 0, а0, а выход равен
, т.е. предпоследнему коэффициенту произведения
. После (r+k +1)-го такта в регистре остаются одни нули, а на выходе появляется
- последний коэффициент произведения
, так что произведение получено полностью.
Другая схема для умножения многочленов показана на рис.6.3.
![]() |
h(x) = h0 + h1x + … + hr-1xr-1 + hrxr
В этой схеме коэффициенты произведения формируются в регистре сдвига. После того, как по первому тактовому импульсу символ
поступил на вход, выход стал равным
, т.е. коэффициенту при
, а в разрядах регистра записались элементы
. По второму тактовому импульсу на вход подается
выход становится равным
, т.е. коэффициенту при
, а разряды регистра содержат элементы
. По третьему тактовому импульсу на вход поступает
и выход равен
- коэффициенту при
. Дальнейшие операции производятся аналогичным образом.
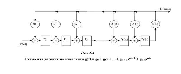
б) Схемы для деления многочленов.
Схема для деления многочлена произвольной степени п на многочлен
показана на рис.6.4. Схема представляет собою регистр сдвига с обратными связями. Обратные связи соответствуют виду многочлена g(x). В исходном состоянии ячейки регистра содержат нули. Делимый многочлен
подается на вход схемы в течение (n+ 1) такта. Выход схемы деления в течение r первых тактов принимает значения, равные 0. Когда первый входной символ
по (r+ 1)-му тактовому импульсу выйдет из регистра, то на выход схемы поступит старший коэффициент частного
, который в рассматриваемом двоичном случае примет значение
. При этом в последний разряд регистра будет записан символ
, в предпоследний
, и т.д., т.е. содержимое разрядов регистра будет соответствовать коэффициентам при степенях от
до
многочлена
где суммирование осуществляется по модулю 2. Для каждого последующего (r+j)-го этапа деления содержимое разрядов регистра сдвига определяется коэффициентами при степенях от
до
многочлена
, где qi – символ, поступающий на выход схемы. После (n +1)-го такта работы схемы на выходе появится частное от деления q(x), а в ячейках регистра будет записан остаток от деления
.
Пример 6.14. Построить схему для деления на многочлен
. Регистр должен содержать число ячеек, равное степени g(x), т.е. 3. Обратные связи должны соответствовать коэффициентам при xi:
.
Сумматор по модулю 2 включается на входе и в точке подключения обратной связи g 1. Схема, соответствующая рассматриваемому случаю представлена на рис. 6.5. На этом же рисунке показана работа схемы при делении многочлена
. В результате деления получено частное
и остаток
. Для того, чтобы установить соответствие между работой схемы и процессом деления многочлена d(x) на многочлен q(x) рассмотрим деление
на
.

|
|


+
|
0 0 0 0 

|
Остаток первого шага деления
содержится в разрядах регистра после выхода первого элемента частного к выходу схемы (4-й такт). Остаток второго шага деления
содержится в разрядах регистра после вывода второго элемента частного к выходу схемы (5-й такт). Остаток от деления
содержится в разрядах регистра после вывода последнего элемента частного (6-й такт).

g0 +g1x+….+gn-k-1 xn-k-1+gn-kxn-k
| Такты | Вход | Содержимое регистра | Обратная связь | Выход | ||
| r0 | r1 | r2 | ||||
| - | 0 | 0 | 0 | 0 | - | |
| 0∙x5 | 1 | 0 | 0 | 0 | 0∙x6 | |
| 0∙x4 | 0 | 1 | 0 | 0 | 0∙x4 | |
| 0∙x3 | 0 | 0 | 1 | 0 | 0∙x3 | |
| 0∙x2 | 1 | 1 | 0 | 1 | 1∙x2 | |
| 1∙x1 | 1 | 1 | 1 | 0 | 0∙x1 | |
| 1∙x0 | 1∙x0 |
Остаток r(x)= x2
Работа схемы деления на многочлен g(x)=1+x+x3 при подаче на вход d(x)=1+x+x5
в) Схемы для одновременного умножения и деления многочленов
Схема, с помощью которой можно производить сначала умножение на многочлен h(x), а затем деление на многочлен g(x), изображена на рис. 6.6. Как видно из рисунка, она получена комбинированием схемы умножения, изображенной на рис 6.3 и схемы деления, изображенной на рис. 6.4. При построении схемы предполагается, что степень многочлена h(x) не превосходит степени g(x).
г) Схемы для решения рекуррентных соотношений
На рис. 6.7. изображена схема для решения рекуррентных соотношений вида
или, что то же самое
.

Эта схема предназначена для вычисления величины
по значению k предыдущих коэффициентов для всех возможных многочленов степени n -1, ортогональных некоторому многочлену h(x) степени k. Для циклического (n, k) – кода h(x) – проверочный многочлен кода. Исходные величины
помещаются в разряды регистра. Затем осуществляются последовательные сдвиги, каждый из которых сопровождается выводом с выхода схема элементов, соответствующих решению указанных рекуррентных уравнений. После первого сдвига на выход поступает элемент
, содержимое разрядов регистра сдвигается на одну единицу вправо, а в ячейку
поступит значение коэффициента
, которое в соответствии со схемой рис. 6.7 должно быть равно сумме произведений коэффициентов, записанных во всех остальных разрядах регистра на значения обратных связей, подключенных непосредственно к выходам разрядов регистра, т.е.
,
что в точности соответствует значению
, полученному из рекуррентного соотношения.
Аналогично можно показать формирование и всех остальных решений. В результате первых k сдвигов на выход схемы поступит содержимое разрядов регистра в исходном состоянии. Значение коэффициента
появится на выходе схемы в результате (k +1)-го сдвига, значение
- в результате (k +2)-го сдвига и т.п. Поскольку для каждого значения исходных символов решение однозначно, то по последним k решениям сформируется и запишется в регистр
, затем
и т.д., т.е. схема будет генерировать решение рекуррентного уравнения непрерывно с периодом, равным n -1. Максимальное значение решений, т.е. максимальный период последовательности, можно определить из следующих соображений. Каждому решению соответствует свое вполне определенное значение разрядов регистра сдвига, следовательно, возможное число решений определяется числом различных состояний регистра. Так как каждая ячейка может характеризоваться двумя состояниями (запись нуля или единицы), а число ячеек в регистре равно k, то максимальное значение n равно 2k, а максимальный период последовательности равен 2k -1 и минимальный период равен k. В тех случаях, когда схема для решения рекуррентных соотношений генерирует последовательность с максимальным периодом, ее называют генератором последовательности максимальной длины. В силу того, что многочлен h(x) степени k, по которому стоится схема генератора последовательности максимальной длины, должен быть сомножителем двучлена
при
и не может быть сомножителем никакого двучлена с меньшим значением п (т.к. период равен 2 k -1), то h(x) должен быть неприводимым сомножителем
и не должен быть сомножителем двучленов меньших степеней, т.е. должен принадлежать показателю п. Поскольку последовательности максимальной длины соответствует 2k -1 различных состояний регистра сдвига (все возможные векторы длины k, кроме чисто нулевого), то для генерирования последовательности максимальной длины в качестве исходного состояния может быть взято любое, кроме чисто нулевого. Обычно для этой цели в младший разряд регистра предварительно записывают “1”. Некоторые из неприводимых многочленов, по виду которых строятся обратные связи в регистре, приводятся в таблице 6.3 для п =2+15.
Таблица 6.3
| Число ячеек регистра | Неприводимый Многочлен | Вид обратной связи | Длина периода |
| | ||
| | ||
| | ||
| | ||
| | ||
| | ||
| | ||
| | ||
| | ||
| | ||
| | ||
| | ||
| | ||
| |
Для примера на рис.6.8 приведена структурная схема генератора последовательности максимальной длины, построенной на основе
.
Число ячеек регистра сдвига равно степени h(x), т.е шести. Число сумматоров по модулю 2 на единицу меньше числа знаков “+” в записи многочлена h(x), т.е. один. Обратные связи определяются ненулевыми коэффициентами многочлена 

д) Схема генератора поля Галуа GF(2m)
Регистр сдвига с обратными связями, изображенный на рис. 6.4, реализующий деление любого многочлена на многочлен g(x) степени n-k=m, после завершения деления содержит остаток от деления
r(x) = r0x0+r1x1+r2x2+…+rm-1x0m-1.
Он может быть представлен в виде последовательности длины m-(r0, r1, r2,..,rm-1)
Многочлен r(x) является представителем классов вычетов многочленов по модулю многочлена g(x). При этом каждый класс вычетов содержит либо 0, либо многочлен степени m-1 и менее. Ноль является элементом идеала, а все многочлены r(x) степени m-1 и менее принадлежат различным классам вычетов. Общее число классов вычетов вместе с идеалом равно 2m.
В том случае, когда многочлен g(x) – неприводим, множество {r(x)} с коэффициентами ri из поля GF(2) образует поле Галуа GF(2m). Как известно ненулевые элементы этого поля образуют циклическую группу
α0, α1,…,α2m-2,α2m-1=α0,
где α -класс вычетов, содержащий r(x) = x, т.е. корень g(x) и примитивный элемент поля.
Определим, каким образом можно преобразовать схему рис 6.4 в генератор элементов поля GF(2m). В схеме деления на g(x) каждый из остатков r(x) может быть получен в результате подачи xi на вход схемы и осуществления процедуры деления в течение i тактов, т.е. остаток от деления появится точно на i - м такте.
Этот результат можно получить, если в схеме деления убрать вход, а цепь обратной связи подать непосредственно на вход ячейки r0. При этом для генерирования элементов поля как последовательности степеней αi в виде m-значных двоичных чисел, записанных в ячейках регистра необходимо предварительно в ячейку r0 записать «1». В этом случае в исходном состоянии на нулевом такте работы рассматриваемой схемы как генератора элементов GF(2m) будет записан остаток от деления x0 на g(x). Элемент поля αi появится в регистре на i -м такте, что соответствует подаче на вход схемы деления xi на нулевом такте.
Все 2m-1 не нулевых элементов GF(2m), будут получены за 2m-1 тактов работы схемы. До m-1 такта работы схемы включительно регистр будет содержать в своих ячейках только одну единицу и m -1 нулей. На m -м такте содержимое регистра станет равным g'(x)=g(x)+xm, где g'(x)- многочлен, состоящий из всех слагаемых g(x), кроме слагаемого старшей степени xm. В силу того, что g(x) принадлежит идеалу, т.е. {g(x)}={0}, получаем g’(x)=xm.
Продолжая сдвиги, получим, что на m+1 такте содержимое ячеек регистра будет соответствовать xg(x), т.е. подаче на вход схемы деления на нулевом такте xm+1 и т.д. Так будет продолжаться до тех пор, пока содержимое ячеек регистра не станет эквивалентным подаче на вход схемы деления xn. Это состояние регистра соответствует α0=1,т.к. xn=1(см.6.1). В силу того, что многочлен g(x) примитивен, он принадлежит показателю n=2m-1. Это означает, что до возвращения в состояние α0=1 в регистре генератора на различных тактах работы появятся с учётом нулевого такта все ненулевые последовательности длины m и каждая только один раз.
Проиллюстрируем изложенное примером 6.15
Пример 6.15
Построим генератор элементов поля GF(23). Для этой цели используем примитивный многочлен 1+x+x3. Класс вычетов {x}= α является корнем 1+x+x3 и примитивным элементом поля GF(23). Схема генератора элементов поля GF(23) представлена на рис. 6.9. Предварительно в ячейку α0 записывается «1». После этого осуществляются сдвиги. Выходом генератора является содержимое ячеек α0,α1,α2.
Работа генератора поясняется изменением содержания и представлением двоичной последовательности многочленом и степенью примитивного элемента α1.


“1”
| Такты | Последовательность длины 3 | Многочлен | Степень α |
| (1 0 0) (0 1 0) (0 0 1) (1 1 0) (0 1 1) (1 1 1) (1 0 1) (1 0 0) | α α 2 1 + α α + α2 1 + α + α2 1 + α2 | α 0 α 1 α 2 α 3 α 4 α 5 α6 α7 =α0 |
Рис 6.9 Генератор элементов поля GF(23)
а) Кодирование по g(x)
В основе кодирующего устройства лежит схема деления на порождающий многочлен g(x) степени n-k с предварительным умножением на
. Данная схема строится на основе схемы, представленной на рис. 6.6 и в общем случае имеет вид, изображенный на рис. 6.10. Число ячеек памяти в регистре равно n-k, т.е. числу избыточных элементов в кодовой комбинации. Обратные связи подключены в соответствии с ненулевыми коэффициентами g(x), следовательно, общее число обратных связей равно числу компонентов g(x) (или весу в двоичном представлении). Число сумматоров по модулю 2 равно числу знаков “+” в записи g(x) в виде многочлена.
Вход схемы подключен после ячейки
для осуществления предварительного умножения кодируемого сообщения
на
. Схема работает следующим образом. Информационные символы
поступают на вход кодирующего устройства, начиная со старшей степени, и одновременно на выход схемы – в канал связи. В это время на схему И1 в цепи обратной связи поступают k тактовых импульсов и со входа информационные импульсы поступают через цепь обратной связи в разряды регистра
. Как только все k информационных символов поступят в устройство, совокупность n-k - символов в разрядах регистра совпадет с остатком от деления
на g(x), т.е. разряды регистра содержат проверочные символы r(x) кодовой комбинации.

По прошествии k тактов подача тактовых импульсов в схему И1 прекращается, т.е. линия обратной связи разрывается и n-k проверочных символов, сформированных в регистре, через схему И2, на которую начинают поступать тактовые импульсы от (k +1)-го до n- го такта, выводятся в канал связи сразу же за информационными элементами.
Таким образом, за n тактов с выхода схемы в канал поступает вся кодовая комбинация циклического (n,k) – кода.
Пример 6.16. Построить кодирующее устройство для циклического кода (7,4) с порождающим многочленом
и проследить по тактам процесс формирования кодовой комбинации.
В соответствии с рис 6.10 и видом g(x) составляем схему кодирующего устройства, которая содержит разряды
и обратные связи
, (рис 6.11).

Рассмотрим по тактам процесс кодирования некоторой произвольной комбинации простого кода, например, 0101. Результат представлен в таблице 6.4.
Таблица 6.4
| № такта | Вход | Содержимое r0 | Содержимое r1 | Содержимое r2 | Выход И1 | Выход | Примечание |
4 | - | - | Тактовые импульсы поступают на И1 Тактовые импульсы поступают на И2 |
Для оценки правильности процесса кодирования определим алгебраически комбинацию циклического (7,4) – кода, соответствующую рассмотренной комбинации простого кода
.
Находим 
Разделив
на g(x), получим проверочные элементы кодовой комбинации:
|


|


В результате решения получим
и
.
Следовательно, соответствующая кодовая комбинация есть

б) Кодирование по h(x)
Кодирующее устройство для циклического (n,k) – кода может быть построено на основе схемы для решения рекуррентных соотношений (рис. 6.7). Структурная схема кодирующего устройства для этого случая представлена на рис. 6.12. В основе схемы лежит регистр сдвига из k ячеек, обратные связи построены в соответствии с видом h(x) и их число определяется числом ненулевых компонент в h(x) (или весом h(x) в двоичном представлении), число сумматоров по модулю 2 на 1 меньше число знаков “+” в записи h(x) в виде многочлена.

Информационные элементы (элементы комбинации простого кода) а(х) помещаются в k разрядах регистра в соответствии с нумерацией ячеек регистра. Затем производится n сдвигов. Первые k элементов, появившиеся на выходе, есть информационные элементы комбинации циклического кода, а последние n-k элементов – проверочные.
В совокупности за n тактов с выхода схемы в канал связи поступает кодовая комбинация длины n.
Пример 6.17. Для циклического (7,4) – кода предыдущего примера построить кодирующее устройство по h(x) и проследить по тактам процесс формирования кодовой комбинации.
Находим
.
Регистр содержит разряды
и имеет связи

Вид кодирующего устройства, построенного по данному способу для кода (7,4) с
представлен на рис. 6.13.

Рассмотрим процесс формирования кодовой комбинации, соответствующей комбинации простого кода 0101. Этапы формирования кодовой комбинации сведем в таблицу 6.5.
Таблица 6.5
| № такта | Содержимое разрядов регистра | Выход 1 | Выход 2 | Выход | |||
| | | | ||||
| - |
Таким образом, на выходе кодирующего устройства получена та же самая комбинация, что и в предыдущем примере.
Указанные способы построения кодирующих устройств позволяют производить их реализацию при использовании минимального числа переключательных элементов для любого соотношения n и k.
При
удобно строить кодирующее устройство по g(x). Если же
, то способ по h(x) - предпочтительнее.

4
1