В транзисторных усилителях мощности для согласования низкоомной нагрузки и выходного сопротивления можно не использовать трансформаторы (рис. 62, 63). Основными достоинствами этих усилителей является отсутствие согласующего трансформатора, так как выходное сопротивление транзисторов, включенных с ОК, мало, и управление двумя транзисторами общим сигналом.
Схема усилителя мощности на двух транзисторах противоположных типов электропроводности, но с одинаковыми параметрами (комплементарная пара) показана на рис. 62. Режимы транзисторов по постоянному току задаются базовым делителем R1R2 и выбираются такими, чтобы потенциал U0 общей точки транзисторов был равен напряжению Ек. В этом случае постоянного тока в нагрузке не будет.
Входной сигнал Uc через разделительный конденсатор С одновременно поступает на базы транзисторов VT1 и VT2. Положительный полупериод 1 сигнала увеличивает ток базы транзистора VT1 и уменьшает ток базы транзистора VT2. При этом увеличивается ток коллектора транзистора VT1 и уменьшается ток коллектора транзистора VT2, что равносильно появлению в этих токах переменных составляющих, которые совпадают по направлению и суммируются в нагрузке. В полупериод 2 увеличиваются базовый и коллекторный токи транзистора VT2, а эти токи транзистора VT1 уменьшаются. В нагрузке вновь происходит сложение переменных составляющих токов коллекторов, т. е. образуется второй полупериод выходного напряжения. Так бестрансформаторные усилители работают в режиме А.
Рисунок 62 – Схема двухтактного бестрансформаторного усилителя мощности с двумя ИП
Кроме того, они могут работать в режимах В и АВ.
Схема усилителя с одним источником питания показана на рис. 63. Каскад на транзисторе VT3 обеспечивает двухтактный режим работы выходных транзисторов VT1 и VT2. Резисторы R1 и R2 задают режим работы транзисторов по постоянному току.
При приходе отрицательной полуволны Uвх ток коллектора VT3 увеличивается, что приводит к увеличению напряжения на базах транзисторов VT1 и VT2. При этом VT2 закрывается, а через VT1 протекает ток коллектора по цепи: +Uп, переход К-Э VT1, С2 (при этом заряжается), Rн, корпус.
При приходе положительной полуволны Uвх VT3 подзакрывается, что приводит к уменьшению напряжения на базах транзисторов VT1 и VT2 – VT1 закрывается, а через VT2 протекает ток коллектора по цепи: +С2, переход Э-К VT2, корпус, Rн, -С2.
Таким образом обеспечивается протекание тока обоих полуволн входного напряжения через нагрузку. Для согласования выходных сопротивлений транзисторов и сопротивления нагрузки, транзисторы VT1 и VT2 включены по схеме с общим коллектором.
Рисунок 63 – Схема двухтактного бестрансформаторного усилителя мощности с одним ИП
Для современных силовых электронных устройств характерно широкое использование интегральных схем, позволяющее снять ограничения на сложность электронной схемы, не вызывая увеличения объема и массы устройства. Это, в свою очередь, ведет к улучшению качественных характеристик электронных устройств.
Типовая схема включения интегральной микросхемы К174УН7 показана на рис. 64.
Рисунок 64 - Типовая схема включения ИМС К174УН7
Входной сигнал поступает на вывод 8 микросхемы с движка потенциометра R1 - регулятора громкости, а нагрузка подключается к выводу 12 через разделительный конденсатор С8, предотвращающий попадание в нее постоянного напряжения. Корректирующая цепь С2, R2 обеспечивает передачу сигнала ООС с выхода усилителя на его вход, а цепь С4, С5, С7, R4 служит для коррекции АЧХ частотозависимой ООС с выхода усилителя на вход одного из его промежуточных каскадов. При неравномерности амплитудно-частотной характеристики не более 3 дБ полоса пропускания усилителя равна от 40 Гц до 20 кГц; напряжение источника питания +18 В.
В последнее десятилетие в схемотехнике усилителей мощности звуковых частот (УМЗЧ) получили развитие два взаимоисключающих направления:
- улучшение субъективного качества воспроизведения звука, как правило, за счёт уменьшения экономичности (КПД) усилителя;
- повышение экономичности усилителя и уменьшение его размеров при сохранении высоких качественных показателей.
Первое направление характерно использованием в выходных каскадах УМЗЧ мощных полевых транзисторов и радиоламп (Hi-End), работающих очень часто в режимах класса А. Второе направление характерно для носимой и автомобильной звуковоспроизводящей аппаратуры. Именно в реализации этого направления широко используются усилители класса D, а в высококачественной звуковоспроизводящей стационарной аппаратуре класс D используется чаще всего в усилителях для сабвуфера.
Как уже говорилось, всего существует пять основных классов режимов работы активных элементов (транзисторов или ламп).
Режим работы класса А
Активный элемент (транзистор или лампа) открыт весь период сигнала. Усилители мощности класса А вносят минимальные искажения в усиливаемый сигнал, но имеют очень низкий КПД. Они используются в однотактных и двухтактных УМЗЧ, где особенно важно, чтобы уровень нелинейных искажений был низким. Усилители класса А - самые дорогие.
Режим работы класса В
Активный элемент (транзистор или лампа) открыт только один полупериод входного сигнала. Усилители класса В имеют высокий КПД, но и коэффициент нелинейных искажений у них заметно выше.
Режим работы класса АВ
Активный элемент (транзистор или лампа) в этом режиме открыт один полупериод полностью и часть другого полупериода входного сигнала. Режим класса АВ - это нечто среднее между классами А и В. Усилители класса АВ имеют более высокий КПД, чем усилители класса А, но вносят в сигнал меньшие нелинейные искажения, чем усилители класса В. Это наиболее распространенный класс массовых УМЗЧ.
Режим работы класса D
В режиме работы класса D происходит преобразование входного сигнала в импульсы прямоугольной формы одинаковой амплитуды, длительность которых пропорциональна значению сигнала в каждый заданный момент времени (т.н. ШИМ - широтно-импульсная модуляция). Активные элементы выходного каскада при этом работают в ключевом режиме и имеют два состояния: транзистор или заперт, или полностью открыт. Усилители класса D имеют максимальный КПД, т.к. основные потери энергии на выходных мощных ключах происходят только в момент переключения, в открытом состоянии потери энергии минимальны и будут тем меньше, чем меньше сопротивление открытого ключа. Обычные усилители класса D имеют КПД более 90% и достаточно большой коэффициент нелинейных искажений (около 10%), но применение новых технологий позволяет снизить коэффициент нелинейных искажений до долей процента. Это заметно расширило область применения класса D в современных УМЗЧ.
Основные принципы работы УМЗЧ класса D
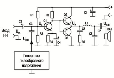
Принципиальная схема простейшего УМЗЧ класса D показана на рис. 65. Он состоит из широтно-импульсного модулятора (ШИМ) на транзисторе Q1, двухтактного мощного транзисторного ключа Q2, Q3 и фильтра нижних частот (ФНЧ), который отфильтровывает импульсные высокочастотные составляющие тока через громкоговоритель.
Делитель на резисторах R1 и R2 задаёт напряжение смещения Q1 и симметрию всей схемы. R4, С4 - цепь эмиттерной термостабилизации этого транзистора. С1 - конденсатор фильтра питающего напряжения. С5, R5, L1, С6 - фильтр нижних частот (ФНЧ). С7 - разделительный конденсатор.
В состав усилителя класса D входит также генератор треугольного или пилообразного напряжения. Частота работы этого генератора лежит, как правило, в пределах 200...600 кГц. Размах «пилы» от генератора и коэффициент усиления каскада на Q1 выбраны так, чтобы выходные транзисторные ключи Q2 и Q3 открывались попеременно до насыщения при переходе напряжения «пилы» через ноль.
Рисунок 65 - Принципиальная схема простейшего УМЗЧ класса D
Эпюры напряжений, поясняющие работу этой схемы, показаны на рис. 66. До момента времени t1 (см. рис. 66) звуковой сигнал на входе отсутствует. «Пила» абсолютно симметрична, и на эмиттерах транзисторов Q2 и Q3 образуются симметричные прямоугольные импульсы - меандр. При подаче на вход усилителя сигнала НЧ «пила» будет смещаться вверх или вниз. Изменятся моменты отпирания транзисторов и, как следствие, длительность выходных импульсов и пауза между ними (см. рис. 66). Эти параметры будут изменяться по закону входного низкочастотного (звукового) сигнала. Полученный импульсный сигнал с переменной скважностью называют широтно-импульсным, или ШИМ-сигналом, а процесс его получения - широтно-импульсной модуляцией (ШИМ). ШИМ-сигнал содержит НЧ-составляющую, по форме повторяющую модулирующий сигнал. Если ШИМ-сигнал с выхода транзисторных ключей пропустить через ФНЧ, то он пропустит эту составляющую на громкоговоритель и подавит ВЧ-составляющие ШИМ-сигнала. За счёт неполного подавления ВЧ-составляющей переменное напряжение на громкоговорителе будет несколько изрезанным, что можно увидеть на увеличенном фрагменте к нижнему графику рис. 66.
Рисунок 66 - Эпюры напряжений простейшего УМЗЧ класса D
Усилители класса D на биполярных транзисторах ушли в прошлое. Основой современного УМЗЧ класса D являются мощные ключи на МДП-транзисторах, отличающиеся высоким быстродействием и низким сопротивлением канала в открытом состоянии. При использовании таких транзисторов в ключевом режиме достигается высокий КПД. Специализированные микросхемы, называемые драйверами, обеспечивают управление внешними ключами на МДП-транзисторах.
Следующим этапом в развитии УМЗЧ класса D стало создание микросхем, в которые интегрирован не только драйвер, но и выходные ключи на МДП-транзисторах. Именно к таким микросхемам относятся МР7720 фирмы MPS (Monolithic Power Systems).
Микросхема УМЗЧ МР7720
УМЗЧ на этой микросхеме имеет номинальную мощность 20 Вт при сопротивлении нагрузки 4 Ом и напряжении питания 24 В. Диапазон воспроизводимых частот -20 Гц....20 кГц. Он имеет КПД 90% при нелинейных искажениях не более 0,1% для всего диапазона частот и выходной мощности 1 Вт (0,06...0,07% для частоты 1 кГц). Напряжение питания 7,5...24 В.
В микросхему встроены два выходных ключа на МДП-транзисторах, которые включены последовательно по питанию (полумост). Типовая принципиальная схема УМЗЧ класса D на микросхеме МР7720 изображена на рис. 67, а назначение выводов этой микросхемы приведено в таблице 3.

Рисунок 67 - Принципиальная схема УМЗЧ класса D на микросхеме МР7720
Таблица 3 - Назначение выводов микросхемы МР7720

Схема включения этой микросхемы очень напоминает ОУ или УМЗЧ на микросхемах, которые работают в привычных режимах классов А, В или АВ. Микросхема U1 МР7720 имеет дифференциальный вход (выводы 1 и 2), его положительный (неивертирующий) вывод в данной схеме используется как вход напряжения смещения, который задаёт режим микросхемы, а главное - симметрию схемы. Напряжение смещения на неивертирующем входе (вывод 1) должно быть равно половине напряжения питания, оно формируется делителем R3, R2. Конденсатор С2 блокирует этот вывод по переменному напряжению. Следует заметить, что асимметрия схемы может привести к увеличению нелинейных искажений и даже к перегреву одного из выходных ключей и выходу микросхемы из строя. Входной сигнал поступает на инвертирующий вход микросхемы (вывод 2) через разделительный конденсатор С1 и ограничивающий резистор R1. Коэффициент усиления по напряжению микросхемы определяется соотношением номиналов резисторов цепи ООС R1 и R4 и может быть рассчитан по формуле: KU=R4/R1.
Для повышения размаха выходных импульсов микросхемы используется известная по обычным двухтактным бестрансформаторным усилителям схема повышения КПД с конденсатором вольтодобавки С7, который включён между выходом (выводом 7) и входом цепи вольтодобавки (вывод 5). Для защиты внутренних цепей микросхемы от перегрузки параллельно С7 подключён стабилитрон D2 с напряжением стабилизации 6,2 В. Для выделения усиленного сигнала и подавления высокочастотных импульсных составляющих в нагрузке к выходу (вывод 7) подключён ФНЧ, состоящий из дросселя L1 и конденсатора С8. Конденсатор С9 - разделительный.
Диод Шоттки D1 гасит индукционные токи и выбросы ЭДС, возникающие в L1 в моменты переключения выходных ключей, когда оба ключа заперты. Частота ШИМ-преобразования задаётся цепью обратной связи R4, СЗ, и при указанных на схеме номиналах она составляет 600 кГц. При большей частоте увеличиваются потери мощности, а при меньшей - нелинейные искажения. С4 - конденсатор ООС по высокой частоте. Конденсаторы Сб, С5 - развязывающие фильтра питания.