Размерной цепью называется совокупность размеров, расположенных по замкнутому контуру. Все размеры деталей, составляющие размерную цепь, называют звеньями. Звенья цепи, кроме замыкающего, называют составляющими.
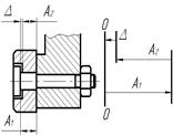
На рисунке, для нормальной работы ролика необходимо обеспечить зазор ∆. На величину этого зазора влияют размеры А1 и А2. Для рассматриваемого случая уравнение размерной цепи имеет вид
А1 – А2 - ∆ = 0.
∆- замыкающее звено. По расположению звеньев размерные цепи делятся на линейные, плоские и пространственные.
Составляющие звенья делятся на увеличивающие и уменьшающие. Увеличивающее звено такое, если с его увеличением замыкающее звено увеличивается. Уменьшающее звено при своем увеличении вызывает уменьшение замыкающего звена.
Линейная размерная цепь имеет все размеры, параллельные между собой и связанные линейной зависимостью.
Плоская размерная цепь содержит звенья, находящиеся в одной или нескольких параллельных плоскостях, которые могут быть спроектированы без изменения их величины на одну плоскость.
Пространственная размерная цепь состоит из звеньев которые не параллельные и лежат в непараллельных плоскостях. Звенья могут быть спроектированы на три координатные плоскости. Пространственная размерная цепь может быть приведена к трем плоским размерным цепям. Если в плоской размерной цепи имеются звенья, расположенные под углом к выбранному направлению, то они проектируются на выбранное направление.






