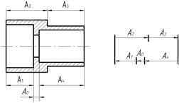
А2 =60; А3 =20; А1 =35; А4 =40; A0=5
Требуется определить допуски составляющих звеньев по известному допуску замыкающего звена (прямая задача)
TA0 = 0,7
TAi ср = TA0 / (m-1) = 0,7/4 = 0,175 мм.
Для всех составляющих звеньев, кроме одного, самого большого (регулирующего) назначаем допуски по Н или h, соблюдая принцип «допуск в металл» и среднюю величину допуска 0,175 мм. Регулирующим примем размер А2 =60.
В соответствии с таблицами допусков (Спр. Т.-М. Т.1, стр192)
А1 =35Н11 (+0,16); А4 =40Н11 (+0,16); А3 = 20Н11(+0,13).
TA1=0,16; TA4=0,16; TA3=0,13; EcA1=0,08; EcA4=0,08; EcA3=0,065; EcA0=0,2-0,35=0,15.
Допуск регулирующего звена.
TA2 =0,7-(0,16+0,16+0,13)=0,25мм, что соответствует 11 квалитету (0,19 мм).
Для 12 квалитета 0,3 мм Примем TA2=0,19.
Координаты середины поля допуска регулирующего звена, когда оно является увеличивающим:
![]() | |||
![]() | |||
А1 =35Н11 (+0,16); А4 =40Н11 (+0,16); А3 = 20Н11(+0,13); TA2=0,19.
EcA1=0,08; EcA4=0,08; EcA3=0,065; EcA0=0,2-0,35=-0,15.
Координаты середины поля допуска, если оно является уменьшающим:
![]() |
Для А2=60: EcA2=-0,15-0,065+(0,08+0,08)=-0,055мм
ESA2= EcA2+TA2/2=-0,055+0,095=+0,04мм;
EIA2= EcA2-TA2/2=-0,055-0,095=-0,15мм.









