АВТОМАТИКИ
Тема 4. СОГЛАСОВАНИЕ РАЗЛИЧНЫХ УЗЛОВ И УСТРОЙСТВ
Вопросы для самопроверки
1. Охарактеризуйте неидеальность частотной характеристики ОУ.
2. Объясните понятие напряжения смещения «нуля», что вызывает его возникновение, способы измерения и компенсации.
3. Объясните причины возникновения тока смещения, способ измерения и компенсации.
Литература для дополнительного изучения [2, с.3-5]; [3, с.4,5]; [4, с.3-5].
Лекция 8. Электроне устройства систем автоматики. Генераторы
Цель лекции: Изучение различных схемотехнических решений, которые позволяют удовлетворить широкому диапазону требований, необходимых генераторам и распределителям.
Вопросы, которые рассматриваются на лекции:
1. Генераторы прямоугольных импульсов.
2. Особенности построения устройств на элементах КМОП- и ТТЛ-логики.
Большинство цифровых устройств содержит генераторы, задающие рабочие частоты внутренних тактов распределителей, которые работают от них, которые обеспечивают подачу необходимых управляющих сигналов в заданные узлы схемы.
|
|
|
Генераторы прямоугольных импульсов строятся на основе отдельных транзисторов, операционных усилителей (ОУ), цифровых интегральных микросхем и логических элементов, чаще всего без использования индуктивности, а только с RС-цепями. Генераторы характеризуются рабочей частотой генерации, нестабильностью частоты, обусловленной нестабильностью используемых активных и пассивных элементов, возможностью перестройки частоты и, в частности, кратности перестройки изменением сопротивлений резисторов. Основные оценочные характеристики генераторов прямоугольных импульсов, в зависимости от используемой элементной базы, приведенны в таблица 8.1.
Учитывая невысокие качественные показатели генераторов на дискретных компонентах (транзисторах), а также необходимость дополнительных источников питания и сложность согласования генераторов на ОУ с цифровыми устройствами обработки информации, рассмотрим основные схемы генераторов на логических элементах (ЛЭ) и специальные цифровые микросхемы генераторов.
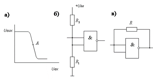
Логические элементы используют как активный элемент инвертора с состава какой-нибудь серии цифровых ИС возможно, если на его вход подать напряжение сдвига так, чтобы вывести рабочую точку А і область передаточной характеристики с большим (20...100) коэффициентом усиления как показано на рисунке 8.1 а).
Таблица 8.1
| Элементная база | Рабочая частота, Гц | Нестабильность, обусловленная активным элементом | Кратность перестройки частоты изменениям R |
| Транзисторы |
| ||
| Операционные усилители |
| 0,1 | |
| ЛЭ ТТЛ и ТТЛШ |
| ||
| ЛЭ КМОПТЛ |
|
| |
| ИС генератора |
| 1…10 | |
| Генераторы с кварцевыми резонаторами* |
|
| - |
При выборе типа генератора следует иметь в виду, что для получения низких и инфранизких частот (100...10-3 1/с) часто целесообразно строить среднечастотные генераторы, а необходимую частоту получать с помощью счетчиков – делителей. При этом не происходит увеличение габаритов, так как в среднечастотных генераторах используются конденсаторы или кварцевые резисторы меньших размеров, а стабильность среднечастотных генераторов, как правило, выше.
|
|
|
![]() |
Вывод рабочей точки в заданную область передаточной характеристики может быть осуществлен или включением делителя напряжения
,
(рисунок 8.1 б) или за счет обратной связи с выхода логического элемента на его вход через резистор R (рисунок 8.1 в).
Рисунок 8.1
* Верхняя граница диапазона рабочих частот определяется типом применяемых активных элементов.
При расчете делителя следует стремиться к увеличению сопротивления резисторов
и
, учитывая, однако, протекание через делитель входного тока ЛЭ. В случае использования ЛЭ ТТЛ или ТТЛШ, как правило, принимают
, а
рассчитывают так чтобы входной ток ЛЭ создавал на нем достаточное падение напряжения (1,3...1,8 V). Сопротивление R (см. рисунок 8.1 в) также выбирается с учетом входного сопротивления и входных токов ЛЭ. Значение этого сопротивления порядка 200…300 W для элементов серий К155 и К531, 2...3 kW для ЛЭ серии К555, 105...107 W для элементов серий КМОПТЛ. Включение резисторов по схеме рисунка 8.1 в создает отрицательная обратная связь (ООС) также и по переменным напряжниям, что усложняет возникновение генерации. Устранить этот недостаток позволяет включение вместо резистора RТ- образного моста, сумма сопротивлений которого равняется R.
Работа ЛЭ генератора в активной области передаточной характеристики может быть обеспечена также, за счет общей ООС, которая охватывает сразу немного ЛЭ.
На рисунке 8.2 приведены некоторые схемы генераторов на ЛЭ ТТЛ. Один из генераторов (рисунок 8.2 а) состоит из нечетного числа замкнутых в кольцо ЛЭ. Частота генерации приблизительно равняется
, где
задержка переключения ЛЭ, n – число ЛЭ в кильце, причем
и нечетное.
Широко распространена схема мультивибратора, изображенного на рисунке 8.2 б). Она содержит две времязадающие RC –цепи. Сдвиг на ЛЭ подается за счет падения напряжения на
и
вот протекания входных токов.
Генерируемая частота
Скважность выходных импульсов может устанавливаться в границах 1,2...4. В этой схеме при фиксированных
и
для получения импульсов с высокой частотой приходится уменьшать
и
. При С<20 p работа генератора становится неустойчивой. Повышение частоты работы достигается в схеме, приведенной на рисунке 8.2 в), за счет уменьшения сопротивления резисторов сдвига и организации обратной связи через DD1.3, DD1.4, что создает сдвиг при состоянии выходов DD1.1 и DD1.2, равной 1, и что обеспечивает, таким образом, условия генерации.
Схемы генераторов с одной времязадающей RC –цепочкой приведены на рисунке 8.2 г), д). В генераторе, показанном на рисунке 8.2 г), работа DD1.1 в активной области обеспечена ООС через
, а DD1.2 – напряжением с выхода DD1.1, подаваемым через
. Положительная обратная связь создается включением С. В другом генераторе (рисунок 8.2 д) активный режим работы ЛЭ реализован за счет общей для всех ООС через
. В этих схемах
, а скважность выходных импульсов практически не регулируется. В качестве DD1.1...DD13 целесообразно использовать ЛЭ с открытым коллектором, уключивши необходимые нагрузочные резисторы, которые обеспечивает большую стабильность 
