При использовании механических контактов (сенсорных переключателей, тумблеров, кнопок контактов реле) вследствие вибраций, которые возникают при замыкании и размыкании контактов («дребезга» контактов) вместо одного ли фронта спада за промежуток времени порядка 5...20 ms. возникает несколько коротких импульсов, которые могут восприниматься следующей схемой как отдельные сигналы.
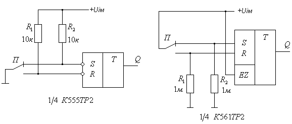
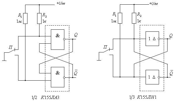
Для исключения ошибочного срабатывания от дребезга осуществляют считывание информации из механических переключателей, тогда, если процесс переключения установился применяют временные задержки и селекцию импульсов, специальные схемотехнічені решения. На рисунке 9.5 приведенные схемы устранения дребезга механических контактов. В них использованная особенность механического контакта во время дребезга не переключаться с одного положения в другое. Схемы представляют собой RS-триггеры, которые переключаются по первому замыканию контакта и следующие ли вибрации переводят триггер в режим сохранения, подтверждают ли предыдущую установку. Резисторы R 1 и R 2 задают необходимые уровни логических сигналов на входах элементов, если контакт разомкнут. При использовании ІС К155ЛИ1 эти резисторы соединены с погрузочными резисторами исходной цепи инвертора и установка RS-триггера осуществляется по
![]() |
выходу.
![]() |
Рисунок 9.5
При введении информации из пульта вместо механических переключателей целесообразно использовать сенсорные переключатели. Энергетическим влиянием оператора на такие переключатели может служить изменение сопротивления, емкости, внесения сигнала препятствия и т.д. Отсутствие механических контактов
![]() |
повышает надежность устройства введения.
![]() |
Рисунок 9.6
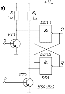
Высокое входное сопротивление КМОПТЛ элементов и коэффициент усиления, которое доходит до 100, разрешает эффективно использовать их в схемах сенсорных переключателей. Несколько таких схем приведенное на рисунке 9.6. В схемах а), б) рисунка 9.6 имеются по двух контактные площадки для раздельной установки триггеров в «0» и «1». К этим площадкам при сенсорном влиянии прикладывается сигнал препятствия. Под действием препятствия RS-триггер переключается в соответствующее состояние. Сложность исходных цепей обусловленная необходимостью защиты микросхем КМОПТЛ от статического электричества. В схеме а) рисунка 9.6. для развязки примененные биполярные транзисторы, например, КТ315, в схеме б) рисунка 9.6 установленные дополнительные защитные резисторы
и
, диодный ограничитель VD1…VD4...
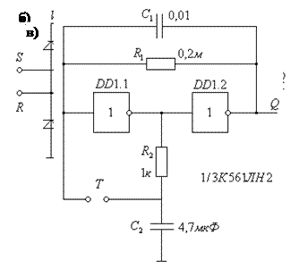
На рисунке 9.6, в) показанная схема сенсорного переключателя, управляемого изменением сопротивления между контактами Т при прикосновенье их рукой. Схема состоит из двух инверторов ІС К561.1112, что образуют вместе с
и
триггер и цепочки 
, которые запоминает состояние триггера к переключению иd схемы, которая обеспечивает стойкое состояние, при отпускании контакта после кратковременного нажатия.










