Сваривание электрических контактов
В сильнотоковых аппаратах не исключено расплавление
-пятна в замкнутом состоянии контактов, что может привести к свариванию контактов так, как это происходит при точечной электросварке.
Под износом контактов понимают разрушение рабочей поверхности коммутирующих контактов, приводящее к изменению их геометрической формы, размера, массы и т.д.
Износ, происходящий под действием электрических факторов, называется электрическим износом – электрической эрозией контактов. Износ под действием механических факторов здесь не рассматривается, он обычно много меньше электрического.
При размыкании сила, сжимающая контакты, снижается до нуля, резко возрастают переходное сопротивление контакта и плотность тока в последней площадке контактирования. Площадка сильно разогревается, и между расходящимися контактами образуется контактный мостик из расплавленного металла, который в дальнейшем рвется. При этом в промежутке между контактами возникает электрического разряда.
|
|
|
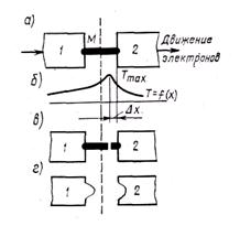
Мостиковую эрозию контактов можно объяснить термоэлектрическими эффектами, приводящими к асимметрии расплавленного металлического мостика (рис. 2.5), что в конечном счете приводит к переносу материала с одного контакта на другой.

Рис. 2.5. Фазы мостиковой эрозии контактов
Дуговой износ контактов – это выгорание материала контактов под воздействием электрической дуги.
Энергия, сосредоточенная в небольших объемах, разогревает металл, плавит его и доводит до температуры кипения. Материал контактов выбрасывается в виде паров металла и капель.






