ВОПРОС №1
АНАЛОГОВЫЕ ПРЕОБРАЗОВАТЕЛИ ЭЛЕКТРИЧЕСКИХ СИГНАЛОВ НА БАЗЕ ОПЕРАЦИОННЫХ УСИЛИТЕЛЕЙ С ЛИНЕЙНЫМИ ЭЛЕМЕНТАМИ В ЦЕПЯХ ОС
ЛЕКЦИЯ №10
Операционный усилитель (ОУ) является важным элементом современной радиотехнической аппаратуры. На его основе разработано большое количество различных аналоговых, аналогоцифровых и цифровых устройств. С помощью ОУ стало возможным реализовать обработку сигналов по различным протоколам. При этом ОУ позволяют производить различные математические операции над сигналами. Важное место ОУ в радиоэлектронике определяется, в первую очередь, его уникальными характеристиками, которые на несколько порядков выше, чем у навесных элементов.
Определение. Операционный усилитель (ОУ) – усилитель электрических сигналов, предназначенный для выполнения различных операций над аналоговыми величинами при работе в схеме с ООС (ГОСТ).
Справедливо дать и другое определение, которое отражает структурное построение ОУ.
Операционный усилитель – это активный многополюсник, имеющий одну или две пары входных и одну или две пары выходных зажимов.
|
|
|
На схемах ОУ условно обозначаются следующим образом:

Рис.10.1. Условное обозначение операционного усилителя на схемах
На рисунке 10.1 знак «–» обозначает инвертирующий вход, а знак «+» – неинвертирующий вход.
Таким образом, ОУ предназначен для того, чтобы в сочетании с другими линейными и нелинейными устройствами обеспечить:
– усиление сигналов,
– моделирование различных математических операций (суммирование, интегрирование, дифференцирование и др.).
При этом ОУ может применяться как:
– усилитель постоянного и переменного токов,
– усилитель-ограничитель,
– повторитель напряжения,
– активный RС-фильтр,
– модулятор,
– детектор,
– компаратор,
– цифроаналоговый и аналогоцифровой преобразователь,
– генератор гармонических сигналов и импульсов различной формы и др.
Такое широкое применение ОУ объясняется его свойствами. В таблице 10.1 показаны характеристики идеального усилителя и реального ОУ.
Таблица 10.1.
| Параметр | Идеальный усилитель | Реальный ОУ |
| КU | → ∞ | 103÷106 |
| RВХ | → ∞ | 103÷108 Ом |
| RВЫХ | → 0 | ед.÷сотни Ом |
| Диапазон частот | 0÷∞ | 0÷109 Гц |
| Время переходных процессов | → 0 | 10÷20нс |
| Коэффициент подавления синфазного сигнала | → ∞ | 60÷100дб |
Из таблицы видно, что параметры ОУ на несколько порядков выше усилителей, выполненных на базе дискретных элементов (лампах, транзисторах, резисторах и др.). Перечисленные параметры приводятся в технических условиях на конкретные ОУ.
|
|
|
Операционные усилители, независимо от их конкретных принципиальных схем, реализуются по следующей структуре (рис.10.2).
| Входной ДУК с динамической нагрузкой | Промежуточный каскад (ДУК) | Выходной каскад | ||
Рис.10.2. Структурная схема операционного усилителя
Входной ДУК с динамической нагрузкой служит для обеспечения симметричного относительно земли возбуждения при усилении сигнала, а также для обеспечения достаточно большого RВХ усилителя.
Промежуточный каскад служит для обеспечения дополнительного усиления, а также обеспечения перехода от входного ДУК к выходному каскаду. Как правило, промежуточный каскад является ДУК.
Выходной каскад служит для обеспечения заданного уровня выходного напряжения и необходимой величины выходного сопротивления RВЫХ . Выходной каскад может включать в себя:
– эмиттерный повторитель,
– схему сдвига уровня (при отсутствии входного сигнала создает на выходе усилителя нулевое напряжение),
– усилитель мощности.
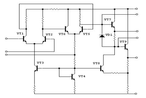
Типовая принципиальная схема операционного усилителя на базе микросхемы 140УД1 представлена на рисунке 10.3.

Рис.10.3. Типовая принципиальная схема операционного усилителя
Эту схему можно разбить на несколько участков.
1. Входной ДУК состоит из транзисторов VT1, VT2, VT3, VT4 и резисторов R1, R2, R3, R4, R5. Транзистор VT4 использован в диодном включении. Работа каскада была подробно проанализирована ранее. Для обеспечения большого входного сопротивления RВХ токи коллекторов (и эмиттеров) транзисторов VT1 и VT2 выбираются достаточно малыми (десятки микроампер), что определяет малую крутизну ВАХ. Часто для повышения RВХ первый ДУК выполняется на полевых транзисторах.
2. Второй ДУК состоит из транзисторов VT5 и VT6, эмиттеры которых связаны со схемой генератора стабильного тока (ГСТ) входного дифференциального каскада. Этот каскад служит для обеспечения большого коэффициента усиления по напряжению КU.
3. Двухтактный выходной каскад состоит из транзисторов VT9 и VT10 , включенных по схеме с общим эмиттером. Этот каскад обеспечивает усиление сигнала по мощности и малое выходное сопротивление ОУ.
4. Между выходом второго ДУК и входом выходного каскада включена схема на транзисторах VT7 и VT8, которая обеспечивает развязку выходного каскада и второго ДУК и сдвиг уровня постоянного напряжения. Фактически транзитов VT7 используется как эмиттерный повторитель, но сигнал снимается с части эмиттерной нагрузки, образованной резистором R9 и входным сопротивлением транзистора VT8, включенного по схеме с общим эмиттером. Выбором номинала резистора R9 и тока, протекающего через него, который создает ГСТ (на схеме показано условно) создается постоянный потенциал, обеспечивающий при отсутствии сигнала на входе нулевой уровень на выходе.
Для предотвращения самовозбуждения ОУ на высоких частотах в схему включаются внешние корректирующие элементы R10, С1, С2.
Выводы по 1-му вопросу:
1. Широкий спектр устройств, созданных на базе ОУ, появился благодаря уникальным свойствам и характеристикам усилителя.
2. Свойства операционных усилителей могут быть изменены с помощью цепей обратной связи.






