Основные потребители сжатого воздуха на
1.2.
СХЕМЫ ВОЗДУХОСНАБЖЕНИЯ
Раздел 1. СИСТЕМА ВОЗДУХОСНАБЖЕНИЯ
Вопросы для самопроверки
1. Охарактеризуйте современные масштабы и перспективы
производства и потребления технологических энергоносителей промышленными предприятиями.
2. Перечислите основные энергоносители предприятий.
3. Дайте классификацию и назовите элементы системы энергообеспечения промышленного предприятия (СЭО ПП)
. 4. Назовите основные задачи функционирования СЭО ПП. 5. Приведите основные показатели энергетического совершенства СЭО ПП.
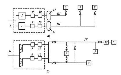
Система воздухоснабжения (рис. 1.1) промышленного предприятия предназначена для обеспечения промышленных потребителей сжатым воздухом требуемых параметров в соответствии с заданным расходом и графиком потребления. Она включает в себя компрессорные и воздуходувные станции, трубопроводный и баллонный транспорт для подачи сжатого воздуха к потребит6елям, воздухосборники-ресиверы и распределительные устройства сжатого воздуха самого потребителя.
|
|
|

Рис. 1.1. Схема системы снабжения потребителей сжатым воздухом:а – компрессорная станция І с поршневыми компрессорами; б – компрессорная станция ІІ с турбокомпрессорами; ІІІ, ІV – коммуникации; 1- поршневой компрессор; 2 – турбокомпрессор; 3, 4, 5 – потребители сжатого воздуха от турбокомпрессоров; 6, 7, 8 – потребители сжатого воздуха от поршневых компресссоров; 9 – устройства влаго- и маслоотделения; 10 – устройства осушки воздуха; 11 – ресиверы; 12 – дожимающие компрессоры у индивидуальных потребителей
В зависимости от необходимого потребителям расхода воздуха и его давления станции оборудуются центробежными компрессорами с избыточным давлением сжатого воздуха 0,35 – 0,9 МПа и единичной производительностью 250 – 7000 м³/мин или поршневыми соответственно с давлением 3 – 20 МПа и 100 м³/мин.
Коммуникации сжатого воздуха имеют радиальные и кольцевые участки. Последние применяют при компактном расположении потребителей, а также при повышенных требованиях к надежности обеспечения сжатым воздухом.
Сжатый воздух на промышленных предприятиях используется по двум основным направлениям: технологическому (выплавка стали и чугуна в металлургии, химические и биохимические реакторы, сушильные установки, установки сухого измельчения, пневматические осадочные машины, сепараторы для угля и т. п.) и силовому, как носитель пневматической энергии (привод различных машин и механизмов в машиностроении, горнодобывающей промышленности, кузнечном и других производствах, системы пневматики приборов автоматического регулирования).
|
|
|
Наиболее развитым воздушным хозяйством обладают предприятия металлургии, где основными потребителями сжатого воздуха являются мартеновские цехи, прокатные цехи, доменное производство, ремонтно-восстановительные участки.
На производство сжатого воздуха затрачивается около 5% общего расхода электроэнергии на металлургических заводах и до 30% на машиностроительных предприятиях и в горнодобывающей промышленности. При использовании электрического привода компрессоров удельный расход энергии на производство 1000 м³ сжатого воздуха составляет от 80 до 140 кВт·ч (в зависимости от давления сжатого воздуха, типа компрессорных машин, условий охлаждения и т. д.). При паровом приводе компрессоров удельный расход условного топлива на производство 1000 м³ сжатого воздуха составляет 17 – 20 кг.






