Виды профилей.
Понятие поперечного профиля.
План
1. Понятие поперечного профиля.
2. Виды профилей.
3. Схемы насыпи и выемки.
4. Категории ж.д.
5. Подготовка основания под насыпь.
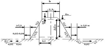
Поперечным профилем земляного полотна называют поперечный разрез земляного полотна вертикальной плоскостью, перпендикулярной его продольной оси.
Существует два вида поперечных профилей: нормальный и специальный профили - типовые профили.
Типовым профилем называется профиль, проверенный многолетним опытом, имеющие повсеместное применение при высоте насыпи и глубине выемок до 12м.
Типовым специальным профилем называется такой профиль, который проверен многолетним опытом, имеющий применение лишь в отдельных районах с особыми условиями (скальные грунты, подвижные пески в поймах рек и т. п.)
Индивидуальные поперечные профили - разрабатываются по специальным проектам, для условий, в которых типовые профили неприменимы и при глубине выемки и высоте насыпи более 12м (зоны вечной мерзлоты).
Типовой поперечный профиль насыпи. 






