Схема генераторной секции ГЭРЩ
Требования Правил Регистра к схемам ГЭРЩ
Классификация судовых распределительных устройств
Судовые распределительные устройства
ОННО-ЗАЩИТНАЯ АППАРАТУРА
Судовые электрораспределительные устройства - это комплектные электротехнические устройства в виде щитов с аппаратами управления, защиты и сигнализации, предназ-
наченные для приема и распределения электроэнергии между приемниками.
Судовые электрораспределительные устройства классифицируют по следующим основным признакам:
а) по назначению
главный, предназначенный для присоединения источников электроэнергии к судо-
вой силовой сети, управления их работой и распределения электроэнергии;
аварийный, являющийся частью аварийной СЭС и предназначенный для присоеди-
нения аварийных источников электроэнергии к аварийной сети, управления их работой и распределения электроэнергии;
групповой, предназначенный для распределения электроэнергии между группой приемников одинакового назначения;
|
|
|
приемника, предназначенный для подачи электроэнергии на отдельный приемник, а также управления его работой;
электроснабжения с берега, предназначенный для присоединения судовой сети суд-
на к береговой электрической сети или сети другого судна;
генераторный, предназначенный для передачи электроэнергии от генератора к определенному ГРЩ, а также для местного управления генератором в тех случаях, когда генератор и ГРЩ размещены в разных отсеках судна (от генераторного щита могут полу-
чать электропитание отдельные приемники электроэнергии);
соединительный электрический ящик (щит), представляющий собой судовое элект-
рораспределительное устройство, предназначенное для соединения электрических цепей;
сигнализации и контроля, предназначенный для подачи сигналов (звуковых, световых) о состоянии контролируемых помещений, установок, систем, ЭП и других объектов;
б) по месту раположения на судне
районный, предназначенный для распределения электроэнергии в пределах опреде-
ленного архитектурного района судна и обеспечивающий электроэнергией несколько от-
сечных щитов;
отсечный, предназначенный для распределения электроэнергии в пределах отсека судна;
в) по конструктивному исполнению на каркасные и блочные. Щиты в каркасном исполнении изготовляют, как правило, по индивидуальным чертежам, что затруд-
няет их производство и увеличивает стоимость. Блочные РЩ выпускают в виде нормализованных серий на напряжении 30 В постоянного тока и 220 и 380 В при частоте 50 и 400 Гц переменного тока. При необходимости из отдельных блочных ящиков можно комплек-
|
|
|
товать РЩ любых размеров и для любой схемы.
г) по степени защищенности от воздействия окружающей среды различают защи-
щенные (IР21), брызгозащищенные (IР23) и водозащищенные (IР55) распределитель-
ные устройства. Ввод кабелей в щиты брызгозащищенного исполнения выполняют снизу через отверстия с обрамлениями, исключающими повреждение оболочки кабелей, а в щи-
ты водозащищенного исполнения - через индивидуальные или групповые сальники.
д) по роду тока различают РЩ постоянного и переменного 1- и 3-фазного тока;
е) по наличию коммутационно-защитной аппаратуры все РЩ подразделяют на 2 типа: без выключающих устройств и с выключающими устройствами.
В РЩ без выключающих устройств содержатся только предохранители типа ИП постоянного тока напряжением 30 В и типа ПК переменного тока напряжением 380 В. Такие РЩ применяют на маломерных судах.
В обозначение РЩ входит тип, количество групп и номинальный ток предохрани
телей.
Например, ЩИПК2-50 [Щ - щит; ИП - предохранители типа ИП; К -для маломер-
ных судов (катера); 2 - количество групп; 50 - номинальный ток, А].
Обычно РЩ с выключающими устройствами бывают двух видов:
1. с пакетными выключателями и предохранителями;
2. с автоматическими выключателями.
РЩ первого вида, как правило, не применяют для питания 3-фазных АД. Это объяс
няется тем, что при перегорании предохранителя в одной фазе наступает 1-фазный режим работы АД с последующим его перегревом и выходом из строя. В то же время срабатыва-
ние АВ вследствие КЗ в любой фазе приводит к полному отключению асинхронного двига
теля от питающей сети.
Районные, отсечные и групповые РЩ применяют в сетях постоянного тока напря
жением 220 В при частоте 400 Гц. В качестве выключающих устройств в перечисленных РЩ используют АВ типов АК-50 и АС-25.
1.2. Принципиальные схемы распределительных щитов

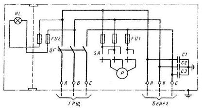
Рис. 4.1. Принципиальная схема распределительного щита
Рассмотрим принципиальная схема РЩ с четырьмя АВ типа АК-50 (рис. 4.1).
Питающий фидер подключают к выводам А, В, С, а отходящие к приемникам фиде
ры - к выводам 1 -12 в нижней части щита.
Цепь сигнальной лампы HL защищена предохранителями FU. Внутрь РЩ встрое-
ны защитные конденсаторы С1-СЗ. Дверца РЩ соединена с заземленным корпусом РЩ гибкой перемычкой. Принципиальные схемы других щитов отличаются от приведенной количеством АВ и числом полюсов каждого из них.
Щиты электроснабжения с берега выпускают на ток 100-3000 А и напряжения 220 В постоянного тока и 220 и 380 В переменного тока частотой 50 и 400 Гц. Внутри корпуса щита находится АВ типа А3700Р (АМ8, АМ15) или только выводы (при длине кабеля меж
ду ЩЭСБ и ГРЩ менее 10 м).
Щит электроснабжения с берега типа ЩПБ 3-фазного переменного тока с АВ типа А3700Р (рис. 4.2) снабжен фазоуказателем Р с переключателем SA, служащими для провер
ки порядка чередования фаз береговой сети, и сигнальной лампой HL. Цепи фазоуказателя и сигнальной лампы защищены от токов КЗ предохранителями FU1 и FU2. Эти щиты обы
чно располагают в носовой или кормовой части судна на главной или вышерасположен-
ной палубе.

Рис. 4.2. Принципиальная схема щита электроснабжения с берега
Щиты сигнализации и аппаратуры сигнализации типов ЩС и ЩАС имеют блоч-
ную конструкцию и выполняются путем набора в унифицированные корпуса щитов моду-
лей из полупроводниковых элементов. Это позволяет получить необходимые виды звуко-
вой и световой сигнализации. Щиты этих типов выпускаются на напряжения 24 В постоян
ного и переменного тока, 127, 220 и 380 В переменного тока (число контролируемых це-
пей от 2 до 16).
Контрольные щиты КЩ в зависимости от типа могут иметь 2-3 встроенных электро
измерительных прибора (например, вольтметр, амперметр и частотомер), а также сигналь-
ную лампу и переключатель к вольтметру. Эти щиты выпускают на напряжения до 320 В постоянного тока и до 380 В переменного тока.
|
|
|
При разработке схем главных электрораспределительных щитов руководствуются
нормативными документами, основными из которых являются „Правила классификации и постройки морских судов” (Правила Регистра), „правила технической эксплуатации судового электрооборудования” и др.
Основные рекомендации по разработке схемы ГЭРЩ можно свести к следующим.
В соответствии с Правилами Регистра, при нормальной работе основной электро
станции от шин ГЭРЩ по отдельным фидерам должны питаться такие приемники:
.1. электрические приводы рулевых устройств;
.2. электрические приводы якорного устройства;
.3. электрические приводы пожарных насосов;
.4. электрические приводы осушительных насосов;
.5. электрические приводы компрессоров и насосов спринклерной (пожарной) системы;
.6. гирокомпас;
.7. щит холодильной установки грузовых трюмов;
.8. электрические приводы агрегатов возбуждения электрической гребной установ
ки;
.9. секционные щиты основного освещения;
.10. щит радиостанции;
.11. щит навигационных приборов;
.12. щит сигнально-отличительных фонарей;
.13. секционные щиты и распределительные устройства питания других потребите
лей ответственного назначения, объединенных по принцип однородности выполняемых функций (например, грузовые краны, лебедки и др.);
.14. распределительные устройства объединенного пульта управления;
.15. щит станции автоматической сигнализации обнаружения пожара;
.16. электрические приводы механизмов обеспечивающих работу главных механиз
мов;
.17. щиты электрических приводов грузовых швартовных, шлюпочных и других
устройств вентиляции и нагревательных приборов;
.18. устройства управления винтом регулируемого шага;
.19. зарядные устройства стартерных аккумуляторных батарей и батарей, питаю-
щих ответственные устройства;
.20. щиты питания электрических приводов закрытия водонепроницаемых дверей и
устройств, удерживающих противопожарные двери в открытом состоянии, а также щиты сигнализации о положении и закрытии водонепроницаемых и противопожарных дверей;
|
|
|
.21. щит холодильной установки системы углекислотного тушения низкого давле-
ния;
.22. щиты освещения ангаров и светотехнического оборудования посадочных пло
щадок для вертолетов;
.23. другие, не перечисленные выше потребители - по требованию Регистра.
Допускается питание потребителей, перечисленных в.4,.6,.10,.11,.12,.15,.16,.18,
.19,.20 от распределительных устройств, указанных в.13 или.14, по отдельным фидерам, имеющим коммутационные и защитные устройства.
Все остальные приемники электроэнергии должны получать питание через вторичные распределительные щиты.
В случае секционирования шин ГЭРЩ необходимо обеспечить секционирование шин 220 В на случай отключения секционного ABB на шинах ГЭРЩ. Деление ГЭРЩ на секции позволяет поочередно произвести обслуживание оборудования секций.
Для каждого генератора принято выделять свою секцию.
На каждом фидере, отходящем от ГЭРЩ, ставят автоматические выключатели.
Если механизмы ответственного назначения с электрическими приводами установлены в двойном или большем количестве, то, по крайне мере, один из этих электрических приводов должен получать питание по отдельному фидеру от ГРЩ.
На электрические приводы остальных таких механизмов допускается подавать питание от секционных щитов или специальных распределительных устройств, предназначенных для питания ответственных приемников.
Если сборные шины на ГЭРЩ разделены на секции с помощью межсекционных разъединительных устройств, то электрические приводы, секционные щиты, специальные распределительные устройства или пульты, установленные в двойном или большем количестве или питаемые по двум фидерам, должны быть подключены к разным секциям ГЭРЩ. Один из фидеров рулевого электропривода должен получать питание от аварийного распределительного щита.
Из соображений надежности к ГЭРЩ нецелесообразно подключать большее количество фидеров.
Питание приемников мощностью менее 45 кВт осуществляют от РЩ.
Приемники, работающие на стоянке, подключают к отдельной секции, соединен-
ной со щитом электроснабжения с берега (ЩЭБ); менее ответственные приемники, до-
пускающие отключение при перегрузке генераторов, группируют. Для уменьшения нагрева ГЭРЩ рекомендуется наиболее мощные приемники подключать ближе к источникам.
В целях повышения надежности электроснабжения ответственных приемников целесообразно предусмотреть для них при потере напряжения автоматическое пере-
ключение с одного фидера на другой.
При разработке схемы ГЭРЩ предварительно определяют число панелей ГРЩ (генераторных, управления, приемников). При этом, как правило, для каждого генераторного автоматического выключателя (АВ) требуется отдельная панель. АВ приемников с учетом их габаритов группируют по 12-24 шт. на панель. Часть выключателей приемников можно устанавливать также на генераторных панелях (по 6-8 АВ).
Для решения вопроса электрификации судна следует предусмотреть резервные автоматические выключатели. Число их обычно не превышает 10 % от общего числа выключателей на ГРЩ. Номинальный ток расцепителя резервного выключателя берут равным номинальному току расцепителя, наиболее часто встречающемуся на данной панели ГРЩ.
Окончательно число панелей уточняют после выбора и проверки всех аппаратов. При небольших размерах ГРЩ панели 220 В конструктивно объединяют с панелями 380 В.
Принципиальные схемы ГЭРЩ разрабатываются и изготовляются отдельно для каждой серии судов.
1.4. Схема главного распределительного щита
Главный электрораспределительный щит выполнен как цельная конструкция, но разбит на отдельные секции (рис. 4.3). 
Рис. 4.3. Принципиальная схема ГЭРЩ переменного тока
Имея заранее изготовленные отдельные типовые секции, можно собрать ГРЩ на любое число генераторов и питающих линий. Это значительно ускоряет и удешевляет их производство, транспортировку и погрузку.
На каждый генератор предусмотрена отдельная генераторная секция II (иногда од-
на секция на два генератора).
Контроль и управление работой генераторов обеспечивают приборы и аппараты, установленные на генераторной секции:
1. автомат генератора АГ для коммутации генератора с шинами щита и защиты его;
2. ручной регулятор напряжения РРН генератора;
3. блоки системы автоматического регулирования напряжения генератора БСАРН;
4. переключатель серводвигателя ПСД, позволяющий изменять подачу топлива или пара приводному двигателю генератора для изменения активной нагрузки генератора;
5. устройство гашения поля УГП генератора, которое в аварийных случаях позволя
ет быстро отключить обмотку возбуждения генератора и погасить его э. д. с. до нуля;
6. реле перегрузок РП, которое сигнализирует о перегрузке генератора, а иногда дает импульс на автоматическое отключение малоответственных потребителей с целью разгрузки генератора;
7. реле обратной мощности РОМ воздействует на автомат АГ и отключает генера-
тор от шин, если он перешел в двигательный режим;
8. контрольно-измерительные приборы (КИП): амперметр, вольтметр, киловатт-
метр, фазометр (φ) и частотомер (Hz). Для включения перечисленного оборудования установлены трансформаторы тока ТрТ и напряжения (на схеме не показаны).
Назначением распределительных секций I является главным образом управление потребителями, получающими питание от ГРЩГ и контроль за ними.
В связи с этим на распределительных секциях установлены автоматы АВ, а также амперметры А для измерения нагрузки потребителей. Амперметры установлены только на питающих линиях наиболее мощных потребителей или с помощью переключателей П мо
гут переключаться для контроля нагрузки нескольких потребителей.
В секции управления III установлены приборы для контроля и включения генера-
торов на параллельную работу:
1. синхроноскоп S;
2. прибор для автоматической синхронизации ПАС;
3. электроизмерительный прибор Q для измерения сопротивления изоляции;
4. автомат АА для подключения аварийного щита к ГРЩ;
5. автомат АБ, подающий питание с берега;
6. аппарат Р для разъединения шин при раздельной работе генераторов;
7. контрольно-измерительные приборы:
V - вольтметр,
Hz - частотомер,
Фу – фазоуказатель (указатель порядка чередования фаз).
На этой же секции могут быть установлены другие аппараты и приборы, не связан
ные с постоянной работой генераторов или потребителей (например, устройство автома
тического включения резервного генератора УАВР, прибор защиты от работы при обры
ве провода одной питающей фазы с берега и при снижении напряжения с берега ЗОФН и т. д.).
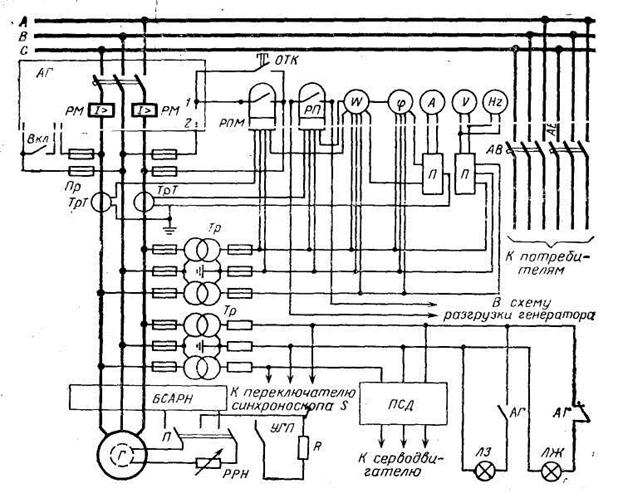
На рис. 4.4. показана схема генераторной секции ГЭРЩ.

Рис. 4.4. Принципиальная схема генераторной секции ГЭРЩ
После пуска генератора и самовозбуждения на его зажимах появляется э. д. с, о чем сигнализирует желтая лампа ЛЖ, получающая питание через трансформатор напряжения Тр и вспомогательный контакт (блок-контакт) автомата генератора АГ.
Автомат генератора АГ имеет электродвигательный привод для включения (на схе-
ме не показан). Если нажать на кнопку Вкл, то с помощью этого электродвигателя про-
изойдет включение автомата.
Желтая лампа погаснет, а загорится зеленая ЛЗ, сигнализирующая о том, что гене-
ратор возбужден и включен на шины.
Далее включают необходимые потребители и с помощью переключателя ПСД и ручного регулятора РРН осуществляют подрегулирование частоты и напряжения (при параллельной работе генераторов с помощью ПСД и РРН осуществляют распределение нагрузки).
В дальнейшем стабилизацию электрических параметров генератора осуществляют блоки БСАРН.
В случае перегрузки генератора на обмотках трансформатора тока ТрТ возникает повышенный ток, срабатывает реле перегрузки РП и своим замкнувшимся контактом пода
ет сигнал в схему разгрузки генератора.
Происходит автоматическое отключение неответственных потребителей (бытовая вентиляция, камбуз), и срабатывает сигнализация. На некоторых судах срабатывание реле РП приводит только к срабатыванию сигнализации, а решение о способе разгрузки прини-
мает электромеханик.
При недопустимо больших токах перегрузок генератора или короткого замыкания на шинах ГРЩ срабатывают реле максимального тока РМ, катушки которых расположены в автомате генератора АГ. Это приводит к отключению автомата от шин.
В очень редких случаях может произойти разрушение оболочки питающего кабеля генератора, и тогда возникает короткое замыкание между генератором и автоматом АГ.
Ток короткого замыкания 6удет проходить между генератором и местом короткого замыкания, не проходя по автомату; последний, естественно, не сработает.
В такой обстановке нужно переключатель устройства гашения поля УГП перевести в другое положение (на схеме - вправо).
Тогда на обмотку возбуждения генератора напряжение не подастся, она замкнется на разрядный резистор R и ЭДС генератора упадет да нуля.
При включении на параллельную работу один из генераторов может перейти в дви
гательный режим и начинает развивать механический момент, действующий в сторону вращения приводного электродвигателя, разгоняя его (разнос).
В этой аварийной ситуации срабатывает реле обратной мощности РОМ; его замк-
нувшийся контакт включает питание на выводы 1, 2 автомата АГ и автомат отключается.
Кнопка ОТК шунтирует контакт реле РОМ: для отключения автомата нажимают на кнопку.